>┊
首页 | 最新需求 | 最新现货 | IC库存 | 供应商 | IC英文资料库 | IC中文资料库 | IC价格 | 电路图 | 应用资料 | 技术资料
 IC型号: 
您现在的位置:首页 >  IC英文资料库 进入手机版 
 
资料编号:1005385
 
资料名称:RT9224
 
文件大小: 210K
   
说明
 
介绍:
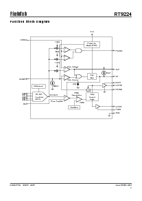
5-Bit Programmable Synchronous PWM Buck Converter Controller and Output Voltage Monitor
 
 


: 点此下载
 
1
浏览型号RT9224的Datasheet PDF文件第2页
2
浏览型号RT9224的Datasheet PDF文件第3页
3
浏览型号RT9224的Datasheet PDF文件第4页
4
浏览型号RT9224的Datasheet PDF文件第5页
5
浏览型号RT9224的Datasheet PDF文件第6页
6
浏览型号RT9224的Datasheet PDF文件第7页
7
浏览型号RT9224的Datasheet PDF文件第8页
8
 
本平台电子爱好着纯手工中文简译:截至2020/5/17日,支持英文词汇500个
资料评论区:
点击回复标题作者最后回复时间

标 题:
内 容:
用户名:
手机号:    (*未登录用户需填写手机号,手机号不公开,可用于网站积分.)
      
关于我们 | 联系我们
电    话13410210660             QQ : 84325569   点击这里与集成电路资料查询网联系
联系方式: E-mail:CaiZH01@163.com