>┊
首页 | 最新需求 | 最新现货 | IC库存 | 供应商 | IC英文资料库 | IC中文资料库 | IC价格 | 电路图 | 应用资料 | 技术资料
 IC型号: 
您现在的位置:首页 >  IC英文资料库 进入手机版 
 
资料编号:1014880
 
资料名称:M74HC4852TTR
 
文件大小: 242K
   
说明
 
介绍:
DUAL 4:1 CHANNEL ANALOG MUX/DEMUX WITH INJECTION CURRENT PROTECTION
 
 


: 点此下载
 
1
浏览型号M74HC4852TTR的Datasheet PDF文件第2页
2
浏览型号M74HC4852TTR的Datasheet PDF文件第3页
3
浏览型号M74HC4852TTR的Datasheet PDF文件第4页
4
浏览型号M74HC4852TTR的Datasheet PDF文件第5页
5
浏览型号M74HC4852TTR的Datasheet PDF文件第6页
6
浏览型号M74HC4852TTR的Datasheet PDF文件第7页
7
浏览型号M74HC4852TTR的Datasheet PDF文件第8页
8
浏览型号M74HC4852TTR的Datasheet PDF文件第9页
9
 
本平台电子爱好着纯手工中文简译:截至2020/5/17日,支持英文词汇500个
1/11september 2002
电源 耗散:
抄送
=2
µ
一个(最大值.) t
一个
=25°C
注射 电流 保护:
v
出点
&指示灯;1mv v
抄送
=5V
入点
1mA
s
3.9k
"开启" 电阻 t
一个
=25°c:
215
典型值 (v
抄送
=3.0v)
150
典型值 (v
抄送
=4.5v)
160
典型值 (v
抄送
=6v)
开关:
t
pd
=8.6ns(典型值.)att
一个
=25°c, v
抄送
=4.5v
操作 供应 电压
范围: v
抄送
=2VTO6V
噪声 免疫:
v
NIH
=V
NIL
=28%V
抄送
(最小.)
管脚 功能 兼容
系列 4052, 4852
闩锁 业绩 超过
500mA (jesd 17)
esd 业绩:
HBM > 2000V (jesd22-a114b);
mm > 200V
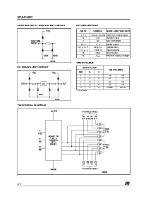
描述
M74HC4852 一个 四通道 模拟
多路复用器/多路分解器 预制
闸门 c
2
mos 技术.
管脚 管脚 兼容 等效
标准 HC4052 mc14052, 但是 特点
注射 电流 效果 控制. 这个 使 这个
设备 尤其是 适合 用于 用法 入点 汽车
应用程序 在哪里 电压 入点 超额 正常
逻辑 电压 普通. 注射 电流
效果 控制 允许 信号 已禁用 输入
频道 超过 供应 电压 范围
向下 接地 影响 信号
已启用 模拟 频道. 这个 消除 需要
用于 外部 二极管-电阻 网络 通常 已使用
保留 模拟 频道 信号
供应 电压 范围. 这个 模拟 开关
双向 数字 受控. 两个
二进制 控制 输入 一个 B 选择 1 4
翻转 开启, 已连接 输出, 一个 inh
输入 禁用 全部 频道.
全部 输入 产出 配备
保护 电路 反对 静态 放电, 给予
他们 2KV esd 免疫 瞬态 超额
电压.
M74HC4852
4:1 频道 模拟 mux/demux
注射 电流 保护
管脚 连接 IEC 逻辑 符号
订单 代码
包装 导管 t &放大器;
SOP M74HC4852M1R M74HC4852RM13TR
TSSOP M74HC4852TTR
TSSOPSOP
资料评论区:
点击回复标题作者最后回复时间

标 题:
内 容:
用户名:
手机号:    (*未登录用户需填写手机号,手机号不公开,可用于网站积分.)
      
关于我们 | 联系我们
电    话13410210660             QQ : 84325569   点击这里与集成电路资料查询网联系
联系方式: E-mail:CaiZH01@163.com