>┊
首页 | 最新需求 | 最新现货 | IC库存 | 供应商 | IC英文资料库 | IC中文资料库 | IC价格 | 电路图 | 应用资料 | 技术资料
 IC型号: 
您现在的位置:首页 >  IC英文资料库 进入手机版 
 
资料编号:1021513
 
资料名称:MC33997DW
 
文件大小: 454K
   
说明
 
介绍:
Switching Power Supply with Linear Regulators
 
 


: 点此下载
 
1
浏览型号MC33997DW的Datasheet PDF文件第2页
2
浏览型号MC33997DW的Datasheet PDF文件第3页
3
浏览型号MC33997DW的Datasheet PDF文件第4页
4
浏览型号MC33997DW的Datasheet PDF文件第5页
5
浏览型号MC33997DW的Datasheet PDF文件第6页
6
浏览型号MC33997DW的Datasheet PDF文件第7页
7
浏览型号MC33997DW的Datasheet PDF文件第8页
8
浏览型号MC33997DW的Datasheet PDF文件第9页
9
 
本平台电子爱好着纯手工中文简译:截至2020/5/17日,支持英文词汇500个
摩托罗拉
半导体 技术类 数据
这个 文件 包含 某些 信息 开启 一个 新建 产品.
规格 和 信息 此处是 主题 至 变更 无 通知.
© 摩托罗拉, 公司 2003
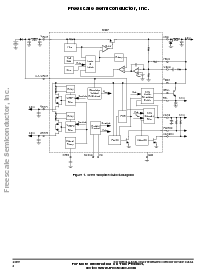
33997 简化 应用程序 图表
文件 订单 号码: mc33997/d
rev 3.0, 03/2003
33997
预付款 信息
开关 电源 供应 与 线性
调节器
那 是 有能力 的 操作 结束 一个 宽输入 电压 范围, 从 6.0 v 向上 至
26.5 v 与 40 v 瞬态 能力. 它包含 一个 sensorless 电流
模式 控制 降压 开关 控制右 调节 直接 至 5.0 v. 这
3.3 v 线性 调节器 用途 一个 外部 通过 晶体管 至 减少 这 33997
电源 耗散. 这 33997 也 提供es 一个 3.3 v 线性 备用 调节器
和 两个 5.0 v 传感器 供应 产出 保护 由 内部 低电阻
ldmos 晶体管.
那里 是 两个 分开 启用 针脚 用于 这 主 和 传感器 供应 产出
和 标准 监督 功能 这样的作为 重置 与 通电 重置 延迟.
这 33997 提供 适当的 电源 供应 测序 用于 高级
微处理器 体系结构 这样的作为 这 摩托罗拉 mpc5xx 和 683xx
微处理器 家庭.
特点
操作 电压 范围 6.0 v 向上 至 26.5 v (40 v 瞬态)
降压 开关 调节器 输出 v
DDH
= 5.0 v @ 1400 ma (合计)
线性 调节器 与 外部 通过 晶体管 v
DDL
= 3.3 v @ 400 ma
低功耗 备用 线性 调节器 v
KAM
= 3.3 v @ 10 ma
两个 5.0 v @ 200 ma (典型) 传感器 供应品 v
参考
保护 反对
短-至-蓄电池 和 短-至-接地 与 重试 能力
欠压 停机 开启 这 v
DDL
, v
DDH
产出 与 重试 能力
重置 信号
通电 延迟
启用 针脚 用于 主 供应品 (en) 和 传感器 供应品 (snsen)
电源 测序 用于 高级 微处理器 体系结构
soic-24wb 包装
订购 信息
设备
温度
范围 (t
一个
)
包装
mc33997dw/r2
-40°c 至 125°c 24 soicw
dw 后缀
24-铅 soicw
案例 751e
电源 供应
综合 电路
f
e?
e?
s
c
一个
l
e?
s
e?
m
c
o
n
d
u
c
t
o
,
飞思卡尔 半导体, 公司
用于 更多 信息 开启 这个 产品,
走 至: www.飞思卡尔.com
n
c
.
.
.
资料评论区:
点击回复标题作者最后回复时间

标 题:
内 容:
用户名:
手机号:    (*未登录用户需填写手机号,手机号不公开,可用于网站积分.)
      
关于我们 | 联系我们
电    话13410210660             QQ : 84325569   点击这里与集成电路资料查询网联系
联系方式: E-mail:CaiZH01@163.com