>┊
首页 | 最新需求 | 最新现货 | IC库存 | 供应商 | IC英文资料库 | IC中文资料库 | IC价格 | 电路图 | 应用资料 | 技术资料
 IC型号: 
您现在的位置:首页 >  IC英文资料库 进入手机版 
 
资料编号:1054460
 
资料名称:EPM7128SLC84-15
 
文件大小: 1155.36K
   
说明
 
介绍:
MAX 7000 Programmable Logic Device(1.13 M)
 
 


: 点此下载
 
1
浏览型号EPM7128SLC84-15的Datasheet PDF文件第2页
2
浏览型号EPM7128SLC84-15的Datasheet PDF文件第3页
3
浏览型号EPM7128SLC84-15的Datasheet PDF文件第4页
4
浏览型号EPM7128SLC84-15的Datasheet PDF文件第5页
5
浏览型号EPM7128SLC84-15的Datasheet PDF文件第6页
6
浏览型号EPM7128SLC84-15的Datasheet PDF文件第7页
7
浏览型号EPM7128SLC84-15的Datasheet PDF文件第8页
8
浏览型号EPM7128SLC84-15的Datasheet PDF文件第9页
9
 
本平台电子爱好着纯手工中文简译:截至2020/5/17日,支持英文词汇500个
®
altera 公司 1
最大值 7000
可编程 逻辑
设备 家庭
十一月 2001, ver. 6.3 数据 工作表
一个-ds-m7000-6.3
特点...
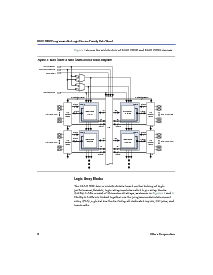
高-业绩, 可擦可编程只读存储器-基于 可编程 逻辑 设备
(plds) 基于 开启 第二代 最大值
®
体系结构
5.0-v 在系统内 可编程性 (isp) 通过 这 内置
最大值 7000s 设备
isp 电路 兼容 与 ieee 标准. 1532
包括 5.0-v 最大值 7000 设备 和 5.0-v isp-基于 最大值 7000s
设备
内置 jtag 边界扫描 测试一下 (bst) 电路 入点 最大值
7000S
设备 与 128 或 更多 宏单元
完成 epld 家庭 与 逻辑 密度 测距 从 600 至
5,000 可用 盖茨 (请参见表格 12)
5-ns pin-to-pin 逻辑 延误 与 向上 至 175.4-mhz 计数器
频率 (包括 互连)
pci-符合 设备 可用
f
用于 信息 开启 在系统内 可编程 3.3-v 最大值 7000a 或 2.5-v
最大值 7000b 设备, 请参见 这
最大值 7000a 可编程 逻辑 设备 家庭
数据 工作表
或 这
最大值 7000b 可编程 逻辑 设备 家庭 数据
工作表
.
表 1. 最大值 7000 设备 特点
功能 EPM7032 EPM7064 EPM7096 EPM7128E EPM7160E EPM7192E EPM7256E
可用
盖茨
600 1,250 1,800 2,500 3,200 3,750 5,000
宏单元 32 64 96 128 160 192 256
逻辑 阵列
2468101216
最大值
用户 我/o 针脚
36 68 76 100 104 124 164
t
pd
(ns) 6 6 7.5 7.5 10 12 12
t
su
(ns)5566777
t
FSU
(ns)2.5 2.533333
t
CO1
(ns)444.54.5566
f
CNT
(mhz) 151.5 151.5 125.0 125.0 100.0 90.9 90.9
资料评论区:
点击回复标题作者最后回复时间

标 题:
内 容:
用户名:
手机号:    (*未登录用户需填写手机号,手机号不公开,可用于网站积分.)
      
关于我们 | 联系我们
电    话13410210660             QQ : 84325569   点击这里与集成电路资料查询网联系
联系方式: E-mail:CaiZH01@163.com