>┊
首页 | 最新需求 | 最新现货 | IC库存 | 供应商 | IC英文资料库 | IC中文资料库 | IC价格 | 电路图 | 应用资料 | 技术资料
 IC型号: 
您现在的位置:首页 >  IC英文资料库 进入手机版 
 
资料编号:1078439
 
资料名称:AT90S2313-10PC 
 
文件大小: 2198714K
   
说明
 
介绍:
8-Bit Microcontroller 
 
 


: 点此下载
 
1
浏览型号AT90S2313-10PC 的Datasheet PDF文件第2页
2
浏览型号AT90S2313-10PC 的Datasheet PDF文件第3页
3
浏览型号AT90S2313-10PC 的Datasheet PDF文件第4页
4
浏览型号AT90S2313-10PC 的Datasheet PDF文件第5页
5
浏览型号AT90S2313-10PC 的Datasheet PDF文件第6页
6
浏览型号AT90S2313-10PC 的Datasheet PDF文件第7页
7
浏览型号AT90S2313-10PC 的Datasheet PDF文件第8页
8
浏览型号AT90S2313-10PC 的Datasheet PDF文件第9页
9
 
本平台电子爱好着纯手工中文简译:截至2020/5/17日,支持英文词汇500个
1
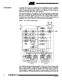
特点
利用 这 avr
®
risc 体系结构
avr – 高性能 和 低功耗 risc 体系结构
118 强大的 说明 – 大多数 单独 时钟 循环 执行
32 x 8 通用 工作 寄存器
向上 至 10 mips 吞吐量 在 10 mhz
数据 和 非挥发性 程序 记忆
2k 字节数 的 在系统内 可编程 闪光灯
耐力 1,000 写/擦除 循环次数
128 字节数 的 sram
128 字节数 的 在系统内 可编程 可擦可编程只读存储器
编程 锁 用于 闪光灯 程序 和 可擦可编程只读存储器 数据 安全
外围设备 特点
一个 8-有点 计时器/计数器 与 分开 预分频器
一个 16-有点 计时器/计数器 与 分开 预分频器,
比较, 捕获 模式 和 8-, 9- 或 10-有点 pwm
片上 模拟 比较器
可编程 看门狗 计时器 与 片上 振荡器
spi 串行 接口 用于 在系统内 编程
已满 双工 uart
• 特殊 微控制器 特点
低功耗 慢车 和 掉电 模式
外部 和 内部 中断 来源
• 规格
低-电源, 高速 cmos 流程 技术
完全 静态 操作
电源 消费 在 4 mhz, 3v, 25°c
活动: 2.8 ma
掉电 模式: &指示灯;1 µa
我/o 和 软件包
15 可编程 我/o 线条
20-管脚 pdip 和 soic
操作 电压
2.7 - 6.0v (at90s2313-4)
4.0 - 6.0v (at90s2313-10)
速度 等级
0 - 4 mhz (at90s2313-4)
0 - 10 mhz (at90s2313-10)
rev. 0839g–08/01
8-有点
微控制器
与 2k 字节数
在系统内
可编程
闪光灯
AT90S2313
管脚 配置
pdip/soic
资料评论区:
点击回复标题作者最后回复时间

标 题:
内 容:
用户名:
手机号:    (*未登录用户需填写手机号,手机号不公开,可用于网站积分.)
      
关于我们 | 联系我们
电    话13410210660             QQ : 84325569   点击这里与集成电路资料查询网联系
联系方式: E-mail:CaiZH01@163.com