>┊
首页 | 最新需求 | 最新现货 | IC库存 | 供应商 | IC英文资料库 | IC中文资料库 | IC价格 | 电路图 | 应用资料 | 技术资料
 IC型号: 
您现在的位置:首页 >  IC英文资料库 进入手机版 
 
资料编号:1080333
 
资料名称:AT24C1024 
 
文件大小: 247934K
   
说明
 
介绍:
1M-bit, 2-wire Serial EEPROM w/Cascadable Feature 
 
 


: 点此下载
 
1
浏览型号AT24C1024 的Datasheet PDF文件第2页
2
浏览型号AT24C1024 的Datasheet PDF文件第3页
3
浏览型号AT24C1024 的Datasheet PDF文件第4页
4
浏览型号AT24C1024 的Datasheet PDF文件第5页
5
浏览型号AT24C1024 的Datasheet PDF文件第6页
6
浏览型号AT24C1024 的Datasheet PDF文件第7页
7
浏览型号AT24C1024 的Datasheet PDF文件第8页
8
浏览型号AT24C1024 的Datasheet PDF文件第9页
9
 
本平台电子爱好着纯手工中文简译:截至2020/5/17日,支持英文词汇500个
1
特点
低电压 操作
–2.7(v
抄送
=2.7vto5.5v)
内部 有组织的 131,072 x 8
2-电线 串行 接口
施密特 触发器, 已过滤 输入 用于 噪声 抑制
双向 数据 转让 协议
400 kHz (2.7v) 1 MHz (5v) 时钟 费率
保护 管脚 用于 硬件 软件 数据 保护
256-字节 第页 模式 (部分 第页 写入 允许)
随机 顺序 阅读 模式
自定时 循环 (5 ms 典型)
可靠性
耐力: 100,000 循环次数/第页
数据 保留: 40
8-铅 pdip, 8-铅 EIAJ soic, 8-铅 搭接 8-球 dBGA
tm
软件包
描述
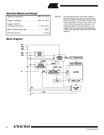
AT24C1024 提供 1,048,576 比特 串行 电气 可擦除 程序-
mable 阅读 记忆 (可擦可编程只读存储器) 有组织的 作为 131,072 字词 8 比特 每个.
设备的 可级联 功能 允许 向上 2 设备 分享 一个 普通 2-电线 总线.
设备 优化 用于 使用 入点 许多 工业 商业 应用程序 在哪里 低-
电源 低电压 操作 必不可少的. 设备 可用 入点 空间-
正在保存 8-铅 pdip, 8-铅 EIAJ soic, 8-铅 无铅 阵列 (搭接) 8-球 dBGA
软件包. 入点 加法, 整个 家庭 可用 入点 2.7v (2.7v 5.5v) 版本.
2-电线 串行
可擦可编程只读存储器
1M (131,072 x 8)
AT24C1024
预付款
信息
rev. 1471g–seepr–08/02
管脚 配置
管脚 姓名 功能
A1 地址 输入
SDA 串行 数据
scl 串行 时钟 输入
WP 保护
nc 连接
8-铅 PDIP
1
2
3
4
8
7
6
5
nc
A1
nc
VCC
WP
scl
SDA
8-铅 无铅 阵列
底部 查看
1
2
3
4
8
7
6
5
VCC
WP
scl
SDA
nc
A1
nc
8-铅 SOIC
1
2
3
4
8
7
6
5
nc
A1
nc
VCC
WP
scl
SDA
8-球 dBGA
底部 查看
VCC
WP
scl
SDA
nc
A1
nc
1
2
3
4
8
7
6
5
资料评论区:
点击回复标题作者最后回复时间

标 题:
内 容:
用户名:
手机号:    (*未登录用户需填写手机号,手机号不公开,可用于网站积分.)
      
关于我们 | 联系我们
电    话13410210660             QQ : 84325569   点击这里与集成电路资料查询网联系
联系方式: E-mail:CaiZH01@163.com