>┊
首页 | 最新需求 | 最新现货 | IC库存 | 供应商 | IC英文资料库 | IC中文资料库 | IC价格 | 电路图 | 应用资料 | 技术资料
 IC型号: 
您现在的位置:首页 >  IC英文资料库 进入手机版 
 
资料编号:1092863
 
资料名称:M74HCT4053
 
文件大小: 239562K
   
说明
 
介绍:
TRIPLE 2-CHANNEL ANALOG MULTIPLEXER/DEMULTIPLEXER
 
 


: 点此下载
 
1
浏览型号M74HCT4053的Datasheet PDF文件第2页
2
浏览型号M74HCT4053的Datasheet PDF文件第3页
3
浏览型号M74HCT4053的Datasheet PDF文件第4页
4
浏览型号M74HCT4053的Datasheet PDF文件第5页
5
浏览型号M74HCT4053的Datasheet PDF文件第6页
6
浏览型号M74HCT4053的Datasheet PDF文件第7页
7
浏览型号M74HCT4053的Datasheet PDF文件第8页
8
浏览型号M74HCT4053的Datasheet PDF文件第9页
9
 
本平台电子爱好着纯手工中文简译:截至2020/5/17日,支持英文词汇500个
1/12九月 2001
低 电源 耗散:
抄送
= 4
µ
一个 (最大值.) 在 t
一个
=25°C
逻辑 水平 翻译 至 启用
ttl 逻辑 信号 至 沟通
±
5v 模拟 信号
低 "开启" 电阻:
70
典型值 (v
抄送
- v
ee
= 4.5v)
50
典型值 (v
抄送
- v
ee
= 9v)
宽 模拟 输入 电压 范围:
±
6V
= 13ns (典型值.) 在 t
一个
= 25 °c
低 串扰 之间 开关
高 开关 输出 电压 比率
宽 操作 供应 电压
范围 (v
抄送
- v
ee
) = 2v 至 12v
低 正弦 波浪 失真:
0.02% 在 v
抄送
- v
ee
= 9v
兼容 与 ttl 产出:
v
ih
= 2v(最小.) v
il
= 0.8v (最大值.)
管脚 和 功能 兼容 与
74 系列 4053
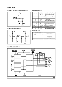
描述
这 m74hct4053 是 一个 三倍 双通道 模拟
多路复用器/多路分解器 预制
与 硅 闸门 c
2
mos 技术 和 它 是 管脚
至 管脚 兼容 与 这 等效 金属 闸门
cmos4000b 系列.
它 包含 6 双向 和 数字 受控
模拟 开关.
一个 内置 水平 换档 是 包括 至 允许 一个 输入
范围 向上 至
±
6v (峰值) 用于 一个 模拟 信号 与
数字 控制 信号 的 0 至 6v.
v
ee
供应 管脚 是 提供 用于 模拟 输入
信号. 它 有 一个 抑制 (inh) 输入 终端 至
禁用 全部 这 开关 当 高, 兼容
与 ttl 输出 水平. 用于 操作 作为 一个 数字
多路复用器/多路分解器, vee 是 c已连接 至
地. 一个, b 和 c 控制 输入 选择 一个 的 一个 对
的 频道, 他们 是 兼容 与 ttl 输出
水平.
全部 输入 是 配备 与 保护 电路
反对 静态 放电 和 瞬态 超额
电压.
M74HCT4053
三倍 2-频道
模拟 多路复用器/多路分解器
管脚 连接 和 iec 逻辑 符号
订单 代码
包装 导管 t &放大器; 右
倾角
M74HCT4053B1R
SOP
M74HCT4053M1R M74HCT4053RM13TR
TSSOP
M74HCT4053TTR
TSSOPDIP SOP
资料评论区:
点击回复标题作者最后回复时间

标 题:
内 容:
用户名:
手机号:    (*未登录用户需填写手机号,手机号不公开,可用于网站积分.)
      
关于我们 | 联系我们
电    话13410210660             QQ : 84325569   点击这里与集成电路资料查询网联系
联系方式: E-mail:CaiZH01@163.com