>┊
首页 | 最新需求 | 最新现货 | IC库存 | 供应商 | IC英文资料库 | IC中文资料库 | IC价格 | 电路图 | 应用资料 | 技术资料
 IC型号: 
您现在的位置:首页 >  IC英文资料库 进入手机版 
 
资料编号:1101356
 
资料名称:TC1684
 
文件大小: 304K
   
说明
 
介绍:
Inverting Charge Pump Voltage Doublers with Active High Shutdown
 
 


: 点此下载
 
1
浏览型号TC1684的Datasheet PDF文件第2页
2
浏览型号TC1684的Datasheet PDF文件第3页
3
浏览型号TC1684的Datasheet PDF文件第4页
4
浏览型号TC1684的Datasheet PDF文件第5页
5
浏览型号TC1684的Datasheet PDF文件第6页
6
浏览型号TC1684的Datasheet PDF文件第7页
7
浏览型号TC1684的Datasheet PDF文件第8页
8
浏览型号TC1684的Datasheet PDF文件第9页
9
 
本平台电子爱好着纯手工中文简译:截至2020/5/17日,支持英文词汇500个
©
2005 微芯片 技术 公司 ds21395c-第页 1
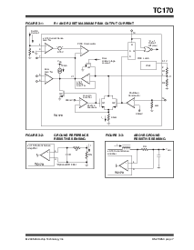
TC170
特点
低 供应 电流 与 cmos 技术:
3.8ma 最大值
内部 参考: 5.1v
快 上升/坠落 次 (c
l
= 1000pf): 50nsec
双 推拉 产出
直接-电源 场效应晶体管 驱动器
高 图腾柱 输出 驱动器: 300ma
差速器 电流感应 放大器
可编程 电流 限制
软启动 操作
双-脉冲 抑制
宽 供应 电压 操作: 8v 至 16v
高 频率 操作: 200khz
可用 与 低 关 州 产出
低 电源, 引脚兼容 更换 用于
UC3846
应用程序
开关 电源 供应品
直流/直流 转换器
电机 控制
设备 选择 表
概述 描述
这 tc170 优惠 最大值 供应 电流 的 3.8ma.
双极性 电流模式 控制 综合 电路 需要
五个 次 更多 操作 电流.
这 双 图腾柱 cmos 产出 驱动器 电源
mosfets 或 双极性 晶体管. 这 50nsec 典型
输出 上升 和 坠落 次 (1000pf 电容式 荷载)
最小化 场效应晶体管 电源 耗散. 输出 峰值
电流 是 300ma.
这 tc170 包含 一个 已满 阵列 的 系统-保护
电路 (请参见 特点 截面).
电流模式 控制 让我们 用户 平行 电源 供应
模块. 两个 或 更多 tc170 控制器 可以 是 奴隶
一起 用于 平行 操作. 电路 可以 操作
从 一个 主人 tc170 内部 振荡器 或 一个 外部
系统 振荡器.
这 tc170 操作 从 一个 8v 至 16v 电源 供应.
一个 内部 2%, 5.1v 参考 最小化 外部
组件 计数. 这 tc170 是 管脚 兼容 与
这 unitrode uc1846/uc2846/uc3846 双极性
控制器.
其他 优点 固有的 入点 电流模式 控制
包括 上级 线 和 荷载 法规 和 自动
对称性 校正 入点 推拉 转换器.
包装 类型
零件 号码 包装 温度 范围
TC170COE 16-管脚 soic (宽) 0°c 至 +70°c
TC170CPE 16-管脚 pdip (窄) 0°c 至 +70°c
TC170CPE
SHDN
dd
软 开始/
lim
v
参考
出点
– 我
感觉
入点
+ 我
感觉
入点
+ 错误 放大器 入点
CMPTR
o
– 错误 放大器 入点
备注:
产出 低 入点 "关" 州.
入点
c
o
1
2
3
4
16
15
5
6
7
9
8
1
2
3
4
15
16
14
13
5
6
7
12
11
10
9
8
TC170COE
软 开始/
lim
v
参考
出点
– 我
sense
入点
+ 我
sense
入点
+ 错误 放大器 入点
CMPTR
– 错误 放大器 入点
c
o
SHDN
v
dd
输出 b
输出 一个
同步
o
v
入点
16-管脚 soic (宽)
16-管脚 pdip (窄)
cmos 电流 模式 pwm 控制器
废弃的 设备
资料评论区:
点击回复标题作者最后回复时间

标 题:
内 容:
用户名:
手机号:    (*未登录用户需填写手机号,手机号不公开,可用于网站积分.)
      
关于我们 | 联系我们
电    话13410210660             QQ : 84325569   点击这里与集成电路资料查询网联系
联系方式: E-mail:CaiZH01@163.com