>┊
首页 | 最新需求 | 最新现货 | IC库存 | 供应商 | IC英文资料库 | IC中文资料库 | IC价格 | 电路图 | 应用资料 | 技术资料
 IC型号: 
您现在的位置:首页 >  IC英文资料库 进入手机版 
 
资料编号:1127635
 
资料名称:CY28401OXCT
 
文件大小: 480K
   
说明
 
介绍:
100-MHz Differential Buffer for PCI Express and SATA
 
 


: 点此下载
 
1
浏览型号CY28401OXCT的Datasheet PDF文件第2页
2
浏览型号CY28401OXCT的Datasheet PDF文件第3页
3
浏览型号CY28401OXCT的Datasheet PDF文件第4页
4
浏览型号CY28401OXCT的Datasheet PDF文件第5页
5
浏览型号CY28401OXCT的Datasheet PDF文件第6页
6
浏览型号CY28401OXCT的Datasheet PDF文件第7页
7
浏览型号CY28401OXCT的Datasheet PDF文件第8页
8
浏览型号CY28401OXCT的Datasheet PDF文件第9页
9
 
本平台电子爱好着纯手工中文简译:截至2020/5/17日,支持英文词汇500个
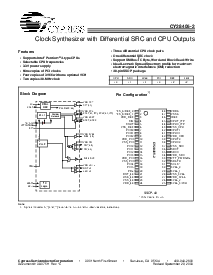
时钟 合成器 与 差速器 src 和 cpu 产出
cy28405-2
CypressSemiconductorCorporation
3901NorthFirstStreet SanJose, ca 95134 408-943-2600
文件 #: 38-07511 rev. *c 修订 spetember 29, 2003
特点
支架 英特尔
Pentium
®
4-类型 cpus
可选择 cpu 频率
3.3v 电源 供应
四 副本 的 3v66 与 一个 可选 vch
两个 副本 48-mhz 时钟
三个 差速器 cpu 时钟 对
一个 差速器 src 时钟
支持 smbus/我
2
c 字节, 字 和 块 阅读/ 写
理想 lexmark 传播 光谱 配置文件 用于 最大值
电磁 干扰 (emi) 减少
48-管脚 ssop 包装
备注:
1. 信号 已标记 与 [*] 和 [**] 有 内部 上拉 和 下拉 电阻, 分别.
CPU src 3V66 PCI 参考 48M
x 3 x 1 x 4 x 9 x 2 x 2
块 图表
管脚 配置
ssop-48
~
vdd_参考
XTAL
pll 参考 频率
XOUT
vdd_pci
osc
SCLK
pll 1
2
c
逻辑
vdd_48mhz
SDATA
vdd_3v66
分隔器
网络
vdd_cpu
fs_(一个:b)
PD#
参考(0:1)
vtt_pwrgd#
IREF
3v66_(0:2)
pcif(0:2)
pci(0:5)
圆点_48
3v66_3/vch
2
PLL2
cput(0:1, itp), cpuc(0:1, itp)
vdd_srct
srct, srcc
usb_48
*fs_一个/参考_0
*fs_b/参考_1
XOUT
vss_参考
PCIF0
PCIF1
PCIF2
vdd_pci
vss_pci
PCI0
PCI1
PCI2
PCI3
vdd_pci
vss_pci
PCI4
PCI5
PD#
圆点_48
usb_48
vss_48
vdd_48
VDDA
VSSA
vdd_src
SRCT
SRCC
vss_src
CPUT0
CPUC0
vdd_cpu
CPUT1
CPUC1
vss_cpu
cput_itp
cpuc_itp
SCLK*
SDATA*
3v66_0
vtt_pwrgd#
IREF
vdd_3v66
3v66_2
3v66_3/vch
48
47
46
45
44
43
42
41
40
39
38
37
36
35
34
33
32
31
30
29
28
27
26
25
1
2
3
4
5
6
7
8
9
10
11
12
13
14
15
16
17
18
19
20
21
22
23
24
cy28405-2
vdd_参考
3v66_1
vss_3v66
* 100k 内部 上拉
[1]
资料评论区:
点击回复标题作者最后回复时间

标 题:
内 容:
用户名:
手机号:    (*未登录用户需填写手机号,手机号不公开,可用于网站积分.)
      
关于我们 | 联系我们
电    话13410210660             QQ : 84325569   点击这里与集成电路资料查询网联系
联系方式: E-mail:CaiZH01@163.com