>┊
首页 | 最新需求 | 最新现货 | IC库存 | 供应商 | IC英文资料库 | IC中文资料库 | IC价格 | 电路图 | 应用资料 | 技术资料
 IC型号: 
您现在的位置:首页 >  IC英文资料库 进入手机版 
 
资料编号:145241
 
资料名称:ATtiny13-24SJ
 
文件大小: 2074.48K
   
说明
 
介绍:
8-bit AVR Microcontroller with 1K Bytes In-System Programmable Flash
 
 


: 点此下载
 
1
浏览型号ATtiny13-24SJ的Datasheet PDF文件第2页
2
浏览型号ATtiny13-24SJ的Datasheet PDF文件第3页
3
浏览型号ATtiny13-24SJ的Datasheet PDF文件第4页
4
浏览型号ATtiny13-24SJ的Datasheet PDF文件第5页
5
浏览型号ATtiny13-24SJ的Datasheet PDF文件第6页
6
浏览型号ATtiny13-24SJ的Datasheet PDF文件第7页
7
浏览型号ATtiny13-24SJ的Datasheet PDF文件第8页
8
浏览型号ATtiny13-24SJ的Datasheet PDF文件第9页
9
 
本平台电子爱好着纯手工中文简译:截至2020/5/17日,支持英文词汇500个
2535b–avr–01/04
特点
高 业绩, 低 电源 avr
®
8-有点 微控制器
高级 risc 体系结构
120 强大的 说明 – 大多数 单独 时钟 循环 执行
32 x 8 概述 目的 工作 寄存器
完全 静态 操作
非挥发性 程序 和 数据 回忆
1k 字节 的 在系统内 可编程 程序 记忆 闪光灯
64 字节数 在系统内 可编程 可擦可编程只读存储器
耐力: 100,000 写/擦除 循环次数
64 字节数 内部 sram
编程 锁 用于 自我编程 闪光灯 程序 和 可擦可编程只读存储器 数据
安全
外围设备 特点
一个 8-有点 计时器/计数器 与 预分频器 和 两个 pwm 频道
4-频道, 10-有点 adc 与 内部 电压 参考
可编程 看门狗 计时器 与 分开 片上 振荡器
片上 模拟 比较器
特殊 微控制器 特点
debugwire 片上 调试 系统
在系统内 可编程 通过 spi 港口
外部 和 内部 中断 来源
低 电源 慢车, adc 噪声 减少, 和 掉电 模式
增强型 通电 重置 电路
可编程 棕色-out 检测 电路
内部 已校准 振荡器
我/o 和 软件包
8-管脚 pdip/soic: 六个 可编程 我/o 线条
操作 电压:
1.8 - 5.5v 用于 attiny13v
2.7 - 5.5v 用于 attiny13
速度 等级
attiny13v: 0 - 6 mhz @ 1.8 - 5.5v, 0 - 12 mhz @ 2.7 - 5.5v
attiny13: 0 - 12 mhz @ 2.7 - 5.5v, 0 - 24 mhz @ 4.5 - 5.5v
工业 温度 范围
低 电源 消费
活动 模式:
1 mhz, 1.8v: 240µa
掉电 模式:
&指示灯; 0.1µa 在 1.8v
管脚 配置
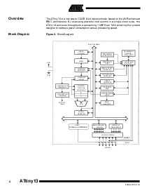
图 1.
引出线 attiny13
1
2
3
4
8
7
6
5
(pcint5/重置/adc0/dw) pb5
(pcint3/clki/adc3) pb3
(pcint4/adc2) pb4
VCC
pb2 (sck/adc1/t0/pcint2)
pb1 (miso/ain1/oc0b/int0/pcint1)
pb0 (mosi/ain0/oc0a/pcint0)
pdip/soic
8-有点
微控制器
与 1k 字节数
在系统内
可编程
闪光灯
tny13
初步
rev. 2535b–avr–01/04
资料评论区:
点击回复标题作者最后回复时间

标 题:
内 容:
用户名:
手机号:    (*未登录用户需填写手机号,手机号不公开,可用于网站积分.)
      
关于我们 | 联系我们
电    话13410210660             QQ : 84325569   点击这里与集成电路资料查询网联系
联系方式: E-mail:CaiZH01@163.com