>┊
首页 | 最新需求 | 最新现货 | IC库存 | 供应商 | IC英文资料库 | IC中文资料库 | IC价格 | 电路图 | 应用资料 | 技术资料
 IC型号: 
您现在的位置:首页 >  IC英文资料库 进入手机版 
 
资料编号:1506
 
资料名称:XC6201P301TB
 
文件大小: 483.91K
   
说明
 
介绍:
Positive Voltage Regulators
 
 


: 点此下载
 
1
浏览型号XC6201P301TB的Datasheet PDF文件第2页
2
浏览型号XC6201P301TB的Datasheet PDF文件第3页
3
浏览型号XC6201P301TB的Datasheet PDF文件第4页
4
浏览型号XC6201P301TB的Datasheet PDF文件第5页
5
浏览型号XC6201P301TB的Datasheet PDF文件第6页
6
浏览型号XC6201P301TB的Datasheet PDF文件第7页
7
浏览型号XC6201P301TB的Datasheet PDF文件第8页
8
浏览型号XC6201P301TB的Datasheet PDF文件第9页
9
 
本平台电子爱好着纯手工中文简译:截至2020/5/17日,支持英文词汇500个
185
3
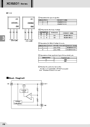
这 xc6201 系列 是 高度 精确, 低 电源 消费, 正
电压 调节器 已制造 使用 cmos 和 激光 修整
技术.
这 系列 提供 大型 电流 与 一个 显著 小 辍学
电压.
这 xc6201 由 的 一个 电流 限幅器 电路, 一个 驾驶员 晶体管, 一个
精度 参考 电压 和 一个 错误 放大器. 输出 电压 是
可选择 入点 0.1v 步骤 之间 1.3v ~ 6.0v.
sot-25 (250mw), sot-89 (500mw) 和 to-92 (300mw) 软件包 是
可用.
最大值 输出 电流
: 250ma (典型值.)
辍学 电压
: 0.16v @ 100ma
最大值 操作 电压
: 10V
输出 电压 范围
: 1.3v ~ 6.0v
(可选择 入点 0.1v 步骤)
高度 准确
: ± 2%
低 电源 消费
: 典型值 2.0
µ
一个
运营 温度 范围
: -40°c ~ 85°c
超 小 软件包
: sot-25 (250mw),
sot-89 (500mw),
至-92 (300mw)
电容器 可以 是 钽 或 陶瓷
移动电话 电话
无绳 电话
摄像头, 视频 记录器
便携式 游戏
便携式 av 设备
参考 电压
蓄电池 通电 设备
cmos 低 电源 消费
辍学 电压 : 0.16v @ 100ma,
0.40v @ 200ma
最大值 输出 电流
:
250ma (v
出点
=5.0v, 典型值)
输出 电压 范围 : 1.3v ~ 6.0v
sot-25 / sot-89 / 至-92 包装
电容器 可以 是 钽 或 陶瓷
µ
°
c
°
c
°
c
µµ
资料评论区:
点击回复标题作者最后回复时间

标 题:
内 容:
用户名:
手机号:    (*未登录用户需填写手机号,手机号不公开,可用于网站积分.)
      
关于我们 | 联系我们
电    话13410210660             QQ : 84325569   点击这里与集成电路资料查询网联系
联系方式: E-mail:CaiZH01@163.com