>┊
首页 | 最新需求 | 最新现货 | IC库存 | 供应商 | IC英文资料库 | IC中文资料库 | IC价格 | 电路图 | 应用资料 | 技术资料
 IC型号: 
您现在的位置:首页 >  IC英文资料库 进入手机版 
 
资料编号:211521
 
资料名称:CA3194E
 
文件大小: 98.44K
   
说明
 
介绍:
Single Chip PAL Luminance/Chroma Processor
 
 


: 点此下载
 
1
浏览型号CA3194E的Datasheet PDF文件第2页
2
浏览型号CA3194E的Datasheet PDF文件第3页
3
浏览型号CA3194E的Datasheet PDF文件第4页
4
浏览型号CA3194E的Datasheet PDF文件第5页
5
浏览型号CA3194E的Datasheet PDF文件第6页
6
浏览型号CA3194E的Datasheet PDF文件第7页
7
浏览型号CA3194E的Datasheet PDF文件第8页
8
浏览型号CA3194E的Datasheet PDF文件第9页
9
 
本平台电子爱好着纯手工中文简译:截至2020/5/17日,支持英文词汇500个
注意事项: 这些 设备 是 敏感 至 静电 放电. 用户 应该 跟着 适当的 集成电路 搬运 程序.
版权
©
harris 公司 1997
7-56
半导体
CA3194
单独 芯片 pal
亮度/色度 处理器
描述
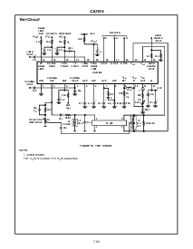
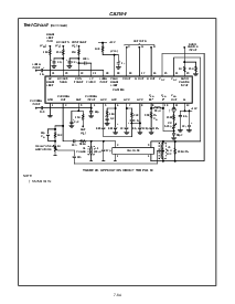
这 harris ca3194e 是 一个 硅 单片 综合 电路
设计 至 执行 全部 的 这 信号 加工 功能 用于 两者都有
这 色度 和 亮度 信号 的 pal 颜色 电视 接收器.
这个 电路 执行 全部 这 功能 需要 之间 这 视频
检测器 和 这 视频 rgb 输出 阶段. 直流 对比度, 明亮-
ness, 和 饱和度 控件 和 平均值 梁 限制 功能
是 包括. 这 rgb 缓冲区 阶段 是 有能力 的 交付
5ma 的 电流 进入 这 视频 输出 阶段.
备注:
以前 开发人员. 否. ta10313.
订购 信息
零件
号码
温度
范围 包装
CA3194E -40
o
c 至 +85
o
c 24 铅 pdip
特点
全部 pal 亮度 和 色度 加工
电路 开启 一个 单独 芯片 入点 一个 24-铅 塑料
包装
锁相 副载波 regeneration 利用
采样和保持
饱和度 功能
输入 用于 平均值 梁-电流 限制
对比度 控制 拥有 优秀 间距 的
亮度 和 色度 频道
低-lmpedance rgb 产出 与 优秀
间距 用于 直接 联轴器 至 视频 驾驶员
电路
将 1997
引出线
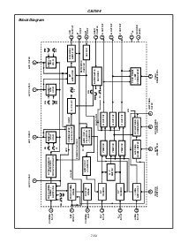
CA3194
(pdip)
顶部 查看
1
2
3
4
5
6
7
8
9
10
11
12
色度 出点
sat. 控制.
色度 输入
acc 过滤器
acc 过滤器
apc 过滤器
apc 过滤器
90
o
输入
0
o
输入
v
一氧化碳
输出
v
抄送
16
17
18
19
20
21
22
23
24
15
14
13
aver. 梁
图片 控制
低 通过
亮度 输入
峰值 梁
g 输出
v
右-y
输入
v
b-y
输入
SANDCASTLE
亮度
右 输出
b 输出
信息
控制
水平
过滤器
终端 电压 和 电流 额定值
终端
电压 (备注 1) -v 电流 - ma
最小 最大值
入点
出点
1 ----
2 0 13 0 30
30810-
405--
5 0 备注 - -
6 - - 0.1 0.5
7 0 备注 - -
8 0 备注 - -
908--
10 0 8 - 0.7
11 0 13 - 10
12 0 13 - -
13 0 12 - -
14 0 5 - 1.5
15 0 5 - 1.5
16 0 13 - 10
17 0 13 - 10
18 0 13 - 10
19 0 备注 - -
20 0 5 - -
21 0 备注 - -
22 0 8 - -
23 0 5 - -
24 0 12 - -
备注:
1. 这 最大值 应该 不 超过 这 v
抄送
电压. 电压 与 尊重 至
终端 1 用于 v
抄送
(终端 12) 的 12v
±
10%.
文件 号码
1270.3
t 推荐 用于 新建 设计
资料评论区:
点击回复标题作者最后回复时间

标 题:
内 容:
用户名:
手机号:    (*未登录用户需填写手机号,手机号不公开,可用于网站积分.)
      
关于我们 | 联系我们
电    话13410210660             QQ : 84325569   点击这里与集成电路资料查询网联系
联系方式: E-mail:CaiZH01@163.com