>┊
首页 | 最新需求 | 最新现货 | IC库存 | 供应商 | IC英文资料库 | IC中文资料库 | IC价格 | 电路图 | 应用资料 | 技术资料
 IC型号: 
您现在的位置:首页 >  IC英文资料库 进入手机版 
 
资料编号:211540
 
资料名称:CA3079
 
文件大小: 811.01K
   
说明
 
介绍:
Zero-Voltage Switches for 50Hz-60Hz and 400Hz Thyristor Control Applications
 
 


: 点此下载
 
1
浏览型号CA3079的Datasheet PDF文件第2页
2
浏览型号CA3079的Datasheet PDF文件第3页
3
浏览型号CA3079的Datasheet PDF文件第4页
4
浏览型号CA3079的Datasheet PDF文件第5页
5
浏览型号CA3079的Datasheet PDF文件第6页
6
浏览型号CA3079的Datasheet PDF文件第7页
7
浏览型号CA3079的Datasheet PDF文件第8页
8
浏览型号CA3079的Datasheet PDF文件第9页
9
 
本平台电子爱好着纯手工中文简译:截至2020/5/17日,支持英文词汇500个
3
®
ca3059, ca3079
零电压 开关 用于 50hz-60hz 和
400hz thyristor 控制 应用程序
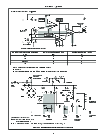
描述
这 ca3059 和 ca3079 零电压 开关 是 单声道-
lithic 硅 综合 电路 设计 至 控制 一个 thyristor
入点 一个 品种 的 交流电 电源 开关 应用程序 用于 交流电 输入
电压 的 24v, 120v, 208/230v, 和 277v 在 50hz-60hz
和 400hz. 每个 的 这 零电压 开关 包含
4 功能 块 (请参见 这 功能 块 图表) 作为
跟随:
交流电 线.
2. 差速器 开关 感应 放大器 - 测试 这 条件
的 外部 传感器 或 命令 信号. 滞后 或
比例-控制 能力 将 很容易 是 实施-
ed 入点 这个 截面.
3. 过零 检测器 - 同步 这 输出 脉冲
的 这 电路 在 这 时间 当 这 交流电 循环 是 在 零 电压-
年龄 点; 从而 消除 收音机-频率 interfer-
ence (rfi) 当 已使用 与 电阻 荷载.
4. 三端双向可控硅开关 浇口 电路 - 提供 高电流 脉冲 至 这
闸门 的 这 电源 控制 thyristor.
入点 加法, 这 ca3059 提供 这 以下内容 重要
辅助 功能 (请参见 这 功能 块 图表).
1. 一个 内置 保护 电路 那 将 是 actuated 至 删除
驱动器 从 这 三端双向可控硅开关 如果 这 传感器 打开 或 短裤.
2. thyristor firing 将 是 抑制 通过 这 行动 的 一个
内部 二极管 闸门 已连接 至 终端 1.
3. 高功率 直流 比较器 操作 是 提供 由 结束-
骑行 这 行动 的 这 过零 检测器. 这个 是 交流电-
complished 由 正在连接 终端 12 至 终端 7.
闸门 电流 至 这 thyristor 是 连续 当 终端
13 是 正 与 尊重 至 终端 9.
这 ca3059 和 ca3079 是 提供的 入点 14 铅 双-入点-
线 塑料 软件包.
特点
•relay 控制
阀门 控制
同步 开关 的 flashing 灯
on-off 电机 开关
差速器 比较器 与 独立的 电源
供应 用于 工业 应用程序
photosensitive 控制
电源 一枪 控制
加热器 控制
灯 控制
类型 特点
ca3059 ca3079
24v, 120v, 208/230v, 277v 在 50/60 . . .
或 400hz 操作
XX
差速器 输入 . . . . . . . . . . . . . . . . . . x x
低 余额 输入 电流 (最大值) -
µ
一个. . . 1 2
内置 保护 电路 用于 . . . . . . . .
已打开 或 短路 传感器 (期限 14)
XX
传感器 范围 (rx) - k
. . . . . . . . . . . . . 2 - 100 2 - 50
直流 模式 (期限 12) . . . . . . . . . . . . . . . . x
外部 触发器 (期限 6) . . . . . . . . . . . x
外部 抑制 (期限 1). . . . . . . . . . . . x
直流 供应 伏特 (最大值) . . . . . . . . . . . . . 14 10
操作 温度 范围 (
o
c) . . . -55 至 +125
订购 信息
零件 号码 温度 包装
CA3059 -55
o
c 至 +125
o
c 14 铅 塑料 倾角
CA3079 -55
o
c 至 +125
o
c 14 铅 塑料 倾角
fn490.5
oct 1999
引出线
ca3059 (pdip)
顶部 查看
ca3079 (pdip)
顶部 查看
1
2
3
4
5
6
7
14
13
12
11
10
9
8
故障安全
感觉 放大器 入点
zcd 超控
右 驾驶员 (com)
感觉 放大器 参考
普通
右 驾驶员 v
+
抑制
直流 供应
触发器 出点
交流电 入点
触发器 入点
普通
高 电流
尼格. 触发器
1
2
3
4
5
6
7
14
13
12
11
10
9
8
感觉 放大器 入点
右 驾驶员 (com)
感觉 放大器 参考
普通
做 不 使用
做 不 使用
右 驾驶员 v
+
直流 供应
触发器 出点
交流电 入点
普通
高 电流
尼格. 触发器
做 不 使用
做 不 使用
o
B
s
o
l
e?
t
e?
p
o
d
U
c
t
n
o
e?
c
o
m
m
e?
n
d
e?
d
e?
p
l
一个
c
e?
m
e?
n
t
o
u
t
e?
c
h
n
c
一个
l
s
u
p
p
o
t
c
e?
n
t
e?
一个
t
1
-
8
8
8
-
n
t
e?
s
l
o
w
w
w
.
n
t
e?
s
l
.
c
o
m
/
t
s
c
注意事项: 这些 设备 是 敏感 至 静电 放电; 跟着 适当的 集成电路 搬运 程序.
1-888-intersil 或 321-724-7143
|
intersil (和 设计) 是 一个 商标 的 intersil 美洲 公司
版权 © intersil 美洲 公司 2002. 全部 权利 保留
资料评论区:
点击回复标题作者最后回复时间

标 题:
内 容:
用户名:
手机号:    (*未登录用户需填写手机号,手机号不公开,可用于网站积分.)
      
关于我们 | 联系我们
电    话13410210660             QQ : 84325569   点击这里与集成电路资料查询网联系
联系方式: E-mail:CaiZH01@163.com