>┊
首页 | 最新需求 | 最新现货 | IC库存 | 供应商 | IC英文资料库 | IC中文资料库 | IC价格 | 电路图 | 应用资料 | 技术资料
 IC型号: 
您现在的位置:首页 >  IC英文资料库 进入手机版 
 
资料编号:211697
 
资料名称:CA3165
 
文件大小: 67.91K
   
说明
 
介绍:
Electronic Switching Circuit
 
 


: 点此下载
 
1
浏览型号CA3165的Datasheet PDF文件第2页
2
浏览型号CA3165的Datasheet PDF文件第3页
3
浏览型号CA3165的Datasheet PDF文件第4页
4
浏览型号CA3165的Datasheet PDF文件第5页
5
浏览型号CA3165的Datasheet PDF文件第6页
6
 
本平台电子爱好着纯手工中文简译:截至2020/5/17日,支持英文词汇500个
注意事项: 这些 设备 是 敏感 至 静电 放电. 用户 应该 跟着 适当的 我.c. 搬运 程序.
版权
©
harris 公司 1999
10-25
[ /标题 (ca3165)
/主题 (电子 开关 电路)
/author ()
/keywords ()
/creator ()
/docinfo pdfmark
[ /pagemode /useoutlines
/docview pdfmark
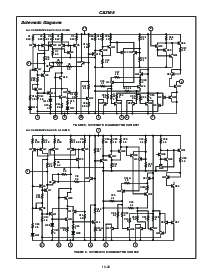
CA3165
电子 开关 电路
描述
这 ca3165 是 一个 单独 芯片 电子 开关 电路
预期 主要 用于 ignition 应用程序. 它 包括 一个
振荡器 那 是 振幅-已调制 由 这 转子 齿 的 一个
分配器, 一个 检测器 那 开发 这 正 继续 modu-
计算 信封, 一个 施密特 触发器 那 消除 开关
不确定性. 两者都有 类型 包括 两个 互补 高
电流 已切换 产出 用于 驾驶 电源 晶体管 请求-
ing 向上 至 120ma. 这 ca3165e 也 包括 两个 comple-
金属 低 电流 产出 那 合并 内部 电流
泰德 输入 有能力 的 开关 27ma.
这 ca3165 是 提供的 入点 这 8 铅 双列直插式 塑料
包装 (e? suffix) 和 入点 这 14 铅 双列直插式 塑料
包装 (e1 suffix).
特点
开关 已启动 由 阻尼 的 内部 振荡器
接近 感应 的 旋转 动议
可重复 计时 的 开关 国家
五个 产出 - 两个 互补 对 和 一个
非反相 输出 ca3165e1
两个 产出 - 一个 互补 对 ca3165e
零件 号码 信息
零件
号码 温度 包装
CA3165E -40
o
c 至 +85
o
c 8 铅 塑料 倾角
CA3165E1 -40
o
c 至 +85
o
c 14 铅 塑料 倾角
文件 号码
1278.3
将 1999
引出线
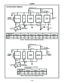
ca3165 (pdip)
顶部 查看
ca3165 (pdip)
顶部 查看
osc fb
感觉
输出
1
2
3
4
8
7
6
5
fb_rf
V+
det_出点
inv_出点
osc fb
感觉
输出
+SIGNAL
inv_出点
–SIGNAL
nc
fb_右
f
V+
nc
det_出点
ampl_入点
ampl_出点
1
2
3
4
5
6
7
14
13
12
11
10
9
8
废弃的 产品
否 推荐 更换
呼叫 中央 应用程序 1-800-442-7747
或 电子邮件: centapp@harris.com
资料评论区:
点击回复标题作者最后回复时间

标 题:
内 容:
用户名:
手机号:    (*未登录用户需填写手机号,手机号不公开,可用于网站积分.)
      
关于我们 | 联系我们
电    话13410210660             QQ : 84325569   点击这里与集成电路资料查询网联系
联系方式: E-mail:CaiZH01@163.com