>┊
首页 | 最新需求 | 最新现货 | IC库存 | 供应商 | IC英文资料库 | IC中文资料库 | IC价格 | 电路图 | 应用资料 | 技术资料
 IC型号: 
您现在的位置:首页 >  IC英文资料库 进入手机版 
 
资料编号:215974
 
资料名称:CDCVF857DGGG4
 
文件大小: 475.59K
   
说明
 
介绍:
2.5-V PHASE-LOCK LOOP CLOCK DRIVER
 
 


: 点此下载
 
1
浏览型号CDCVF857DGGG4的Datasheet PDF文件第2页
2
浏览型号CDCVF857DGGG4的Datasheet PDF文件第3页
3
浏览型号CDCVF857DGGG4的Datasheet PDF文件第4页
4
浏览型号CDCVF857DGGG4的Datasheet PDF文件第5页
5
浏览型号CDCVF857DGGG4的Datasheet PDF文件第6页
6
浏览型号CDCVF857DGGG4的Datasheet PDF文件第7页
7
浏览型号CDCVF857DGGG4的Datasheet PDF文件第8页
8
浏览型号CDCVF857DGGG4的Datasheet PDF文件第9页
9
 
本平台电子爱好着纯手工中文简译:截至2020/5/17日,支持英文词汇500个

    
scas047d −march 2003 − 修订 六月 2005
1
post 办公室 框 655303
达拉斯市, 德州 75265
推荐 应用程序:
− ddr 记忆 模块
(ddr400/333/266/200)
− 零 延迟 扇出 缓冲区
传播 光谱 时钟 兼容
操作 频率: 60 mhz 至 220 mhz
低 抖动 (循环-循环):
±
35 ps
低 静态 相位 偏移量:
±
50 ps
低 抖动 (期间):
±
30 ps
1-至-10 差速器 时钟 分布
(sstl2)
最好 入点 类 用于 v
OX
= v
dd
/2
±
0.1 v
操作 从 双 2.6-v 或 2.5-v 供应品
可用 入点 一个 40-管脚 mlf 包装, 48-管脚
tssop 包装, 56-球 microstar junior
bga 包装
消耗 &指示灯; 100-
µ
一个 静态 电流
外部 反馈 针脚 (fbin, fbin) 是
已使用 至 同步 这 产出 至 这
输入 时钟
满足/超过 电子元件工业联合会 标准
(jesd82−1) 用于 ddri-200/266/333
规格
满足/超过 建议 ddri-400
规格 (jesd82−1a)
进入 低功耗 模式 当 否 clk
输入 信号 是 已应用 或 pwrdwn 是 低
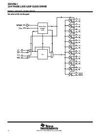
描述
这 cdcvf857 是 一个 高-业绩, 低偏斜, 低-抖动, 零-延迟缓冲区 那 分发
输入 对 (clk, clk
) 至 10 差速器 对 的 时钟 产出 (y[0:9], y[0:9]) 和 一个 dif铁电位 对 的 反馈
时钟产出 (fbout,FBOUT
). 这 时钟 产出 是 受控 由 这 时钟 输入 (clk, clk), 这 反馈
时钟 (fbin, fbin
), 和 这 模拟 电源 输入 (av
dd
). 当 pwrdwn是 高, 这 产出 开关 入点 相位
和 频率 与 clk. 当 pwrdwn
是 低, 全部 产出 是 已禁用 至 一个 高阻抗 州 (3-州)
和 这 pll 是 关闭 向下 (低-电源 模式). 这 设备 也 进入 这个 低功耗 模式 当 这 输入
频率 瀑布 下面 一个 建议 检测 频率 那 是 下面 20 mhz (典型 10 mhz). 一个 输入
频率检测 电路 检测 这 低 频率 条件 和, 之后 申请 一个 >20-mhz 输入 信号, 这个
检测 电路 圈数 这 pll 开启 和 启用 这 产出.
当 av
dd
是 strapped 低, 这 pll是 翻转 关 和 旁路 用于测试一下 目的. 这 cdcvf857 是 也 能
至 轨道 传播 光谱 时钟 用于 减少 emi.
因为 这cdcvf857 是 基于 开启 pll 电路, 它 需要 一个 稳定 时间 至 实现 锁相 的 这
pll.这个 稳定 时间 是 必填项 以下内容 电源 向上. 这 cdcvf857 是 表征 用于 两者都有 商业
和 工业 温度 范围.
可用 选项
t
一个
tssop (dgg) 40-管脚 mlf 56-球 bga
−40
°
c 至 85
°
c
CDCVF857DGG
(铅-免费)
CDCVF857RTB CDCVF857GQL
−40
°
c 至 85
°
c
CDCVF857RHA
(铅-免费, 绿色)
最大值 荷载 推荐 是 12 pf 用于 200 mhz. 在 12-pf 荷载, 最大值 t
一个
允许 是 70
°
c.
版权
2005, 德州 仪器仪表 股份公司
请 是 意识到 那 一个 重要 通知 关于 可用能力, 标准 保修, 和 使用 入点 关键 应用程序 的
德州 仪器仪表 半导体 产品 和 免责声明 对此 出现 在 这 结束 的 这个 数据 工作表.
        
         
       
   
资料评论区:
点击回复标题作者最后回复时间

标 题:
内 容:
用户名:
手机号:    (*未登录用户需填写手机号,手机号不公开,可用于网站积分.)
      
关于我们 | 联系我们
电    话13410210660             QQ : 84325569   点击这里与集成电路资料查询网联系
联系方式: E-mail:CaiZH01@163.com