>┊
首页 | 最新需求 | 最新现货 | IC库存 | 供应商 | IC英文资料库 | IC中文资料库 | IC价格 | 电路图 | 应用资料 | 技术资料
 IC型号: 
您现在的位置:首页 >  IC英文资料库 进入手机版 
 
资料编号:244889
 
资料名称:UPD2845GR-E2
 
文件大小: 144.52K
   
说明
 
介绍:
1 V, 1.3 mA, 94MHz PLL SYNTHESIZER LSI FOR PAGER SYSTEM
 
 


: 点此下载
 
1
浏览型号UPD2845GR-E2的Datasheet PDF文件第2页
2
浏览型号UPD2845GR-E2的Datasheet PDF文件第3页
3
浏览型号UPD2845GR-E2的Datasheet PDF文件第4页
4
浏览型号UPD2845GR-E2的Datasheet PDF文件第5页
5
浏览型号UPD2845GR-E2的Datasheet PDF文件第6页
6
浏览型号UPD2845GR-E2的Datasheet PDF文件第7页
7
浏览型号UPD2845GR-E2的Datasheet PDF文件第8页
8
浏览型号UPD2845GR-E2的Datasheet PDF文件第9页
9
 
本平台电子爱好着纯手工中文简译:截至2020/5/17日,支持英文词汇500个
数据 工作表
cmos 数字 综合 电路
p
pp
p
PD2845GR
1 v, 1.3 ma, 94mhz pll 合成器 lsi
用于 pager 系统
1994©
文件 否. p12150ej2v0ds00 (2nd 版本)
(上一个 否. 集成电路-3291)
日期 已发布 二月 1997 n
pi di j
数据 工作表
描述
p
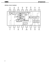
pd2845gr 是 一个 pll 合成器 lsi 用于 pager 系统. 这个 lsi 是 已制造 使用 低 电压 cmos
流程 和 因此 已实现 这 低 电源 消费 pll 操作 开启 1 v, 1.3 ma. 这个 lsi 是 已打包 入点 16
管脚 塑料 ssop 适合 用于 高密度 表面 安装. 所以, 这个 产品 贡献 至 生产 一个 长-生活-
蓄电池 和 物理-小 pager 系统.
特点
操作 频率 : · 输入 频率 : f
入点
= 10 mhz 至 94 mhz
· 参考 振荡 频率 : f
x’tal
= 12.8 mhz
低 供应 电压 : · pll 块 : v
DD1
= 1.00 v 至 1.15 v @ f
入点
= 10 mhz 至 70 mhz
v
DD1
= 1.05 v 至 1.15 v @ f
入点
= 10 mhz 至 94 mhz
· 费用 泵 块: v
DD2
= 3.0 v ± 300 mv
低 电源 消费
dd
= 1.3 ma 典型值 @ f
入点
= 70 mhz, f
x’tal
= 12.8 mhz
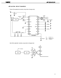
配备 与 省电 功能
串行 数据 可以 是 已收到 入点 省电 模式.
已打包 入点 16 管脚 塑料 ssop 适合 用于 高密度 表面 安装.
订购 信息
零件 号码 包装 供应 窗体
p
pd2845gr-e1 16 管脚 塑料 ssop
(225 密耳)
压花 胶带 12 mm 宽. 数量 2.5 k/卷轴
管脚 1 是 入点 胶带 拉出 方向.
p
pd2845gr-e2 16 管脚 塑料 ssop
(225 密耳)
压花 胶带 12 mm 宽. 数量 2.5 k/卷轴
管脚 1 是 入点 胶带 横滚-入点 方向.
* 至 订单 评价 样品, 请 联系人 你的 本地 nec 销售 办公室 (订单 号码 :
p
pd2845gr).
管脚 分配
v
DD1
f
入点
右前
重置
行政主任
EOP
EON
XI
XO
clk
数据
ps
nc
v
DD2
(顶部 查看)
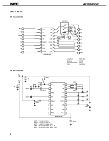
注意事项 电-静态 敏感 设备
资料评论区:
点击回复标题作者最后回复时间

标 题:
内 容:
用户名:
手机号:    (*未登录用户需填写手机号,手机号不公开,可用于网站积分.)
      
关于我们 | 联系我们
电    话13410210660             QQ : 84325569   点击这里与集成电路资料查询网联系
联系方式: E-mail:CaiZH01@163.com