>┊
首页 | 最新需求 | 最新现货 | IC库存 | 供应商 | IC英文资料库 | IC中文资料库 | IC价格 | 电路图 | 应用资料 | 技术资料
 IC型号: 
您现在的位置:首页 >  IC英文资料库 进入手机版 
 
资料编号:294546
 
资料名称:TSC2046EIZQCR
 
文件大小: 554.72K
   
说明
 
介绍:
Low Voltage I/O TOUCH SCREEN CONTROLLER
 
 


: 点此下载
 
1
浏览型号TSC2046EIZQCR的Datasheet PDF文件第2页
2
浏览型号TSC2046EIZQCR的Datasheet PDF文件第3页
3
浏览型号TSC2046EIZQCR的Datasheet PDF文件第4页
4
浏览型号TSC2046EIZQCR的Datasheet PDF文件第5页
5
浏览型号TSC2046EIZQCR的Datasheet PDF文件第6页
6
浏览型号TSC2046EIZQCR的Datasheet PDF文件第7页
7
浏览型号TSC2046EIZQCR的Datasheet PDF文件第8页
8
浏览型号TSC2046EIZQCR的Datasheet PDF文件第9页
9
 
本平台电子爱好着纯手工中文简译:截至2020/5/17日,支持英文词汇500个
特点
zz
zz
z
相同 引出线 作为 ads7846
zz
zz
z
2.2v 至 5.25v 操作
zz
zz
z
1.5v 至 5.25v 数字 我/o
zz
zz
z
内部 2.5v 参考
zz
zz
z
直接 蓄电池 测量 (0v 至 6v)
zz
zz
z
片上 温度 测量
zz
zz
z
触摸-压力 测量
zz
zz
z
QSPI
tm
和 spi
tm
3-电线 接口
zz
zz
z
自动 掉电
zz
zz
z
可用 入点 tssop-16, qfn-16, 和
vfbga-48 软件包
应用程序
zz
zz
z
个人 数字 助理
zz
zz
z
zz
zz
z
点-的-销售 接线端子
zz
zz
z
寻呼机
zz
zz
z
触摸 屏幕 显示器
zz
zz
z
低 电压 我/o
触摸 屏幕 控制器
描述
这 tsc2046 是 一个 下一代 版本 至 这 ads7846
4-电线 触摸 屏幕 控制器 哪个 支架 一个 低电压
我/o 接口 从 1.5v 至 5.25v. 这 tsc2046 是 100% 管脚-
兼容 与 这 现有 ads7846, 和 将 掉落 进入 这
相同 插座. 这个 允许 用于 容易 升级 的 电流 应用程序-
阳离子 至 这 新建 版本. 这 tsc2046 也 有 一个 开启-
芯片 2.5v 参考 那 可以 是 已使用 用于 这 辅助 输入,
蓄电池 显示器, 和 温度 测量 模式. 这
参考 可以 也 是 通电 向下 当 不 已使用 至
保存 电源. 这 内部 参考 操作 向下 至
2.7v 供应 电压, 同时 监测 这 蓄电池 电压
从 0v 至 6v.
这 低功耗 消费 的 &指示灯; 0.75mw 典型值 在 2.7v (参考-
ence 关), 高速 (向上 至 125khz 样品 费率), 和 开启-
芯片 驱动程序 制造 这 tsc2046 一个 理想 选择 用于 蓄电池-
操作 系统 这样的 作为 个人 数字 助理 (pdas)
与 电阻 触摸 屏幕, 寻呼机, 细胞 电话, 和
其他 便携式 设备. 这 tsc2046 是 可用 入点
tssop-16, qfn-16, 和 vfbga-48 软件包 和 是 规格-
已确定 结束 这 –40°c 至 +85°c 温度 范围.
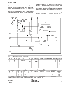
CDAC
内部 2.5v
参考
sar
TSC2046
比较器
6-channel
mux
Serial
Data
入点/出点
Temperature
传感器
Pen
检测
Battery
显示器
DOUT
BUSY
cs
DCLK
din
v
蝙蝠
辅助
v
参考
+V
抄送
IOVDD
X+
X–
Y+
Y–
PENIRQ
TSC2046
sbas265c – october 2002 – 修订 july 2004
www.ti.com
版权 © 2002-2004, 德州 仪器仪表 股份公司
请 是 意识到 那 一个 重要 通知 关于 可用性, 标准 保修, 和 使用 入点 关键 应用程序 的
德州 仪器仪表 半导体 产品 和 免责声明 对此 出现 在 这 结束 的 这个 数据 工作表.
美国 专利 否. 6246394
qspi 和 spi 是 已注册 商标 的 摩托罗拉.
生产 数据 信息 是 电流 作为 的 出版物 日期.
产品 符合 至 规格 按 这 条款 的 德州 仪器仪表
标准 保修. 生产 加工 是否 不 必然 包括
测试 的 全部 参数.
®
t
s
c
2
0
4
6
®
t
s
c
2
0
4
6
®
t
s
c
2
0
4
6
资料评论区:
点击回复标题作者最后回复时间

标 题:
内 容:
用户名:
手机号:    (*未登录用户需填写手机号,手机号不公开,可用于网站积分.)
      
关于我们 | 联系我们
电    话13410210660             QQ : 84325569   点击这里与集成电路资料查询网联系
联系方式: E-mail:CaiZH01@163.com