>┊
首页 | 最新需求 | 最新现货 | IC库存 | 供应商 | IC英文资料库 | IC中文资料库 | IC价格 | 电路图 | 应用资料 | 技术资料
 IC型号: 
您现在的位置:首页 >  IC英文资料库 进入手机版 
 
资料编号:338952
 
资料名称:STR710FZ2T6
 
文件大小: 678.85K
   
说明
 
介绍:
ARM7TDMI? 16/32-BIT MCU WITH FLASH, USB, CAN 5 TIMERS, ADC, 10 COMMUNICATIONS INTERFACES
 
 


: 点此下载
 
1
浏览型号STR710FZ2T6的Datasheet PDF文件第2页
2
浏览型号STR710FZ2T6的Datasheet PDF文件第3页
3
浏览型号STR710FZ2T6的Datasheet PDF文件第4页
4
浏览型号STR710FZ2T6的Datasheet PDF文件第5页
5
浏览型号STR710FZ2T6的Datasheet PDF文件第6页
6
浏览型号STR710FZ2T6的Datasheet PDF文件第7页
7
浏览型号STR710FZ2T6的Datasheet PDF文件第8页
8
浏览型号STR710FZ2T6的Datasheet PDF文件第9页
9
 
本平台电子爱好着纯手工中文简译:截至2020/5/17日,支持英文词汇500个
april 2005 1/49
这个 是 初步 信息 开启 一个 新建 产品 现在 入点 发展 或 正在进行 评价. 详细信息 是 主题 至 变更 机智hout 通知.
rev. 6
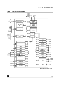
STR71xF
ARM7TDMI
16/32-有点 mcu 与闪光灯, usb, 可以
5 计时器, adc, 10 通信 接口
初步 数据
回忆
向上 至 256+16 千字节 闪光灯 记忆 (100,000
向上 至 64 千字节 ram
外部 记忆 接口 (emi) 用于 向上 至 4
银行 的 sram, 闪光灯, rom.
多-引导 能力
时钟, 重置 和 供应 管理
3.3v 应用程序 供应 和 我/o 接口
内部 1.8v 电压 调节器 用于 核心 供应
0 至 16 mhz 外部 主 振荡器
32 khz 外部备份 振荡器
嵌入式 pll 用于 cpu 时钟
向上 至 50 mhz cpu 操作 频率 当
执行 从 闪光灯
实时 时钟 用于 时钟-日历 功能
4 电源 正在保存 模式: 慢, 等待, 停止
和 备用 模式
嵌套 中断 控制器
快 中断 搬运与 多个 向量
32 向量 与 16 irq 优先 级别
2 可掩膜 fiq 来源
向上 至 48 我/o 端口
30/32/48 多功能 双向 我/o 线条
14 端口 与 interrupt 能力
5 计时器
16-有点 看门狗 计时器
4 16-有点 计时器 与: 2 输入 捕获, 2 输出
比较, pwm 和 脉冲 计数器 模式
10 通信 接口
–2 我
2
c 接口 (1 多路复用 与 spi)
4 uart 异步 串行 接口
智能 卡片 iso7816-3 接口 开启 uart1
2 bspi 同步串行 接口
可以 接口 (2.0b 活动)
usb v 2.0 已满 速度 (12mbit/s) 设备 功能-
操作 与 挂起 和 简历 支持
hdlc 同步 通信
4-频道 12-有点 一个/d 变频器
换算 时间:
4 频道: 向上 至 500 赫兹 (2 ms)
1 频道: 向上 至 1 khz (1 ms)
发展 工具 支持
jtag 与 调试 模式 触发器 请求
表 1.
设备 摘要
TQFP64
10 x 10
TQFP144
20 x 20
LFBGA64
8 x 8 x 1.7
lfbga144 10 x 10 x 1.7
lfbga64 8 x 8 x 1.7
特点
STR710FZ STR711FR STR712FR STR715FR
12012012 0
闪光灯 - 千字节 128+16 256+16 64+16 128+16 256+16 64+16 128+16 256+16 64+16
ram - 千字节 32 64 16 32 64 16 32 64 16
外围设备 功能
可以, emi, usb,
48 我/操作系统
usb, 30 我/操作系统 可以, 32 我/操作系统 32 我/操作系统
操作 电压 3.0 至 3.6v (可选 1.8v 用于 core)
操作 温度 -40 至 +85°c
软件包
t
=tqfp144 20 x 20
h
=lfbga144 10 x10
t
=tqfp64 10 x10 /
h
=lfbga64 8 x 8 x 1.7
1
资料评论区:
点击回复标题作者最后回复时间

标 题:
内 容:
用户名:
手机号:    (*未登录用户需填写手机号,手机号不公开,可用于网站积分.)
      
关于我们 | 联系我们
电    话13410210660             QQ : 84325569   点击这里与集成电路资料查询网联系
联系方式: E-mail:CaiZH01@163.com