>┊
首页 | 最新需求 | 最新现货 | IC库存 | 供应商 | IC英文资料库 | IC中文资料库 | IC价格 | 电路图 | 应用资料 | 技术资料
 IC型号: 
您现在的位置:首页 >  IC英文资料库 进入手机版 
 
资料编号:367237
 
资料名称:HA13153A
 
文件大小: 85.86K
   
说明
 
介绍:
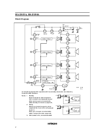
15 W X 4-Channel BTL Power IC
 
 


: 点此下载
 
1
浏览型号HA13153A的Datasheet PDF文件第2页
2
浏览型号HA13153A的Datasheet PDF文件第3页
3
浏览型号HA13153A的Datasheet PDF文件第4页
4
浏览型号HA13153A的Datasheet PDF文件第5页
5
浏览型号HA13153A的Datasheet PDF文件第6页
6
浏览型号HA13153A的Datasheet PDF文件第7页
7
浏览型号HA13153A的Datasheet PDF文件第8页
8
浏览型号HA13153A的Datasheet PDF文件第9页
9
 
本平台电子爱好着纯手工中文简译:截至2020/5/17日,支持英文词汇500个
ha13153a, ha13154a
15 w
×
4-频道 btl 电源 集成电路
ade-207-181b (z)
3rd 版本
jul. 1999
描述
这 ha13153a/ha13154a 是 高 输出 和 低 失真 4 ch btl 电源 集成电路 设计 用于 数字 汽车
音频.
在 13.2 v 至 4
荷载, 这个 电源 集成电路 提供 输出 电源 15 w 与 10% 失真.
功能
4 ch btl 电源 放大器
内置 备用 电路
内置 静音 电路
内置 保护 电路 (浪涌, t.s.d, 和 aso)
特点
很少 外部 零件 铅 至 紧凑型 设置-面积 可能性 比 ha13150a/ha13151/ha13152 (c: 3, r:
1)
爆裂 噪声 最小化
低 输出 噪声
内置 高 可靠性 保护 电路
管脚 至 管脚 与 ha13150a/ha13151/ha13152/ha13155
资料评论区:
点击回复标题作者最后回复时间

标 题:
内 容:
用户名:
手机号:    (*未登录用户需填写手机号,手机号不公开,可用于网站积分.)
      
关于我们 | 联系我们
电    话13410210660             QQ : 84325569   点击这里与集成电路资料查询网联系
联系方式: E-mail:CaiZH01@163.com