>┊
首页 | 最新需求 | 最新现货 | IC库存 | 供应商 | IC英文资料库 | IC中文资料库 | IC价格 | 电路图 | 应用资料 | 技术资料
 IC型号: 
您现在的位置:首页 >  IC英文资料库 进入手机版 
 
资料编号:367244
 
资料名称:HA2-2620-2
 
文件大小: 120.48K
   
说明
 
介绍:
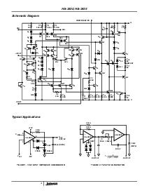
100MHz, High Input Impedance, Very Wideband, Uncompensated Operational Amplifiers
 
 


: 点此下载
 
1
浏览型号HA2-2620-2的Datasheet PDF文件第2页
2
浏览型号HA2-2620-2的Datasheet PDF文件第3页
3
浏览型号HA2-2620-2的Datasheet PDF文件第4页
4
浏览型号HA2-2620-2的Datasheet PDF文件第5页
5
浏览型号HA2-2620-2的Datasheet PDF文件第6页
6
浏览型号HA2-2620-2的Datasheet PDF文件第7页
7
浏览型号HA2-2620-2的Datasheet PDF文件第8页
8
浏览型号HA2-2620-2的Datasheet PDF文件第9页
9
 
本平台电子爱好着纯手工中文简译:截至2020/5/17日,支持英文词汇500个
1
哈-2620, 哈-2625
100mhz, 高 输入 阻抗, 很
宽带, uncompensated 运营
放大器
哈-2620/2625 双极性 运营 放大器 功能
很 高 输入 阻抗 (500m
, 哈-2620) 耦合 与
宽带 交流电 业绩. 这 高 电阻 的 这 输入
舞台 是 补充 由 低 偏移量 电压 (0.5mv,
哈-2620) 偏差 偏移量 电流 (1na, 哈-2620)
促进 准确 信号 加工. 输入 偏移量 可以 是
减少 进一步 由 手段 的 一个 外部 归零
电位计. 这 100mhz 增益 带宽 产品
(哈-2620/2625 稳定 用于 已关闭 回路 收益 更大
5), 35v/
µ
s 回转 费率 和 150kv/v 打开 回路 增益 启用
哈-2620/2625 执行 增益 Amplii 快,
宽带 信号. 这些 动态 特性, 耦合
与 快 沉降 次, 制造 这些 放大器 理想情况下 适合
至 脉冲 Amplii 设计 作为 井 作为 高 频率
(e?.g., 视频) 应用程序. 这 频率 响应 的 这
放大器 可以 是 量身定制 至 精确 设计 要求 由
手段 一个 外部 带宽 控制 电容器 已连接
从 这 比较 管脚 至 地.
入点 加法 至 其 应用程序 入点 脉冲 和 视频 放大器
设计, 哈-2620/2625 是 特别是 适合 至 其他 高
业绩 设计 这样的 作为 高增益 低 失真 音频
放大器, 高-q 和 宽带 活动 filters 和 高-
速度 比较器. 用于 更多 信息, 请 参考 至
应用程序 备注 an509, an519 和 an546.
这 哈-2620 是 提供 作为 /883 军事 等级. 密耳-标准-
883 数据 工作表 可用 请求. intersil AnswerFAX
(321-724-7800) 文件 #3701.
特点
增益 带宽 产品 (一个
v
5) . . . . . . . . . . . . . 100mhz
高 输入 阻抗 . . . . . . . . . . . . . . . . . . . . . 500M
低 输入 偏差 电流. . . . . . . . . . . . . . . . . . . . . . . . 1nA
低 输入 偏移量 电流 . . . . . . . . . . . . . . . . . . . . . . 1nA
低 输入 偏移量 电压 . . . . . . . . . . . . . . . . . . . . 0.5mv
高 增益 . . . . . . . . . . . . . . . . . . . . . . . . . . . . . . 150kv/v
回转 费率 . . . . . . . . . . . . . . . . . . . . . . . . . . . . . . . . 35v/
µ
s
输出 短 电路 保护
补偿 管脚 用于 统一 增益 能力
应用程序
视频 和 rf 放大器
脉冲 放大器
音频 放大器 和 过滤器
高-q 活动 过滤器
高 速度 比较器
低 失真 振荡器
引出线
哈-2625 (pdip, soic)
顶部 查看
哈-2620, 哈-2625 (金属 可以)
顶部 查看
订购 信息
零件 号码
(品牌)
温度
范围 (
o
c) 包装
pkg.
否.
ha2-2620-2 -55 至 125 8 管脚 金属 可以 t8.c
ha2-2625-5 0 至 75 8 管脚 金属 可以 t8.c
ha3-2625-5 0 至 75 8 ld pdip e8.3
ha9p2625-5
(h26255)
0 至 75 8 ld soic m8.15
ha9p2625-9
(h26259)
-40 至 85 8 ld soic m8.15
1
2
3
4
8
7
6
5
+
余额
-入点
+IN
v-
比较
V+
出点
余额
-
比较
出点-入点
余额
+IN
V+
余额
2
4
6
1
3
7
5
8
+
v-
-
数据 工作表 十一月 1999 文件 号码
2903.4
注意事项: 这些 设备 是 敏感 至 静电 放电; 跟着 适当的 集成电路 搬运 程序.
1-888-intersil 或 321-724-7143 | 版权 © intersil 公司 1999
资料评论区:
点击回复标题作者最后回复时间

标 题:
内 容:
用户名:
手机号:    (*未登录用户需填写手机号,手机号不公开,可用于网站积分.)
      
关于我们 | 联系我们
电    话13410210660             QQ : 84325569   点击这里与集成电路资料查询网联系
联系方式: E-mail:CaiZH01@163.com