>┊
首页 | 最新需求 | 最新现货 | IC库存 | 供应商 | IC英文资料库 | IC中文资料库 | IC价格 | 电路图 | 应用资料 | 技术资料
 IC型号: 
您现在的位置:首页 >  IC英文资料库 进入手机版 
 
资料编号:387108
 
资料名称:HSP45116AVC-52
 
文件大小: 114.94K
   
说明
 
介绍:
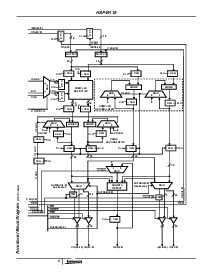
Numerically Controlled Oscillator/ Modulator
 
 


: 点此下载
 
1
浏览型号HSP45116AVC-52的Datasheet PDF文件第2页
2
浏览型号HSP45116AVC-52的Datasheet PDF文件第3页
3
浏览型号HSP45116AVC-52的Datasheet PDF文件第4页
4
浏览型号HSP45116AVC-52的Datasheet PDF文件第5页
5
浏览型号HSP45116AVC-52的Datasheet PDF文件第6页
6
浏览型号HSP45116AVC-52的Datasheet PDF文件第7页
7
浏览型号HSP45116AVC-52的Datasheet PDF文件第8页
8
浏览型号HSP45116AVC-52的Datasheet PDF文件第9页
9
 
本平台电子爱好着纯手工中文简译:截至2020/5/17日,支持英文词汇500个
1
文件 号码
2485.7
HSP45116
数值 受控
振荡器/调制器
这 intersil hsp45116 联合收割机 一个 高 业绩
正交 数值 受控 振荡器 (nco) 和 一个
高 速度 16-有点 复杂 乘数/蓄能器 (cmac)
开启 一个 单独 集成电路. 这个 组合 的 功能 允许 一个
复杂 向量 至 是 相乘 由 这 内部 已生成
(cos, 罪) 向量 用于 正交 调制 和
解调. 作为 显示 入点 这 块 图表, 这
hsp45116 是 分割 进入 三个 主 截面图. 这
相位/频率 控制 截面 (pfcs) 和 这
正弦/cosine 截面 一起 窗体 一个 复杂 nco. 这
CMAC 乘法 输出 正弦/ Cosine 截面
一个 外部 复杂 向量.
这 输入 至 这 相位/频率 控制 截面 组成
的 一个 微处理器 接口 和 个人 控制 线条.
相位 分辨率 PFCS 32 比特, 哪个 结果 入点
频率 分辨率 更好 比 0.008hz 在 33mhz. 这
输出 的 这 pfcs 是 这 参数 的 这 正弦 和 cosine.
这 杂散 免费 动态 范围 的 这 复杂 正弦曲线 是
更大 比 90dbc.
这 输出 向量 从 这 正弦/cosine 截面 是 一个 的 这
输入 至 这 复杂 乘数/蓄能器. 这 cmac
乘法 这个 (cos, 罪) 向量 由 一个 外部 复杂 向量
可以 累积 结果. 结果 复杂 向量
是 可用 通过 两个 20-有点 输出 端口 哪个 维护
这 90db 光谱 纯度. 这个 结果 可以 是 累计
内部 至 实施 一个 累积 和 转储 过滤器.
一个 正交 向下 变频器 可以 是 已实施 由
正在加载 一个 中心 频率 进入 这 相位/频率
控制 截面. 这 信号 至 是 向下 已转换 是 这
向量 输入 的 这 cmac, 哪个 乘法 这 数据 由 这
旋转 向量 从 这 正弦/cosine 截面. 这 结果
复杂 输出 是 这 向下 已转换 信号.
特点
nco 和 cmac 开启 一个 芯片
15mhz, 25.6mhz, 33mhz 版本
32-有点 频率 控制
16-有点 相位 调制
16-有点 cmac
0.008hz 调谐 分辨率 在 33mhz
杂散 频率 组件 &指示灯; -90dbc
完全 静态 cmos
应用程序
频率 合成
调制 - 上午, 调频, psk, fsk, qam
解调, pll
相位 换档器
极地 至 cartesian 转换
块 图表
订购 信息
零件 号码
温度
范围 (
o
c) 包装 pkg. 否.
hsp45116vc-15 0 至 70 160 ld mqfp q160.28x28
hsp45116vc-25 0 至 70 160 ld mqfp q160.28x28
hsp45116gc-15 0 至 70 145 ld cpga g145.一个
hsp45116gc-25 0 至 70 145 ld cpga g145.一个
hsp45116gc-33 0 至 70 145 ld cpga g145.一个
hsp45116gi-15 -40 至 85 145 ld cpga g145.一个
hsp45116gi-25 -40 至 85 145 ld cpga g145.一个
hsp45116gi-33 -40 至 85 145 ld cpga g145.一个
hsp45116gm-15/883 -55 至 125 145 ld cpga g145.一个
hsp45116gm-25/883 -55 至 125 145 ld cpga g145.一个
hsp45116avc-52 0 至 70 160 ld mqfp q160.28x28
这个 零件 自己的 数据 工作表 hsp45116a, AnswerFAX
文件 否. 4156.
相位/
频率
控制
截面
正弦/
COSINE
截面
CMAC
正弦/
COSINE
参数
cos
向量 输入
向量 输出
ri
ri
微处理器
接口
个人
控制 信号
数据 工作表 将 1999
注意事项: 这些 设备 是 敏感 至 静电 放电; 跟着 适当的 集成电路 搬运 程序.
http://www.intersil.com 或 407-727-9207
|
版权
©
intersil 公司 1999
资料评论区:
点击回复标题作者最后回复时间

标 题:
内 容:
用户名:
手机号:    (*未登录用户需填写手机号,手机号不公开,可用于网站积分.)
      
关于我们 | 联系我们
电    话13410210660             QQ : 84325569   点击这里与集成电路资料查询网联系
联系方式: E-mail:CaiZH01@163.com