>┊
首页 | 最新需求 | 最新现货 | IC库存 | 供应商 | IC英文资料库 | IC中文资料库 | IC价格 | 电路图 | 应用资料 | 技术资料
 IC型号: 
您现在的位置:首页 >  IC英文资料库 进入手机版 
 
资料编号:444488
 
资料名称:L8575
 
文件大小: 633.79K
   
说明
 
介绍:
Dual-Resistive,Low-Cost Subscriber Line Interface Circuit(SLIC)
 
 


: 点此下载
 
1
浏览型号L8575的Datasheet PDF文件第2页
2
浏览型号L8575的Datasheet PDF文件第3页
3
浏览型号L8575的Datasheet PDF文件第4页
4
浏览型号L8575的Datasheet PDF文件第5页
5
浏览型号L8575的Datasheet PDF文件第6页
6
浏览型号L8575的Datasheet PDF文件第7页
7
浏览型号L8575的Datasheet PDF文件第8页
8
浏览型号L8575的Datasheet PDF文件第9页
9
 
本平台电子爱好着纯手工中文简译:截至2020/5/17日,支持英文词汇500个
预付款 数据 工作表
march 1997
l8575 双-电阻, 低成本
订户 线 接口 电路 (slic)
特点
两个 频道 入点 一个 单独 包装
串行 数据 接口
每通道 断电
低 备用 电源 (
65 mw 按 频道)
综合 保护
否 外部 保护 设备 必填项
蓄电池 噪声 取消
switchhook 检测器
戒指-跳闸 检测器
switchhook 和 戒指-跳闸 检测器 自我测试一下
故障 检测器
零 戒指 电压 十字形 检测
三个 继电器 驱动程序 按 频道
44-管脚, 表面-安装, 塑料 包装 (plcc)
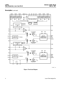
描述
这 l8575 是 一个 双-电阻, 低成本 订户
线 接口 电路 (slic) 那 是 优化 至 满足
两者都有 itu-t 建议 和 lssgr 需要-
部分 用于 600
/900
电阻 和 复杂 imped-
标准 终止 应用程序. 它 接口 这 低-
电压 电路 开启 一个 模拟 线 卡片 至 这 小费 和
戒指 的 两个 订户 循环. 这 l8575 是否 不
供应 直流 电流 至 这 订户 loops—external
电阻 是 已使用 用于 这个 目的. 这 设备 是 已建成
使用 一个 90 v 互补 双极性 (cbic) 流程
和 是 可用 入点 一个 44-管脚 plcc 包装.
资料评论区:
点击回复标题作者最后回复时间

标 题:
内 容:
用户名:
手机号:    (*未登录用户需填写手机号,手机号不公开,可用于网站积分.)
      
关于我们 | 联系我们
电    话13410210660             QQ : 84325569   点击这里与集成电路资料查询网联系
联系方式: E-mail:CaiZH01@163.com