>┊
首页 | 最新需求 | 最新现货 | IC库存 | 供应商 | IC英文资料库 | IC中文资料库 | IC价格 | 电路图 | 应用资料 | 技术资料
 IC型号: 
您现在的位置:首页 >  IC英文资料库 进入手机版 
 
资料编号:478187
 
资料名称:MD1711FG
 
文件大小: 192.16K
   
说明
 
介绍:
HIGH SPEED INTEGRATED ULTRASOUND DRIVER IC
 
 


: 点此下载
 
1
浏览型号MD1711FG的Datasheet PDF文件第2页
2
浏览型号MD1711FG的Datasheet PDF文件第3页
3
浏览型号MD1711FG的Datasheet PDF文件第4页
4
浏览型号MD1711FG的Datasheet PDF文件第5页
5
浏览型号MD1711FG的Datasheet PDF文件第6页
6
浏览型号MD1711FG的Datasheet PDF文件第7页
7
浏览型号MD1711FG的Datasheet PDF文件第8页
8
浏览型号MD1711FG的Datasheet PDF文件第9页
9
 
本平台电子爱好着纯手工中文简译:截至2020/5/17日,支持英文词汇500个
MD1711
rev.12 011005
1
初始 释放
高 速度, 综合 ultrasound 驾驶员 集成电路
特点
驱动器 两个 ultrasound 传感器 频道
生成 5-水平 波形
驱动器 12 高 电压 mosfets
±2.0a 来源 和 水槽 峰值 电流
向上 至 20mhz 输出 频率
12v/ns 回转 费率
±3ns 匹配 延迟 次
第二 谐波 是 较少 比 -40db
两个 分开 闸门 驱动器 电压
应用程序
医疗 ultrasound 成像
压电 传感器 驱动程序
金属 flaw 检测
nondestructive 评价
声纳 变送器
概述 描述
这 supertex md1711 是 一个 集成电路 用于 一个 两个-频道, 5-
水平, 高 电压 和 高速 变送器 驾驶员.
它 是 设计 用于 医疗 ultrasound 成像
应用程序 但是 可以 也 是 已使用 用于 金属 flaw
检测, nondestructive评价, 和 驾驶
压电 传感器.
这 md1711 是 一个 双通道 逻辑 控制器 电路
与 低 阻抗 场效应晶体管 闸门 驱动程序. 那里 是
两个 集 的 控制 逻辑 输入, 一个 用于 频道 一个 和
一个 用于 频道 b. 每个 频道 由 的 三个
对 的 场效应晶体管 闸门 驱动程序. 这些 驱动程序 是
设计 至 匹配 这 驱动器 要求 的 这
supertex tc6320. 这 md1711 驱动器 六个 tc6320s.
每个 对 一个 n通道 和 一个 p沟道 场效应晶体管.
他们 是 设计 至 有 这 相同 阻抗 和
可以 提供 峰值 电流 的 结束 2.0 安培数
.
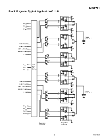
典型 应用程序 电路 (1 的 2 频道)
NR012505
v
nn
1
TC6320
+100V
-100v
+50V
-50v
0V
0V
30
32
34
44
39
41
37
设计验证
dd
2
设计验证
dd
2
设计验证
dd
1
设计验证
dd
1
v
ss
设计验证
dd
1
d
vss
-10v
设计验证
dd
1 设计验证
dd
2
1619 21
+10V
VL l
+3 .3 v
av s s
48
14
15
av
ss
选择
posa / pos1a
en
DGND
AGND
0
MD1711
(1/2 的 我/o)
su B
7
18
av s s
33
36
28
25
31
DGND
3540 4243
设计验证
ss
45
fb
av
dd
1
6
0
46
47
13
1
2
3
4
5
OUTPA1
OUTNA1
OUTPA2
OUTNA2
OUTPA3
OU TNA3
DGND
DGND
+5V
设计验证
dd
1
+1 0 v
设计验证
dd
2
+5 v
+10V
+1 0 v
26
DGND
+10V
-10v
-1 0 v
设计验证
dd
2DV
dd
1
设计验证
dd
1
传感器
0.22
µ
f
控制 逻辑
&放大器; 水平
翻译器
内加 / neg1a
hven1a / pos2a
hven2a / neg2a
ClampA
0.1
µ
f
0.1
µ
f
0.1
µ
f
0.22
µ
f
0.22
µ
f
0.22
µ
f
0.22
µ
f
0.22
µ
f
0.1
µ
f
10nF
10nF
10nF
10nF
1
µ
f
1
µ
f
1
µ
f
1
µ
f
v
nn
2
v
pp
2
v
pp
1
资料评论区:
点击回复标题作者最后回复时间

标 题:
内 容:
用户名:
手机号:    (*未登录用户需填写手机号,手机号不公开,可用于网站积分.)
      
关于我们 | 联系我们
电    话13410210660             QQ : 84325569   点击这里与集成电路资料查询网联系
联系方式: E-mail:CaiZH01@163.com