>┊
首页 | 最新需求 | 最新现货 | IC库存 | 供应商 | IC英文资料库 | IC中文资料库 | IC价格 | 电路图 | 应用资料 | 技术资料
 IC型号: 
您现在的位置:首页 >  IC英文资料库 进入手机版 
 
资料编号:559454
 
资料名称:TPS23750PWPR
 
文件大小: 2934.16K
   
说明
 
介绍:
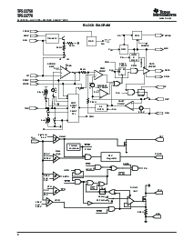
INTEGRATED 100-V IEEE 802.3af PD AND DC/DC CONTROLLER
 
 


: 点此下载
 
1
浏览型号TPS23750PWPR的Datasheet PDF文件第2页
2
浏览型号TPS23750PWPR的Datasheet PDF文件第3页
3
浏览型号TPS23750PWPR的Datasheet PDF文件第4页
4
浏览型号TPS23750PWPR的Datasheet PDF文件第5页
5
浏览型号TPS23750PWPR的Datasheet PDF文件第6页
6
浏览型号TPS23750PWPR的Datasheet PDF文件第7页
7
浏览型号TPS23750PWPR的Datasheet PDF文件第8页
8
浏览型号TPS23750PWPR的Datasheet PDF文件第9页
9
 
本平台电子爱好着纯手工中文简译:截至2020/5/17日,支持英文词汇500个
www.ti.com
FEATURESDESCRIPTION
应用程序
t
p
s
2
3
7
5
0
tl
V431
c
TMR
v
偏差
TMR
频率
闸门
com
RSN
辅助
RSP
fb
比较
v
偏差
v
dd
v
偏差
5
8
v
0.1 f
det
v
dd
v
ss
det
低 v
隔离
输出
c
偏差
模式
SENP
bl
RTN
从 备用
对 或
变压器
从 以太网
变压器
TPS23750
TPS23770
SLVS590A–JULY2005–REVISEDAUGUST2005
integrated100-vieee802.3afpdanddc/dccontroller
complete802.3afpoeinterface
TheTPS23750integratesthefunctionalityofthe
tps2375withaprimary-sidedc/dcpwmcontroller.
–FeaturesderivedfromtheTPS2375
thedesignercancreateafront-endsolutionfor
–100v,0.6
InternalPassMOSFET
poe-pdapplicationswithminimumexternal
–StandardandLegacyUVLOChoices
组件.thetps23770isidenticaltothe
–Fixed140mAInrushLimit
TPS23750withtheexceptionoftheundervoltage
lockoutturn-onvoltage,whichiscompatiblewith
primarysidedc/dcconvertercontrol
legacysystems.
–MinimumExternalComponentCount
ThePoEfrontendhasallthenecessaryIEEE
–CurrentModeControl
802.3affunctionsincludingdetection,分类,
–isolatedandnon-isolatedtopologies
undervoltagelockoutandinrushcontrol.thepoe
–ProgrammableOperatingFrequency
inputswitchisintegratedwithinthetps23750.
–currentsenseleading-edgeblanking
thedc/dccontrollersectionisdesignedtosupport
反激式,前进,andnonsynchronouslow-sideswitch
–50%DutyCycleLimiting
bucktopologies.
–VoltageOutputErrorAmplifier
TheexternalswitchingMOSFETandcurrentsense
InternalPoEandConverterSequencing
resistorprovideflexibilityintopology,powerlevel,和
行业-standard20leadpackage
currentlimit.thefull-featureddc/dccontrollerin-
工业温度:–40
°
Cto85
°
c
cludesprogrammablesoftstart,hiccuptypefault
限制,50%maximumdutycycle,可编程
constantswitchingfrequency,andatruevolt-
年龄-outputerroramplifier.additionalprotectionfea-
allpoepddevicesincluding:
turesprovideforrobustdesigns.
–WirelessAccessPoints
–VoIPPhones
–SecurityCameras
figure1.typicalapplication
pleasebeawarethatanimportantnoticeconcerningavailability,标准保修,anduseincriticalapplicationsoftexas
instrumentssemiconductorproductsanddisclaimerstheretoappearsattheendofthisdatasheet.
powerpadisatrademarkoftexasinstruments.
productiondatainformationiscurrentasofpublicationdate.
copyright©2005,texasinstrumentsincorporated
ProductsconformtospecificationsperthetermsoftheTexas
instrumentsstandardwarranty.productionprocessingdoesnot
必要包括测试所有参数.
资料评论区:
点击回复标题作者最后回复时间

标 题:
内 容:
用户名:
手机号:    (*未登录用户需填写手机号,手机号不公开,可用于网站积分.)
      
关于我们 | 联系我们
电    话13410210660             QQ : 84325569   点击这里与集成电路资料查询网联系
联系方式: E-mail:CaiZH01@163.com