>┊
首页 | 最新需求 | 最新现货 | IC库存 | 供应商 | IC英文资料库 | IC中文资料库 | IC价格 | 电路图 | 应用资料 | 技术资料
 IC型号: 
您现在的位置:首页 >  IC英文资料库 进入手机版 
 
资料编号:573827
 
资料名称:RC5050M
 
文件大小: 394.73K
   
说明
 
介绍:
Programmable DC-DC Converter for Lo Voltage
 
 


: 点此下载
 
1
浏览型号RC5050M的Datasheet PDF文件第2页
2
浏览型号RC5050M的Datasheet PDF文件第3页
3
浏览型号RC5050M的Datasheet PDF文件第4页
4
浏览型号RC5050M的Datasheet PDF文件第5页
5
浏览型号RC5050M的Datasheet PDF文件第6页
6
浏览型号RC5050M的Datasheet PDF文件第7页
7
浏览型号RC5050M的Datasheet PDF文件第8页
8
浏览型号RC5050M的Datasheet PDF文件第9页
9
 
本平台电子爱好着纯手工中文简译:截至2020/5/17日,支持英文词汇500个
电子产品
半导体 事业部
特点
可编程 输出 从 1.3v 至 3.5v
85% Ef 典型
1% 输出 准确度
振荡器 频率 可调 从 80khz 至 1mhz
片上 电源 不错 和 启用 功能
过电压 保护
折返 电流 限制
精度 已修整 低 tc 电压 参考
20 管脚 soic 包装
满足 英特尔 pentium
®
二 特定 使用 最小值
号码 的 外部 组件
应用程序
可编程 电源 供应 用于 pentium
电压 调节器 模块 (vrm) 用于 pentium 二
处理器
可编程 降压 电源 供应
描述
这 rc5050 是 一个 直流-直流 控制器 集成电路 哪个 提供 一个
准确, 可编程 输出 用于 全部 pentium 二 cpu 应用程序-
阳离子. 这 rc5050 用途 一个 5-有点 d/一个 变频器 至 程序
这 输出 电压 从 1.3v 至 3.5v. 这 rc5050 用途 一个
高 水平 的 集成 至 交付 荷载 电流 入点 超额 的
15a 从 一个 5v 来源 与 最小 外部 电路. 非-
同步 操作 允许 一个 低 成本 解决方案 用于 大多数
cpu 电源 供应 应用程序. 这 内部 振荡器 可以
是 编程 从 80khz 至 1mhz 用于 附加 flexi-
能力 入点 选择 外部 组件. 一个 车载 preci-
锡宁 低 tc 参考 达到 紧 公差 电压
法规 无 昂贵的 外部 组件. 这
rc5050 也 优惠 综合 功能 包括 电源
不错, 输出 启用, 过电压 保护 和 电流
限制.
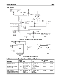
块 图表
数字
控制
+
1.24v
参考
5-有点
dac
65-5050-01
电源
不错
osc
PWRGD
VREF
VID0
VID1
VID2 VID4
VID3 启用
+
+
+
+5V
vo
RC5050
+12V
RC5050
可编程 直流-直流 变频器 用于 低 电压
微处理器
rev. 1.2.1
pentium 是 一个 已注册 商标 的 英特尔 公司.
资料评论区:
点击回复标题作者最后回复时间

标 题:
内 容:
用户名:
手机号:    (*未登录用户需填写手机号,手机号不公开,可用于网站积分.)
      
关于我们 | 联系我们
电    话13410210660             QQ : 84325569   点击这里与集成电路资料查询网联系
联系方式: E-mail:CaiZH01@163.com