>┊
首页 | 最新需求 | 最新现货 | IC库存 | 供应商 | IC英文资料库 | IC中文资料库 | IC价格 | 电路图 | 应用资料 | 技术资料
 IC型号: 
您现在的位置:首页 >  IC英文资料库 进入手机版 
 
资料编号:670605
 
资料名称:UDN2916LB-T
 
文件大小: 315.63K
   
说明
 
介绍:
DUAL FULL-BRIDGE PWM MOTOR DRIVER
 
 


: 点此下载
 
1
浏览型号UDN2916LB-T的Datasheet PDF文件第2页
2
浏览型号UDN2916LB-T的Datasheet PDF文件第3页
3
浏览型号UDN2916LB-T的Datasheet PDF文件第4页
4
浏览型号UDN2916LB-T的Datasheet PDF文件第5页
5
浏览型号UDN2916LB-T的Datasheet PDF文件第6页
6
浏览型号UDN2916LB-T的Datasheet PDF文件第7页
7
浏览型号UDN2916LB-T的Datasheet PDF文件第8页
8
 
本平台电子爱好着纯手工中文简译:截至2020/5/17日,支持英文词汇500个
双 全桥
pwm 电机 驾驶员
这 udn2916b, udn2916eb, 和 udn2916lb 电机 驱动程序 是
设计 至 驱动器 两者都有 绕组 的 一个 双极性 stepper 电机 或
双向 控制 两个 直流 电机. 两者都有 桥梁 是 有能力 的
维持 45 v 和 包括 内部 脉冲宽度 调制 (pwm)
控制 的 这 输出 电流 至 750 ma. 这 产出 有 被 opti-
已信息化 用于 一个 低 输出 饱和度 电压 掉落 (较少 比 1.8 v
合计 来源 加号 水槽 在 500 ma).
已开采 由 这 用户’s 选择 的 一个 参考 电压 和 感应
电阻. 两个 逻辑电平 输入 选择 输出 电流 限制 的 0, 33,
67, 或 100% 的 这 最大值 水平. 一个 相位 输入 至 每个 桥梁
确定 荷载 电流 方向.
这 桥梁 包括 两者都有 接地 卡箍 和 反激式 二极管 用于
保护 反对 归纳 瞬变. 内部 已生成 延误
防止 交叉 电流 当 开关 电流 方向. 特殊
通电 测序 是 不 必填项. 热 保护 电路
禁用 这 产出 如果 这 芯片 温度 超过 安全 操作
限制.
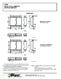
这 udn2916b 是 提供的 入点 一个 24-管脚 双 在线 塑料 batwing
包装 与 一个 铜 铅-框架 和 热量 sinkable tabs 用于 改进
电源 耗散 能力. 这 udn2916eb 是 提供的 入点 一个 44-铅
电源 plcc 用于 表面 安装 应用程序. 这 udn2916lb 是
提供的 入点 一个 24-铅 表面-可安装 soic. 他们的 batwing 施工-
操作 提供 用于 最大值 包装 电源 耗散 入点 这 最小
可能 施工. 这 udn2916b/eb/磅 是 可用 用于 歌剧-
操作 从 -40°c 至 +85°c. 至 订单, 变更 这 前缀 从 'udn' 至
'udq'. 这些 设备 是 也 可用 开启 特殊 订单 用于 操作
至 +105°c. 这 磅 包装 是 可用 入点 一个 无铅 版本 (100%
哑光 锡 引线框架).
特点
750 ma 连续 输出 电流
45 v 输出 维持 电压
内部 卡箍 二极管
低 输出 饱和度 电压
内部 热 停机 电路
类似 至 双 pbl3717, uc3770
总是 订单 由 完成 零件 号码:
零件 麻木er 包装
UDN2916B 24-管脚倾角
UDN2916EB 44-铅 plcc
UDN2916LB 24-铅SOIC
udn2916lb-t 24-铅 soic, 无铅
UDN2916B
(倾角)
1
2
3
4
5
6
7
8
9
24
23
22
21
20
19
18
17
16
15
14
13
12
11
10
9
θ
2
θ
1
v
抄送
2
v
bb
1
接地
接地
接地
接地
02
12
相位
2
v
参考 2
2
rc
1
rc
v
参考 1
相位
1
11
2B
出点
感觉
2
2
e?
2A
出点
1A
出点
1
e?
感觉
1
1B
出点
01
荷载
供应
逻辑
供应
dwg. pp-005
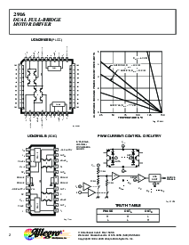
pwm 1
pwm 2
数据 工作表
29319.20f
绝对 最大值 额定值
在 t
j
≤≤
≤≤
150°C
电机 供应 电压, v
bb
....................
45 v
输出 电流, 我
出点
(峰值) ........................................
+1.0 一个
(连续) ..........................
+750 ma
逻辑 供应 电压, v
抄送
...................
7.0 v
逻辑 输入 电压 范围,
v
入点
.........................
-0.3 v 至 v
抄送
+0.3 v
输出 发射器 电压, v
e?
..................
1.5 v
包装 电源 耗散,
p
d
........................................................
请参见 图
操作 温度 范围,
t
一个
.................................
-20°c 至 +85°c
存储 温度 范围,
t
s
...............................
-55°c 至 +150°c
输出 电流 评级 将 是 有限 由 职责
循环, 环境 温度, 和 热量 下沉.
下 任何 设置 的 条件, 做 不 超过 这
指定 峰值 电流 评级 或 一个 接合点
温度 的 +150°c.
2916
资料评论区:
点击回复标题作者最后回复时间

标 题:
内 容:
用户名:
手机号:    (*未登录用户需填写手机号,手机号不公开,可用于网站积分.)
      
关于我们 | 联系我们
电    话13410210660             QQ : 84325569   点击这里与集成电路资料查询网联系
联系方式: E-mail:CaiZH01@163.com