>┊
首页 | 最新需求 | 最新现货 | IC库存 | 供应商 | IC英文资料库 | IC中文资料库 | IC价格 | 电路图 | 应用资料 | 技术资料
 IC型号: 
您现在的位置:首页 >  IC英文资料库 进入手机版 
 
资料编号:849796
 
资料名称:XC6203E242FB
 
文件大小: 506K
   
说明
 
介绍:
POSITIVE VOLTAGE REGULATORS
 
 


: 点此下载
 
1
浏览型号XC6203E242FB的Datasheet PDF文件第2页
2
浏览型号XC6203E242FB的Datasheet PDF文件第3页
3
浏览型号XC6203E242FB的Datasheet PDF文件第4页
4
浏览型号XC6203E242FB的Datasheet PDF文件第5页
5
浏览型号XC6203E242FB的Datasheet PDF文件第6页
6
浏览型号XC6203E242FB的Datasheet PDF文件第7页
7
浏览型号XC6203E242FB的Datasheet PDF文件第8页
8
浏览型号XC6203E242FB的Datasheet PDF文件第9页
9
 
本平台电子爱好着纯手工中文简译:截至2020/5/17日,支持英文词汇500个
239
3
这 xc6203e 系列 是 高度 精确, 低 电源 消费, 正
电压 调节器 已制造 使用 cmos 和 激光 修整
技术.
这 系列 提供 大型 电流 与 一个 显著 小 辍学
电压.
这 xc6203e 由 的 一个 驾驶员 晶体管, 一个 精度 参考
电压 和 一个 错误 放大器. 输出 电压 是 可选择 入点 0.1v 步骤
之间 一个 电压 的 1.8v 和 6.0v.
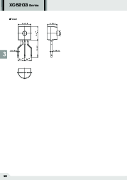
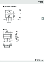
sot-89 (500mw), sot-223 (1200mw) 和 to-92 (300mw) package.
最大值 输出 电流
: 400mA
最大值 操作 电压
:8v
输出 电压 范围
: 1.8v ~ 6.0v
(可选择 入点 0.1v 步骤)
高度 准确
: ± 2%
低 电源 消费
: 典型值 8.0
µ
一个
输出 电压 温度 特性
: 典型值 ±100ppm/°c
运营 温度 范围
: -40°c ~ 85°c
超 小 软件包
: sot-89, sot223, 至-92
蓄电池 通电 设备
参考 电压 来源
摄像头, 视频 摄像头
光盘-roms, dvds
掌上电脑
便携式 音频 视频 设备
cmos 低 电源 消费 (16
µ
一个 最大值)
辍学 电压 : 150mv @ 100ma,
300mv @ 200ma
最大值 输出 电流
: 更多 比 400ma (3.3v)
高度 准确 : ± 2%
sot-89 / sot-223 / 至-92 包装
µ
°
c
°
c
°
c
µ
µ
资料评论区:
点击回复标题作者最后回复时间

标 题:
内 容:
用户名:
手机号:    (*未登录用户需填写手机号,手机号不公开,可用于网站积分.)
      
关于我们 | 联系我们
电    话13410210660             QQ : 84325569   点击这里与集成电路资料查询网联系
联系方式: E-mail:CaiZH01@163.com