>┊
首页 | 最新需求 | 最新现货 | IC库存 | 供应商 | IC英文资料库 | IC中文资料库 | IC价格 | 电路图 | 应用资料 | 技术资料
 IC型号: 
您现在的位置:首页 >  IC英文资料库 进入手机版 
 
资料编号:893098
 
资料名称:XC9536-6VQ44I
 
文件大小: 61K
   
说明
 
介绍:
XC9536 In-System Programmable CPLD
 
 


: 点此下载
 
1
浏览型号XC9536-6VQ44I的Datasheet PDF文件第2页
2
浏览型号XC9536-6VQ44I的Datasheet PDF文件第3页
3
浏览型号XC9536-6VQ44I的Datasheet PDF文件第4页
4
浏览型号XC9536-6VQ44I的Datasheet PDF文件第5页
5
浏览型号XC9536-6VQ44I的Datasheet PDF文件第6页
6
浏览型号XC9536-6VQ44I的Datasheet PDF文件第7页
7
 
本平台电子爱好着纯手工中文简译:截至2020/5/17日,支持英文词汇500个
12月 4, 1998 (version 5.0)
1
9
特点
5 ns pin-to-pin 逻辑delays 开启 全部 针脚
•f
cnt
to 100 mhz
36 宏单元 与 800 可用 盖茨
向上 至34 美国e?右 我/o pins
5 v 在系统内 程序m能 (isp)
-Endurance?的 10,000 程序/擦除 cycle?s
-程序/擦除over 已满 商业 电压 和
温度 范围
增强型 管脚-锁定 体系结构
灵活 36v18 功能B
-90 产品 条款 驱动器 任何 或 全部 的 18 宏单元
内 功能 块
-Glob一个l 一个d产品 期限 时钟, 输出 启用, 设置
和 rese?t 信号
分机e?nsive ieee std1149.1 boundary-sc一个n (jtag)
支持
可编程 电源 红色u运动 模式 入点 每个
宏单元
回转 费率 控制on individu铝 出点puts
用户 程序一个mmable?接地p入点 能力
分机e?nded 图案 秒urity 特点 用于设计 保护
高驱动 24m一个oUtutut也
3.3 v 或 5 v 我/ocapab能力
高级cmos 5v fastflashte?技术
支架 平行 专业版g夯实 的 更多 比 一个
xc9500 同时
一个可用 入点 44-管脚 plcc, 44-管脚 vqfp, 和48-管脚
csp 空调组件一个ges
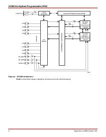
描述
这 xc9536 是一个 高-性能ormance?CPLD提供
advance?d 系统内m编程 和test一个bilities 用于
概述目的 逻辑集成. 它 是 由 的 two
36V18功能on 块, 提供800 可用 gates
道具一个gationde?铺设的 5 ns. 请参见Figure?2用于the?建筑结构-
真实overview.
电源 管理
powe?右 耗散 可以 是 减少 入点 这 xc9536by 配置-
uringmacro细胞 至 standard 或低功耗modes 的 歌剧-
操作. 未使用 宏单元 是 转弯e?doff 至 minimize采购订单wer
耗散.
操作gcurrent 用于 每个 设计 可以 是 近似值d用于
具体 操作 条件ons 使用 这 following 方程:
抄送
(ma)=
mc
HP
(1.7) + mc
lp
(0.9) + mc (0.006 ma/mhz) f
在哪里:
mc
HP
= 宏单元 入点 high-按formance 模式
mc
lp
= 宏单元 入点 low-采购订单wer 模式
mc =t奥塔尔 号码of 宏单元已使用
f = 时钟 频率 (mhz)
Figure?1显示 一个typical 计算 用于 这 xc9536 设备.
1
xc9536 在系统内 可编程
CPLD
12月 4, 1998 (ve?rsion 5.0)
11*
产品sp环保
时钟 频率 (mhz)
典型 我
抄送
(ma)
050
(50)
(30)
(83)
(50)
100
高 业绩
低 电源
X5920
图 1:typical 我
抄送
vs. 频率 用于 xc9536
资料评论区:
点击回复标题作者最后回复时间

标 题:
内 容:
用户名:
手机号:    (*未登录用户需填写手机号,手机号不公开,可用于网站积分.)
      
关于我们 | 联系我们
电    话13410210660             QQ : 84325569   点击这里与集成电路资料查询网联系
联系方式: E-mail:CaiZH01@163.com