>┊
首页 | 最新需求 | 最新现货 | IC库存 | 供应商 | IC英文资料库 | IC中文资料库 | IC价格 | 电路图 | 应用资料 | 技术资料
 IC型号: 
您现在的位置:首页 >  IC英文资料库 进入手机版 
 
资料编号:90885
 
资料名称:CD74HC4066ME4
 
文件大小: 291.36K
   
说明
 
介绍:
High-Speed CMOS Logic Quad Bilateral Switch
 
 


: 点此下载
 
1
浏览型号CD74HC4066ME4的Datasheet PDF文件第2页
2
浏览型号CD74HC4066ME4的Datasheet PDF文件第3页
3
浏览型号CD74HC4066ME4的Datasheet PDF文件第4页
4
浏览型号CD74HC4066ME4的Datasheet PDF文件第5页
5
浏览型号CD74HC4066ME4的Datasheet PDF文件第6页
6
浏览型号CD74HC4066ME4的Datasheet PDF文件第7页
7
浏览型号CD74HC4066ME4的Datasheet PDF文件第8页
8
浏览型号CD74HC4066ME4的Datasheet PDF文件第9页
9
 
本平台电子爱好着纯手工中文简译:截至2020/5/17日,支持英文词汇500个
1
数据 工作表 获得 从 harris 半导体
SCHS208D
特点
宽 模拟-输入-电压 范围 . . . . . . . . . . 0v - 10v
低 “on” 电阻
-v
抄送
= 4.5v. . . . . . . . . . . . . . . . . . . . . . . . . . . . . . . .25
-v
抄送
= 9v. . . . . . . . . . . . . . . . . . . . . . . . . . . . . . . . .15
快 开关 和 传播 延迟 次
低 “off” 泄漏 电流
宽 操作 温度 范围 . . . -55
o
c 至 125
o
c
hc 类型
- 2v 至 10v 操作
- 高 噪声 免疫: n
il
= 30%, n
ih
= 30% 的 v
抄送
在 v
抄送
= 5v 和 10v
hct 类型
- 直接 lsttl 输入 逻辑 兼容性,
v
il
= 0.8v (最大值), v
ih
= 2v (最小)
- cmos 输入 兼容性, 我
l
1
µ
一个 在 v
ol
, v
描述
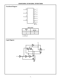
’HC4066 CD74HCT4066 包含 独立
数字 受控 模拟 开关 使用 硅栅
CMOS 技术 实现 操作 速度 类似
LSTTL 电源 消费 标准 CMOS
综合 电路.
这些 开关 功能 特性 线性 “ON”
电阻 金属-闸门 cd4066b. 每个 开关
翻转 开启 由 一个 高级别 电压 开启 其 控制 输入.
引出线
cd54hc4066 (cerdip)
cd74hc4066 (pdip, soic, tssop)
cd74hct4066 (pdip, soic)
顶部 查看
订购 信息
零件 号码
温度 范围
(
o
c) 包装
CD54HC4066F3A -55 至 125 14 ld cerdip
CD74HC4066E -55 至 125 14 ld pdip
CD74HC4066M -55 至 125 14 ld soic
CD74HC4066MT -55 至 125 14 ld soic
CD74HC4066M96 -55 至 125 14 ld soic
CD74HC4066PW -55 至 125 14 ld tssop
CD74HC4066PWR -55 至 125 14 ld tssop
CD74HC4066PWT -55 至 125 14 ld tssop
CD74HCT4066E -55 至 125 14 ld pdip
CD74HCT4066M -55 至 125 14 ld soic
CD74HCT4066MT -55 至 125 14 ld soic
CD74HCT4066M96 -55 至 125 14 ld soic
备注: 订购, 使用 整个 零件 号码. suffixes 96
表示 胶带 卷轴. suffix t 表示 一个 小批量
卷轴 的 250.
1Y
1Z
2Z
2Y
2E
3E
v
抄送
1E
4E
4Y
4Z
3Z
3Y
1
2
3
4
5
6
7
14
13
12
11
10
9
8
二月 1998 - 修订 8月 2003
注意事项: 这些 设备 是 敏感 至 静电 放电. 用户 应该 跟着 适当的 集成电路 搬运 程序.
版权
©
2003, 德州 仪器仪表 股份公司
cd54hc4066, cd74hc4066,
CD74HCT4066
高速 cmos 逻辑
四边形 双边 开关
[ /标题
(cd74h
c4066,
CD74H
CT4066
)
/
主题
(高-
速度
CMOS
逻辑
四边形
资料评论区:
点击回复标题作者最后回复时间

标 题:
内 容:
用户名:
手机号:    (*未登录用户需填写手机号,手机号不公开,可用于网站积分.)
      
关于我们 | 联系我们
电    话13410210660             QQ : 84325569   点击这里与集成电路资料查询网联系
联系方式: E-mail:CaiZH01@163.com