>┊
首页 | 最新需求 | 最新现货 | IC库存 | 供应商 | IC英文资料库 | IC中文资料库 | IC价格 | 电路图 | 应用资料 | 技术资料
 IC型号: 
您现在的位置:首页 >  IC英文资料库 进入手机版 
 
资料编号:974676
 
资料名称:CD4051BF3A
 
文件大小: 430K
   
说明
 
介绍:
CMOS Analog Multiplexers/Demultiplexers with Logic Level Conversion
 
 


: 点此下载
 
1
浏览型号CD4051BF3A的Datasheet PDF文件第2页
2
浏览型号CD4051BF3A的Datasheet PDF文件第3页
3
浏览型号CD4051BF3A的Datasheet PDF文件第4页
4
浏览型号CD4051BF3A的Datasheet PDF文件第5页
5
浏览型号CD4051BF3A的Datasheet PDF文件第6页
6
浏览型号CD4051BF3A的Datasheet PDF文件第7页
7
浏览型号CD4051BF3A的Datasheet PDF文件第8页
8
浏览型号CD4051BF3A的Datasheet PDF文件第9页
9
 
本平台电子爱好着纯手工中文简译:截至2020/5/17日,支持英文词汇500个
1
数据 工作表 获得 从 harris 半导体
SCHS047G
注意事项: 这些 设备 是 敏感 至 静电 放电; 跟着 适当的 集成电路 搬运 程序.
版权
©
2003, 德州 仪器仪表 股份公司
cd4051b, cd4052b, cd4053b
特点
宽 范围 的 数字 和 模拟 信号 级别
- 数字 . . . . . . . . . . . . . . . . . . . . . . . . . . . . . . 3v 至 20v
- 模拟 . . . . . . . . . . . . . . . . . . . . . . . . . . . . . . .
20V
p-p
开启 电阻, 125
(典型值) 结束 15V
p-p
信号 输入
范围 用于 v
dd
-v
ee
= 18v
高 关 电阻, 频道 泄漏 的
±
100pa (典型值)
在 v
dd
-v
ee
= 18v
逻辑电平 换算 用于 数字 寻址 信号 的
3v 至 20v (v
dd
-v
ss
= 3v 至 20v) 至 开关 模拟
信号 至 20v
p-p
(v
dd
-v
ee
= 20v)
匹配 开关 特性, 右
开启
= 5
(典型值) 用于
v
dd
-v
ee
= 15v
很 低 静态 电源 耗散 下 全部 数字-
控制 输入 和 供应 条件, 0.2
µ
w (典型值) 在
v
dd
-v
ss
= v
dd
-v
ee
= 10v
二进制 地址 解码 开启 芯片
5v, 10v, 和 15v 参数化 额定值
100% 已测试 用于 静态 电流 在 20v
最大值 输入 电流 的 1
µ
一个 在 18v 结束 已满 包装
温度 范围, 100na 在 18v 和 25
o
c
先断后断 开关 消除 频道
重叠
应用程序
模拟 和 数字 多路复用 和 解复用
一个/d 和 d/一个 换算
信号 浇口
cmos 模拟 多路复用器/demultiplexers
与 逻辑 水平 换算
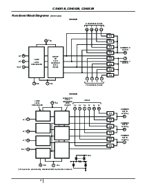
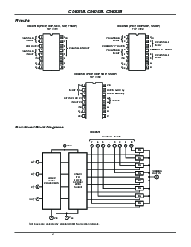
这 cd4051b, cd4052b, 和 cd4053b 模拟 多路复用器
是 数字控制 模拟 开关 拥有 低 开启
阻抗 和 很 低 关 泄漏 电流. 控制 的
模拟 信号 向上 至 20v
p-p
可以 是 已实现 由 数字
信号 振幅 的 4.5v 至 20v (如果 v
dd
-v
ss
= 3v, 一个
v
dd
-v
ee
向上 13V 可以 受控; 用于 v
dd
-v
ee
水平
差异 以上 13v, 一个 v
dd
-v
ss
的 在 最小 4.5v 是
必填项). 用于 示例, 如果 v
dd
= +4.5v, v
ss
= 0v, 和
v
ee
= -13.5v, 模拟 信号 从 -13.5v 至 +4.5v 可以 是
受控 由 数字 输入 的 0v 至 5v. 这些 多路复用器
电路 消散 极其 低 静态 电源 结束 这
已满 v
dd
-v
ss
和 v
dd
-v
ee
电源电压 范围,
独立 的 这 逻辑 州 的 这 控制 信号. 当
一个 逻辑 “1” 是 目前 在 这 抑制 输入 终端, 全部
频道 是 关.
CD4051B 一个 单独 8-频道 多路复用器 拥有 三个
二进制 控制 输入, 一个, b, 和 c, 和 一个 抑制 input. 这
三个 二进制 信号 选择 1 的 8 频道 至 是 翻转 开启,
和 连接 一个 的 这 8 输入 至 这 输出.
这 cd4052b 是 一个 差速器 4-频道 多路复用器 拥有
两个 二进制 控制 输入, 一个 和 b, 和 一个 抑制 输入. 这
两个 二进制 输入 信号 选择 1 4 频道
翻转 开启 和 连接 这 模拟 输入 至 这 产出.
这 cd4053b 是 一个 三倍 2-频道 多路复用器 拥有 三个
分开 数字 控制 输入, 一个, b, 和 c, 和 一个 抑制
输入. 每个 控制 输入 选择 一个 的 一个 对 的 频道
哪个 是 已连接 入点 一个 单独-杆, 双掷
配置.
当 这些 设备 是 已使用 作为 demultiplexers, 这
“channel 入点/out” 接线端子 是 这 产出 和 这
“common 出点/in” 接线端子 是 这 输入.
备注: 订购, 使用 整个 零件 号码. suffixes 96
表示 胶带 卷轴. suffix t 表示 一个 小批量
卷轴 的 250.
订购 信息
零件 号码
温度 范围
(
o
c) 包装
cd4051bf3a, cd4052bf3a,
CD4053BF3A
-55 至 125 16 ld陶瓷
倾角
cd4051be, cd4052be,
CD4053BE
-55 至 125 16 ld pdip
cd4051bm, cd4051bmt,
CD4051BM96
cd4052bm, cd4052bmt,
CD4052BM96
cd4053bm, cd4053bmt,
CD4053BM96
-55 至 125 16 ld soic
cd4051bnsr, cd4052bnsr,
CD4053BNSR
-55 至 125 16 ld sop
cd4051bpw, cd4051bpwr,
cd4052bpw, cd4052bpwr
cd4053bpw, cd4053bpwr
-55 至 125 16 ld tssop
8月 1998 - 修订 october 2003
[ /标题
(cd405
1b,
CD4052
b,
CD4053
b)
/sub-
项目
(cmos
模拟
多-
丛-
ers/dem
ultiplex-
ers
逻辑
level
conver-
锡宁)
/author
()
/钥匙-
字词
(harris
semi-
导电-
托尔,
CD4000
资料评论区:
点击回复标题作者最后回复时间

标 题:
内 容:
用户名:
手机号:    (*未登录用户需填写手机号,手机号不公开,可用于网站积分.)
      
关于我们 | 联系我们
电    话13410210660             QQ : 84325569   点击这里与集成电路资料查询网联系
联系方式: E-mail:CaiZH01@163.com