首页 | 最新需求 | 最新现货 | IC库存 | 供应商 | IC英文资料库 | IC中文资料库 | IC价格 | 电路图 | 应用资料 | 技术资料
 电路图:    3万份资料
您现在的位置:首页 >  电路图 芯片中文资料列表  
 
 
介绍:
下面是[71M6543F第四代多相电表应用电路]的电路图

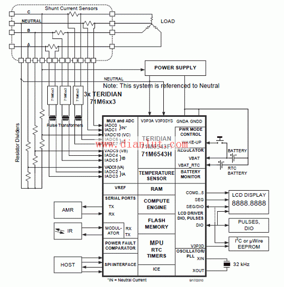
71M6543F/71M6543H是Teridian第四代多相电表系统级(SoC)芯片,包括有5MHz 8051兼容的MPU核,低功耗的带温度补偿的RTC,64KB闪存,5KB RAM和LCD驱动器,并集成了22位delta-sigma ADC,七个模拟输入端,数字温度补偿,精密的基准电压和32位计算引擎,器件只需极少数的外接元件.在2000:1电流范围内精度为0.1%,超过EC 62053/ANSI C12.20标准,主要用于商业和工业电表.


图1.71M6543F功能方框图

图2.71M6543F AFE功能方框图

图3.采用三个遥控和一个本地传感器的系统框图


图4.采用电流变压器的系统框图

(:电路图)
 
 

更多 110
关于我们 | 联系我们 | IC列表库索引1 | IC列表库索引2 | IC列表库索引3 | IC列表库索引4 |
深  圳13410210660             QQ : 84325569   点击这里与集成电路资料查询网联系
联系方式: E-mail:CaiZH01@163.com