>┊
首页 | 最新需求 | 最新现货 | IC库存 | 供应商 | IC英文资料库 | IC中文资料库 | IC价格 | 电路图 | 应用资料 | 技术资料
 IC型号: 
您现在的位置:首页 >  IC英文资料库 进入手机版 
 
资料编号:1010319
 
资料名称:UC1527BJ
 
文件大小: 653K
   
说明
 
介绍:
Regulating Pulse Width Modulators
 
 


: 点此下载
 
1
浏览型号UC1527BJ的Datasheet PDF文件第2页
2
浏览型号UC1527BJ的Datasheet PDF文件第3页
3
浏览型号UC1527BJ的Datasheet PDF文件第4页
4
浏览型号UC1527BJ的Datasheet PDF文件第5页
5
浏览型号UC1527BJ的Datasheet PDF文件第6页
6
浏览型号UC1527BJ的Datasheet PDF文件第7页
7
浏览型号UC1527BJ的Datasheet PDF文件第8页
8
浏览型号UC1527BJ的Datasheet PDF文件第9页
9
 
本平台电子爱好着纯手工中文简译:截至2020/5/17日,支持英文词汇500个
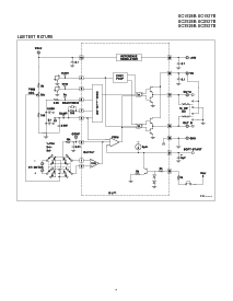
UC1525B UC1527B
UC2525B UC2527B
UC3525B UC3527B
描述
uc1525b/1527b 系列 脉冲 宽度 调制器 综合 电路
设计 报价 改进 业绩 降低 外部 零件
计数 已使用 入点 设计 全部 类型 开关 电源 供应品.
片上 +5.1v 齐纳 参考 已修整 ±0.75% 输入
共模 范围 错误 放大器 包括 参考 电压,
消除 外部 电阻. 一个 同步 输入 振荡器 允许 多个
单位 奴隶 一个 单独 单位 已同步 一个 外部 系统
时钟. 一个 单独 电阻 之间 ct 放电 接线端子 提供
一个 范围 死了 时间 调整. 这些 设备 功能 内置
软启动 电路 一个 外部 计时 电容器 必填项. 一个 关闭
-
向下 终端 控件 两者都有 软启动 电路 输出 阶段,
提供 瞬时 转弯 通过 pwm 门闩 脉冲 关闭
-
向下, 作为 作为 软启动 回收 更长 停机 命令. 这些
功能 受控 一个 欠压 上锁 哪个 保持
产出 软启动 电容器 已卸除 用于 sub-正常 输入 电压
-
年龄. 这个 上锁 电路 包括 大约 500mV 滞后 用于
无抖动 操作. 另一个 功能 这些 pwm 电路 一个 门闩 下列-
ing 比较器. 一次 一个 pwm 脉冲 已终止 用于 任何 雷亚尔-
儿子, 产出 保持 用于 持续时间 期间. 门闩
重置 每个 时钟 脉冲. 输出 阶段 图腾柱 设计 ca-
pable 采购 下沉 入点 超额 200ma. UC1525B 输出
舞台 特点 也没有 逻辑, 给予 一个 输出 用于 一个 州.
UC1527B 利用 逻辑 哪个 结果 入点 一个 输出 水平 关.
调节 脉冲 宽度 调制器
特点
8 35V 操作
5.1v 齐纳 参考
已修整 ±0.75%
100Hz 500kHz 振荡器 范围
分开 振荡器 同步 终端
可调 死时间 控制
内部 软启动
逐脉冲 停机
输入 欠压 上锁
滞后
闭锁 pwm 防止 多个
脉冲
来源/水槽 输出 驱动程序
十字形 传导 输出 舞台
更紧 参考 规格
SLUS376 JULY 1995
图表
udg-95055
应用程序
信息
可用
资料评论区:
点击回复标题作者最后回复时间

标 题:
内 容:
用户名:
手机号:    (*未登录用户需填写手机号,手机号不公开,可用于网站积分.)
      
关于我们 | 联系我们
电    话13410210660             QQ : 84325569   点击这里与集成电路资料查询网联系
联系方式: E-mail:CaiZH01@163.com