>┊
首页 | 最新需求 | 最新现货 | IC库存 | 供应商 | IC英文资料库 | IC中文资料库 | IC价格 | 电路图 | 应用资料 | 技术资料
 IC型号: 
您现在的位置:首页 >  IC英文资料库 进入手机版 
 
资料编号:1013474
 
资料名称:TL494CD
 
文件大小: 56K
   
说明
 
介绍:
SMPS Controller
 
 


: 点此下载
 
1
浏览型号TL494CD的Datasheet PDF文件第2页
2
浏览型号TL494CD的Datasheet PDF文件第3页
3
浏览型号TL494CD的Datasheet PDF文件第4页
4
浏览型号TL494CD的Datasheet PDF文件第5页
5
浏览型号TL494CD的Datasheet PDF文件第6页
6
浏览型号TL494CD的Datasheet PDF文件第7页
7
浏览型号TL494CD的Datasheet PDF文件第8页
8
浏览型号TL494CD的Datasheet PDF文件第9页
9
 
本平台电子爱好着纯手工中文简译:截至2020/5/17日,支持英文词汇500个
www.ti.com
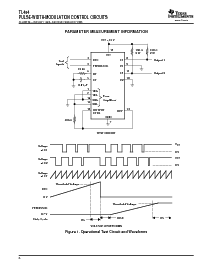
特点
1
2
3
4
5
6
7
8
16
15
14
13
12
11
10
9
1IN+
1IN−
反馈
dtc
ct
rt
C1
2IN+
2IN−
参考
输出 ctrl
v
抄送
C2
E2
E1
d,db, n, ns, 或 pw p组件
(top 查看)
描述
TL494
脉冲-宽度-modulationcontrolcircuits
SLVS074E–JANUARY1983–REVISEDFEBRUARY2005
completepwmpower-controlcircuitry
uncommittedoutputsfor200-masinkor
SourceCurrent
outputcontrolselectssingle-endedor
按压-pulloperation
InternalCircuitryProhibitsDoublePulseat
EitherOutput
VariableDeadTimeProvidesControlOver
TotalRange
internalregulatorprovidesastable5-v
ReferenceSupplyWith5%Tolerance
CircuitArchitectureAllowsEasy
同步
thetl494incorporatesallthefunctionsrequiredintheconstructionofapulse-宽度-调制(pwm)控制
circuitonasinglechip.designedprimarilyforpower-supplycontrol,thisdeviceofferstheflexibilitytotailorthe
电源-supplycontrolcircuitrytoaspecificapplication.
thetl494containstwoerroramplifiers,anon-chipadjustableoscillator,adead-timecontrol(dtc)比较器,
apulse-steeringcontrolflip-翻牌圈,a5-v,5%-precisionregulator,andoutput-controlcircuits.
theerroramplifiersexhibitacommon-modevoltagerangefrom–0.3vtov
抄送
–2v.thedead-timecontrol
comparatorhasafixedoffsetthatprovidesapproximately5%deadtime.theon-chiposcillatorcanbebypassed
byterminatingrttothereferenceoutputandprovidingasawtoothinputtoct,oritcandrivethecommon
circuitsinsynchronousmultiple-railpowersupplies.
theuncommittedoutputtransistorsprovideeithercommon-emitteroremitter-followeroutputcapability.这
tl494providesforpush-pullorsingle-endedoutputoperation,whichcanbeselectedthroughtheoutput-控制
功能.thearchitectureofthisdeviceprohibitsthepossibilityofeitheroutputbeingpulsedtwiceduring
按压-pulloperation.
TheTL494Cischaracterizedforoperationfrom0
°
Cto70
°
c.thetl494iischaracterizedforoperationfrom
–40
°
Cto85
°
c.
AVAILABLEOPTIONS
PACKAGEDDEVICES
(1)
SHRINKSMALLTHINSHRINK
t
一个
SMALLOUTLINEPLASTICDIPSMALLOUTLINE
OUTLINESMALLOUTLINE
(d)(n)(ns)
(db)(pw)
0
°
Cto70
°
CTL494CDTL494CNTL494CNSTL494CDBTL494CPW
–40
°
Cto85
°
CTL494IDTL494IN———
(1)thed,db,ns,andpwpackagesareavailabletapedandreeled.addthesuffixrtodevicetype(e?.g.,tl494cdr).
pleasebeawarethatanimportantnoticeconcerningavailability,标准保修,anduseincriticalapplicationsoftexas
instrumentssemiconductorproductsanddisclaimerstheretoappearsattheendofthisdatasheet.
productiondatainformationiscurrentasofpublicationdate.
copyright©1983–2005,texasinstrumentsincorporated
ProductsconformtospecificationsperthetermsoftheTexas
instrumentsstandardwarranty.productionprocessingdoesnot
必要包括测试所有参数.
资料评论区:
点击回复标题作者最后回复时间

标 题:
内 容:
用户名:
手机号:    (*未登录用户需填写手机号,手机号不公开,可用于网站积分.)
      
关于我们 | 联系我们
电    话13410210660             QQ : 84325569   点击这里与集成电路资料查询网联系
联系方式: E-mail:CaiZH01@163.com