>┊
首页 | 最新需求 | 最新现货 | IC库存 | 供应商 | IC英文资料库 | IC中文资料库 | IC价格 | 电路图 | 应用资料 | 技术资料
 IC型号: 
您现在的位置:首页 >  IC英文资料库 进入手机版 
 
资料编号:1021500
 
资料名称:MC33981
 
文件大小: 469K
   
说明
 
介绍:
High-Frequency, High-Current, Self-Protected High-Side Switch (4.0 mз up to 60 kHz)
 
 


: 点此下载
 
1
浏览型号MC33981的Datasheet PDF文件第2页
2
浏览型号MC33981的Datasheet PDF文件第3页
3
浏览型号MC33981的Datasheet PDF文件第4页
4
浏览型号MC33981的Datasheet PDF文件第5页
5
浏览型号MC33981的Datasheet PDF文件第6页
6
浏览型号MC33981的Datasheet PDF文件第7页
7
浏览型号MC33981的Datasheet PDF文件第8页
8
浏览型号MC33981的Datasheet PDF文件第9页
9
 
本平台电子爱好着纯手工中文简译:截至2020/5/17日,支持英文词汇500个
GNDOCLS
高级
CSNS
温度
INHS
en
INLS
conf
v
PWR
GLS
dls
出点
c
引导
m
fs
v
PWR
v
dd
v
dd
mcu
我/o
我/o
我/o
我/o
一个/d
一个/d
33981
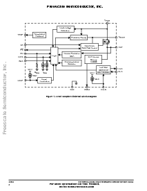
简化 应用程序 图表
摩托罗拉
半导体 技术类 数据
这个 文件 包含 informat离子 开启 一个 产品 下 发展.
摩托罗拉 储备金 这 右侧 至 变更 或 停止 这个 产品 无 通知.
© 摩托罗拉, 公司 2004
文件 订单 号码: mc33981
rev 2.0, 10/2004
33981
初步 信息
高-频率, 高-电流,
自我-保护 高侧 开关
(4.0 m
向上 至 60 khz)
这 33981 是 一个 高-频率, 自我-保护 4.0 m
ds(开启)
高侧
入点 电源 管理 应用程序.
这 33981 可以 是 受控 由 脉冲宽度 调制 (pwm) 与 一个
频率 向上 至 60 khz. 它 是 设计 用于 刺耳 环境,和 它 包括
自我-回收 特点. 这 33981 是 适合 用于 荷载 与 高 涌流 电流,
作为 井 作为 电机 和 全部 类型 的 电阻 和 归纳 荷载.
这 33981 是 已打包 入点 一个 12 x 12 nonleaded 电源-增强型 电源
qfn 包装 与 暴露 tabs.
特点
单独 4.0 m
ds(开启)
最大值 高侧 开关
pwm 能力 向上 至 60 khz 与 职责 循环 从 5% 至 100%
很 低 备用 电流
回转 费率 控制 与 外部 电容器
过流 和 超温 公共关系保护, 欠压 停机
和 故障 报告
反向 蓄电池 保护
闸门 驱动器 信号 用于 外部 低侧 n通道 场效应晶体管 与
保护 特点
输出 电流 监测
温度 反馈
高侧 开关
4.0 m
订购 信息
设备
温度
范围 (t
一个
)
包装
pc33981pna/r2
-40
°
c 至 125
°
c
16 pqfn
33981 简化 应用程序 图表
缩放 1:1
底部 查看
PNA 后缀
案例 1402-02
16-终端 pqfn(12 x 12)
f
e?
e?
s
c
一个
l
e?
s
e?
m
c
o
n
d
u
c
t
o
,
飞思卡尔 半导体, 公司
用于 更多 信息 开启 这个 产品,
走 至: www.飞思卡尔.com
n
c
.
.
.
资料评论区:
点击回复标题作者最后回复时间

标 题:
内 容:
用户名:
手机号:    (*未登录用户需填写手机号,手机号不公开,可用于网站积分.)
      
关于我们 | 联系我们
电    话13410210660             QQ : 84325569   点击这里与集成电路资料查询网联系
联系方式: E-mail:CaiZH01@163.com