>┊
首页 | 最新需求 | 最新现货 | IC库存 | 供应商 | IC英文资料库 | IC中文资料库 | IC价格 | 电路图 | 应用资料 | 技术资料
 IC型号: 
您现在的位置:首页 >  IC英文资料库 进入手机版 
 
资料编号:1043950
 
资料名称:SN74AHCT138PW
 
文件大小: 125K
   
说明
 
介绍:
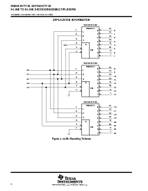
3-LINE TO 8-LINE DECODERS/DEMULTIPLEXERS
 
 


: 点此下载
 
1
浏览型号SN74AHCT138PW的Datasheet PDF文件第2页
2
浏览型号SN74AHCT138PW的Datasheet PDF文件第3页
3
浏览型号SN74AHCT138PW的Datasheet PDF文件第4页
4
浏览型号SN74AHCT138PW的Datasheet PDF文件第5页
5
浏览型号SN74AHCT138PW的Datasheet PDF文件第6页
6
浏览型号SN74AHCT138PW的Datasheet PDF文件第7页
7
浏览型号SN74AHCT138PW的Datasheet PDF文件第8页
8
浏览型号SN74AHCT138PW的Datasheet PDF文件第9页
9
 
本平台电子爱好着纯手工中文简译:截至2020/5/17日,支持英文词汇500个
sn54ahct138, sn74ahct138
3-线 至 8-线 解码器/demultiplexers
scls266m – 12月 1995 – 修订 july 2003
1
post 办公室 框 655303
达拉斯市, 德州 75265
d
输入 是 ttl-电压 兼容
d
设计 具体而言 用于 高速
记忆 解码器 和 数据-变速器
系统
d
合并 三个 启用 输入 至 简化
d
闩锁 业绩 超过 250 ma 按
jesd 17
d
esd 保护 超过 jesd 22
– 2000-v 人体 型号 (a114-一个)
– 200-v 机器 型号 (a115-一个)
– 1000-v 已充电-设备 型号 (c101)
3212019
910111213
4
5
6
7
8
18
17
16
15
14
Y1
Y2
nc
Y3
Y4
c
g
2A
nc
g
2B
G1
B
一个
nc
Y6
Y5
v
Y0
Y7
nc
SN54AHCT138 . . . fk 包装
(顶部 查看)
抄送
nc – 否 内部 连接
1
2
3
4
5
6
7
8
16
15
14
13
12
11
10
9
一个
B
c
g
2A
g
2B
G1
Y7
v
抄送
Y0
Y1
Y2
Y3
Y4
Y5
Y6
SN54AHCT138 ...j 或 w p组件
SN74AHCT138 . . . d, db, dgv, n, ns,
或 pw 包装
(顶部 查看)
SN74AHCT138 . . . rgy 包装
(顶部 查看)
116
89
2
3
4
5
6
7
15
14
13
12
11
10
Y0
Y1
Y2
Y3
Y4
Y5
B
c
g
2A
g
2B
G1
Y7
一个
Y6
v
抄送
描述/订购 信息
这 ’ahct138 3-线 至 8-线 解码器/demultiplexers 是 德西gned 至 是 已使用 入点 高性能
记忆-解码 和 数据-路由 应用程序 那 需要 很 短 传播-延迟 次. 入点
高性能 记忆 系统, 这个 解码器 可以 是 已使用 至 最小化 这 效果 的 系统 解码.
当 就业 与 高速 回忆 利用 一个 快 启用 电路, 这 延迟 次 的 这个 解码器 和
这 启用 时间 的 这 记忆 通常 是 较少 比 这 典型 访问权限 时间 的 这 记忆. 这个 手段 那
这 有效 系统 延迟 介绍 由 这 解码器 是 可忽略不计.
订购 信息
t
一个
包装
可订购
零件 号码
顶侧
标记
qfn – rgy 胶带 和 卷轴 SN74AHCT138RGYR HB138
pdip – n 导管 SN74AHCT138N SN74AHCT138N
SOIC d
导管 SN74AHCT138D
AHCT138SOICd
胶带 和 卷轴 SN74AHCT138DR
AHCT138
–40
°
c 至 85
°
c
sop – ns 胶带 和 卷轴 SN74AHCT138NSR AHCT138
ssop – db 胶带 和 卷轴 SN74AHCT138DBR HB138
TSSOP pw
导管 SN74AHCT138PW
HB138TSSOPpw
胶带 和 卷轴 SN74AHCT138PWR
HB138
tvsop – dgv 胶带 和 卷轴 SN74AHCT138DGVR HB138
cdip – j 导管 SNJ54AHCT138J SNJ54AHCT138J
–55
°
c 至 125
°
c
cfp – w 导管 SNJ54AHCT138W SNJ54AHCT138W
lccc – fk 导管 SNJ54AHCT138FK SNJ54AHCT138FK
包装 图纸, 标准 填料 工程量, 热 数据, 符号化, 和 pcb 设计 准则
是 可用 在 www.ti.com/sc/包装.
版权
2003, 德州 仪器仪表 股份公司
生产 数据 信息 是 电流 作为 的 出版物 日期.
产品 符合 至 规格 按 这 条款 的 德州 仪器仪表
标准 保修. 生产 加工 是否 不 必然 包括
测试 的 全部 参数.
请 是 意识到 那 一个 重要 通知 关于 可用性, 标准 保修, 和 使用 入点 关键 应用程序 的
德州 仪器仪表 半导体 产品 和 免责声明 对此 出现 在 这 结束 的 这个 数据 工作表.
开启 产品 符合 至 密耳-prf-38535, 全部 参数 是 已测试
除非 否则 已注明. 开启 全部 其他 产品, 生产
加工 是否 不 必然 包括 测试 的 全部 参数.
资料评论区:
点击回复标题作者最后回复时间

标 题:
内 容:
用户名:
手机号:    (*未登录用户需填写手机号,手机号不公开,可用于网站积分.)
      
关于我们 | 联系我们
电    话13410210660             QQ : 84325569   点击这里与集成电路资料查询网联系
联系方式: E-mail:CaiZH01@163.com