>┊
首页 | 最新需求 | 最新现货 | IC库存 | 供应商 | IC英文资料库 | IC中文资料库 | IC价格 | 电路图 | 应用资料 | 技术资料
 IC型号: 
您现在的位置:首页 >  IC英文资料库 进入手机版 
 
资料编号:1044250
 
资料名称:SN74CBT3257DRE4
 
文件大小: 361K
   
说明
 
介绍:
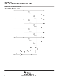
4-BIT 1-OF-2 FET MULTIPLEXER/DEMULTIPLEXER
 
 


: 点此下载
 
1
浏览型号SN74CBT3257DRE4的Datasheet PDF文件第2页
2
浏览型号SN74CBT3257DRE4的Datasheet PDF文件第3页
3
浏览型号SN74CBT3257DRE4的Datasheet PDF文件第4页
4
浏览型号SN74CBT3257DRE4的Datasheet PDF文件第5页
5
浏览型号SN74CBT3257DRE4的Datasheet PDF文件第6页
6
浏览型号SN74CBT3257DRE4的Datasheet PDF文件第7页
7
浏览型号SN74CBT3257DRE4的Datasheet PDF文件第8页
8
浏览型号SN74CBT3257DRE4的Datasheet PDF文件第9页
9
 
本平台电子爱好着纯手工中文简译:截至2020/5/17日,支持英文词汇500个

   
scds017m − 将 1995− 修订 january 2004
1
post 办公室 框 655303
达拉斯市, 德州 75265
5-
开关 连接 之间 两个 端口
ttl-兼容 输入 级别
1
2
3
4
5
6
7
8
16
15
14
13
12
11
10
9
s
1B1
1B2
1A
2B1
2B2
2A
v
抄送
oe
4B1
4B2
4A
3B1
3B2
3A
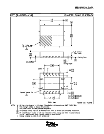
d, db, dbq, 或 pw 包装
(顶部 查看)
rgy 包装
(顶部 查看)
116
89
2
3
4
5
6
7
15
14
13
12
11
10
oe
4B1
4B2
4A
3B1
3B2
1B1
1B2
1A
2B1
2B2
2A
s
3A
v
抄送
描述/订购 信息
这 sn74cbt3257 是 一个 4-有点 1-的-2 高速 ttl-兼容 场效应晶体管 多路复用器/多路分解器. 这 低
开启状态 电阻 的 这 开关 允许 连接 至 是 制造 与 最小 传播 延迟.
输出-启用 (oe
) 和 选择-控制 (s) 输入 选择 这 适当的 b1 和 b2 产出 用于 这 一个-输入 数据.
t
一个
包装
可订购
零件 号码
顶侧
标记
qfn − rgy 胶带 和 卷轴 SN74CBT3257RGYR CU257
soic − d
导管 SN74CBT3257D
cbt3257soic − d
胶带 和 卷轴 SN74CBT3257DR
CBT3257
−40
°
c 至 85
°
c
ssop − db 胶带 和 卷轴 SN74CBT3257DBR CU257
−40 c 至 85 c
ssop (qsop) − dbq 胶带 和 卷轴 SN74CBT3257DBQR CU257
tssop − pw
导管 SN74CBT3257PW
cu257tssop − pw
胶带 和 卷轴 SN74CBT3257PWR
CU257
包装 图纸, 标准 填料 工程量, 热 数据, 符号化, 和 pcb 设计
准则 是 可用 在 www.ti.com/sc/包装.
功能 表
输入
功能
oe s
功能
l l 一个 港口 = b1 港口
l h 一个 港口 = b2 港口
h x 断开
版权
2004, 德州 仪器仪表 股份公司
        
         
       
   
请 是 意识到 那 一个 重要 通知 关于 可用能力, 标准 保修, 和 使用 入点 关键 应用程序 的
德州 仪器仪表 半导体 产品 和 免责声明 对此 出现 在 这 结束 的 这个 数据 工作表.
资料评论区:
点击回复标题作者最后回复时间

标 题:
内 容:
用户名:
手机号:    (*未登录用户需填写手机号,手机号不公开,可用于网站积分.)
      
关于我们 | 联系我们
电    话13410210660             QQ : 84325569   点击这里与集成电路资料查询网联系
联系方式: E-mail:CaiZH01@163.com