>┊
首页 | 最新需求 | 最新现货 | IC库存 | 供应商 | IC英文资料库 | IC中文资料库 | IC价格 | 电路图 | 应用资料 | 技术资料
 IC型号: 
您现在的位置:首页 >  IC英文资料库 进入手机版 
 
资料编号:1044409
 
资料名称:SN74LS173AD
 
文件大小: 562K
   
说明
 
介绍:
4-BIT D-TYPE REGISTERS WITH 3-STATE OUTPUTS
 
 


: 点此下载
 
1
浏览型号SN74LS173AD的Datasheet PDF文件第2页
2
浏览型号SN74LS173AD的Datasheet PDF文件第3页
3
浏览型号SN74LS173AD的Datasheet PDF文件第4页
4
浏览型号SN74LS173AD的Datasheet PDF文件第5页
5
浏览型号SN74LS173AD的Datasheet PDF文件第6页
6
浏览型号SN74LS173AD的Datasheet PDF文件第7页
7
浏览型号SN74LS173AD的Datasheet PDF文件第8页
8
浏览型号SN74LS173AD的Datasheet PDF文件第9页
9
 
本平台电子爱好着纯手工中文简译:截至2020/5/17日,支持英文词汇500个
sn54173, sn54ls173a, sn74173, sn74ls173a
4-有点 d-类型 寄存器
与 3-州 产出
sdls067a – october 1976 – 修订 六月 1999
1
post 办公室 框 655303
达拉斯市, 德州 75265
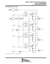
d
3-州 产出 接口 直接 与
系统 总线
d
门控 输出控制 线条 用于 启用 或
正在禁用 这 产出
d
完全 独立 时钟 几乎
一个 的 两个 模式:
– 做 没什么 (保持)
d
用于 应用程序 作为 总线 缓冲区 寄存器
d
包装 选项 包括 塑料
小轮廓 (d) 软件包, 陶瓷 扁平
(w) 软件包, 陶瓷 芯片 承运人 (fk),
延迟 时间
最大值
时钟
频率
’173 23 ns 35 mhz
’LS173A 18 ns 50 mhz
描述
这 ’173 和 ’ls173a 4-有点 寄存器 包括
d-类型 人字拖 特色 图腾柱 3-州
产出 有能力 的 驾驶 高度 电容式
或 相对而言 低阻抗 荷载. 这
高阻抗 第三 州 和 增加
高逻辑电平 驱动器 提供 这些 人字拖 与
这 能力 的 正在 已连接 直接 至 和
驾驶 这 总线 线条 入点 一个 总线-组织 系统 无 需要 用于 接口 或 上拉 组件. 向上 至 128 的
这 sn74173 或 sn74ls173a 产出 可以 是 已连接 至 一个 普通 总线 和 仍然 驱动器 两个 系列 54/74 或
54ls/74ls ttl 归一化 荷载, 分别. 类似地, 向上 至 49 的 这 sn54173 或 sn54ls173a 产出 可以
是 已连接 至 一个 普通 总线 和 驱动器 一个 附加 系列 54/74 或 54ls/74ls ttl 归一化 荷载,
分别. 至 最小化 这 可能性 那 两个 产出 将 尝试 至 采取 一个 普通 总线 至 对面 逻辑
级别, 这 输出 控制 电路 是 设计 所以 那 这 平均值 输出 禁用 次 是 较短 比 这
平均值 输出 启用 次.
门控 启用 输入 是 提供 开启 这些 设备 用于 控制 这 进入 的 数据 进入 这 翻转-拖鞋. 当 两者都有
数据-启用 (g
1, g2) 输入 是 低, 数据 在 这 d 输入 是 已加载 进入 他们的 各自 人字拖 开启 这 下一个
正 过渡 的 这 缓冲 时钟 输入. 闸门 输出控制 (m, n) 输入 也 是 提供. 当 两者都有
是 低, 这 正常 逻辑 国家 (高 或 低 级别) 的 这 四 产出 是 可用 用于 驾驶 这 荷载 或 总线
线条. 这 产出 是 已禁用 独立 从 这 水平 的 这 时钟 由 一个 高 逻辑 水平 在 要么
输出控制 输入. 这 产出 然后 目前 一个 高 阻抗 和 两者都没有 荷载 也没有 驱动器 这 总线 线. 详细
这 sn54173 和 sn54ls173a 是 表征 用于 操作 结束 这 已满 军事 温度 范围 的
–55
°
c 至 125
°
c. 这 sn74173 和 sn74ls173a 是 表征 用于 操作 从 0
°
c 至 70
°
c.
版权
1999, 德州 仪器仪表 股份公司
生产 数据 信息 是 电流 作为 的 出版物 日期.
产品 符合 至 规格 按 这 条款 的 德州 仪器仪表
标准 保修. 生产 加工 是否 不 必然 包括
测试 的 全部 参数.
请 是 意识到 那 一个 重要 通知 关于 可用性, 标准 保修, 和 使用 入点 关键 应用程序 的
德州 仪器仪表 半导体 产品 和 免责声明 对此 出现 在 这 结束 的 这个 数据 工作表.
1
2
3
4
5
6
7
8
16
15
14
13
12
11
10
9
m
n
1Q
2Q
3Q
4Q
clk
v
抄送
clr
1D
2D
3D
4D
g
2
g
1
sn54173, sn54ls173a ...j 或 w p组件
SN74173 ...n p组件
SN74LS173A ...d 或 n p组件
(顶部 查看)
3212019
910111213
4
5
6
7
8
18
17
16
15
14
1D
2D
nc
3D
4D
1Q
2Q
nc
3Q
4Q
SN54LS173A . . . fk 包装
(顶部 查看)
n
m
nc
clr
nc
抄送
v
nc – 否 内部 连接
G2
G1
clk
开启 产品 符合 至 密耳-prf-38535, 全部 参数 是 已测试
除非 否则 已注明. 开启 全部 其他 产品, 生产
加工 是否 不 必然 包括 测试 的 全部 参数.
资料评论区:
点击回复标题作者最后回复时间

标 题:
内 容:
用户名:
手机号:    (*未登录用户需填写手机号,手机号不公开,可用于网站积分.)
      
关于我们 | 联系我们
电    话13410210660             QQ : 84325569   点击这里与集成电路资料查询网联系
联系方式: E-mail:CaiZH01@163.com