>┊
首页 | 最新需求 | 最新现货 | IC库存 | 供应商 | IC英文资料库 | IC中文资料库 | IC价格 | 电路图 | 应用资料 | 技术资料
 IC型号: 
您现在的位置:首页 >  IC英文资料库 进入手机版 
 
资料编号:1044622
 
资料名称:SN74LVT16646DLR
 
文件大小: 225K
   
说明
 
介绍:
3.3V ABT 16 BIT BUS TRANSCEIVERS AND REGISTERS WITH 3 STATE OUTPUTS
 
 


: 点此下载
 
1
浏览型号SN74LVT16646DLR的Datasheet PDF文件第2页
2
浏览型号SN74LVT16646DLR的Datasheet PDF文件第3页
3
浏览型号SN74LVT16646DLR的Datasheet PDF文件第4页
4
浏览型号SN74LVT16646DLR的Datasheet PDF文件第5页
5
浏览型号SN74LVT16646DLR的Datasheet PDF文件第6页
6
浏览型号SN74LVT16646DLR的Datasheet PDF文件第7页
7
浏览型号SN74LVT16646DLR的Datasheet PDF文件第8页
8
浏览型号SN74LVT16646DLR的Datasheet PDF文件第9页
9
 
本平台电子爱好着纯手工中文简译:截至2020/5/17日,支持英文词汇500个
 
      
  
scbs149d −july 1994 − 修订 march 2004
1
post 办公室 框 655303
达拉斯市, 德州 75265
成员 的 这 德州 仪器仪表
Widebus
家庭
最先进的 高级 bicmos
技术 (abt) 设计 用于 3.3-v
操作 和 低-静态 电源
耗散
支持 混合模式 信号 操作 (5-v
输入 和 输出 电压 与 3.3-v v
抄送
)
支持 不受管制 蓄电池 操作
向下 至 2.7 v
典型 v
olp
(输出 接地 弹跳)
&指示灯;0.8 v 在 v
抄送
= 3.3 v, t
一个
= 25
°
c
总线-保持 数据 输入 消除 这 需要
用于 外部 上拉 电阻
和 通电 3-州 支持 热
插入
分布式 v
抄送
和 地 管脚 配置
最小化 高速 开关 噪声
flowthrough 体系结构 优化
pcb 布局
闩锁 业绩 超过 500 ma
按 电子元件工业联合会 标准 jesd-17
esd 保护 超过 jesd 22
− 2000-v 人体 型号 (a114-一个)
− 200-v 机器 型号 (a115-一个)
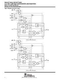
这 ’lvt16646 设备 是 16-有点 总线
收发器 和 寄存器 设计 用于
低电压 (3.3-v) v
抄送
操作, 但是 与 这
能力 至 提供 一个 ttl 接口 至 一个 5-v
系统 环境.
这些设备 可以 是 已使用 作为 两个 8-有点 收发器 或 一个 16-有点收发器.数据 开启 这 一个 或 b 总线 是 时钟
进入 这 寄存器 开启 这 从低到高 过渡 的 这 适当的 时钟 (clkab 或 clkba) 输入. 图 1
说明这 四 基本面 总线-管理 功能 那 可以 是 执行 与 这
lvt16646 设备.
订购 信息
t
一个
包装
可订购
零件 号码
顶侧
标记
ssop − dl
导管 SN74LVT16646DL
LVT16646
−40
°
c 至 85
°
c
ssop − dl
胶带 和 卷轴 SN74LVT16646DLR
LVT16646
−40 c 至 85 c
tssop − dgg 胶带 和 卷轴 SN74LVT16646DGGR LVT16646
−55
°
c 至 125
°
c cfp − wd 导管 SNJ54LVT16646WD SNJ54LVT16646WD
包装图纸, 标准 填料 工程量, 热 数据, 符号化, 和 pcb 设计 准则 是 可用
在 www.ti.com/sc/包装.
版权
2004, 德州 仪器仪表 股份公司
      
         
        
        

widebus 是 一个 商标 的 德州 仪器仪表.
SN54LVT16646 . . . wd 包装
SN74LVT16646 . . . dgg 或 dl 包装
(顶部 查看)
1
2
3
4
5
6
7
8
9
10
11
12
13
14
15
16
17
18
19
20
21
22
23
24
25
26
27
28
56
55
54
53
52
51
50
49
48
47
46
45
44
43
42
41
40
39
38
37
36
35
34
33
32
31
30
29
1DIR
1CLKAB
1SAB
1A1
1A2
v
抄送
1A3
1A4
1A5
1A6
1A7
1A8
2A1
2A2
2A3
2A4
2A5
2A6
v
抄送
2A7
2A8
2SAB
2CLKAB
2DIR
1OE
1CLKBA
1SBA
1B1
1B2
v
抄送
1B3
1B4
1B5
1B6
1B7
1B8
2B1
2B2
2B3
2B4
2B5
2B6
v
抄送
2B7
2B8
2SBA
2CLKBA
2OE
请 是 意识到 那 一个 重要 通知 关于 可用能力, 标准 保修, 和 使用 入点 关键 应用程序 的
德州 仪器仪表 半导体 产品 和 免责声明 对此 出现 在 这 结束 的 这个 数据 工作表.
资料评论区:
点击回复标题作者最后回复时间

标 题:
内 容:
用户名:
手机号:    (*未登录用户需填写手机号,手机号不公开,可用于网站积分.)
      
关于我们 | 联系我们
电    话13410210660             QQ : 84325569   点击这里与集成电路资料查询网联系
联系方式: E-mail:CaiZH01@163.com