>┊
首页 | 最新需求 | 最新现货 | IC库存 | 供应商 | IC英文资料库 | IC中文资料库 | IC价格 | 电路图 | 应用资料 | 技术资料
 IC型号: 
您现在的位置:首页 >  IC英文资料库 进入手机版 
 
资料编号:1062784
 
资料名称:RC56D
 
文件大小: 176004K
   
说明
 
介绍:
USB Modem Devices Sets
 
 


: 点此下载
 
1
浏览型号RC56D的Datasheet PDF文件第2页
2
浏览型号RC56D的Datasheet PDF文件第3页
3
浏览型号RC56D的Datasheet PDF文件第4页
4
浏览型号RC56D的Datasheet PDF文件第5页
5
浏览型号RC56D的Datasheet PDF文件第6页
6
浏览型号RC56D的Datasheet PDF文件第7页
7
浏览型号RC56D的Datasheet PDF文件第8页
8
浏览型号RC56D的Datasheet PDF文件第9页
9
 
本平台电子爱好着纯手工中文简译:截至2020/5/17日,支持英文词汇500个
'dwd 6KHHW 2UGHU 1R 0'
5HY  'hfhpehu  



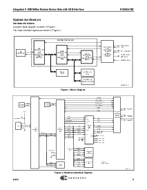
导言
这 conexant
rc56d 调制解调器 设备 设置 支架
这 usb (通用 串行 总线), 作为 已描述 由 这
通用 串行 总线 规格 修订 1.0. usb
提供 一个 灵活 互连 之间 一个 pc 和 一个 宽
范围 的 外围设备, 这样的 作为 至 一个 conexant 调制解调器
设备 设置.
这 conexant rc56d 家庭 设备, 入点 连接词
与 这 r8292 usb 控制器 提供 一个 完成 usb
调制解调器 解决方案. 这 支持 调制解调器 功能 设置 用于 这
usb 调制解调器 解决方案 是 这 相同 作为 这 标准 rc56d
rc336d 综合 v.90/k56flex/v.34 调制解调器 设备 设置
用于 台式机 applications” 数据 工作表, 订单 否. md211).
这 调制解调器 型号, 哪个 包括 这 r8292 ucu (usb
控制器 单位 入点 68-plcc), 是 已列出 入点 表 1.
硬件
一个 完成 加速器 工具包 实施 这 usb 解决方案
是 提供 作为 “perth” (ak56-d540). 这个 设计 由 的
r8292 usb 控制器 单位 (ucu). 这 r8292 操作
与 一个 12 mhz 水晶. 一个 32k x 8, 150 ns 可擦可编程只读存储器 是
必填项 用于 usb 控制器 固件. 另外, 一个
门闩, 一个 晶体管, 和 两个 总线 收发器 是
必填项.
这 r8292 usb 控制器 是 基于 开启 这 mcs
®
51
微控制器. 它 是 一个 hubless usb 外围设备 控制器
固件 用于 这 r8292 控制器 是 提供 入点 对象
窗体, 然而, 供应商 具体 描述符 可以 是
定制 与 一个 提供的 实用程序. 供应商 id, 产品 id,
设备 释放 号码, 制造商 姓名, 产品
姓名, 和 串行 号码 可以 全部 是 已修改.
驱动程序
一个 完成 设置 的 软件 驱动程序 是 提供 用于
窗户 98 和 窗户 95 osr 2.1 支持. 样品
inf 文件 是 也 提供.
特点
全部 特点 支持 由 这 rc56d 家庭 (请参见 数据
工作表 订单 否. md211)
通用 串行 总线 规格 rev 1.0 符合
三个 功能 端点 对 与 相应的
发送/接收 先进先出 对
自动 发送/接收 先进先出 管理
usb 已满 速度 12mbps
usb 低 速度 1.5mbps
重置 分离
四 led指示灯 驾驶员 产出
片上 锁相 回路 (pll)
片上 usb 收发器
256 字节数 片上 数据 ram
挂起/简历
供应商 具体 描述符
窗户 98 支持
窗户 95 osr 2.1 支持
线-入点-使用 检测
资料评论区:
点击回复标题作者最后回复时间

标 题:
内 容:
用户名:
手机号:    (*未登录用户需填写手机号,手机号不公开,可用于网站积分.)
      
关于我们 | 联系我们
电    话13410210660             QQ : 84325569   点击这里与集成电路资料查询网联系
联系方式: E-mail:CaiZH01@163.com