>┊
首页 | 最新需求 | 最新现货 | IC库存 | 供应商 | IC英文资料库 | IC中文资料库 | IC价格 | 电路图 | 应用资料 | 技术资料
 IC型号: 
您现在的位置:首页 >  IC英文资料库 进入手机版 
 
资料编号:1067799
 
资料名称:CD4070BMS
 
文件大小: 74392K
   
说明
 
介绍:
CMOS Quad Exclusive OR and Exclusive NOR Gates
 
 


: 点此下载
 
1
浏览型号CD4070BMS的Datasheet PDF文件第2页
2
浏览型号CD4070BMS的Datasheet PDF文件第3页
3
浏览型号CD4070BMS的Datasheet PDF文件第4页
4
浏览型号CD4070BMS的Datasheet PDF文件第5页
5
浏览型号CD4070BMS的Datasheet PDF文件第6页
6
浏览型号CD4070BMS的Datasheet PDF文件第7页
7
浏览型号CD4070BMS的Datasheet PDF文件第8页
8
 
本平台电子爱好着纯手工中文简译:截至2020/5/17日,支持英文词汇500个
7-455
注意事项: 这些 设备 是 敏感 至 静电 放电; 跟着 适当的 集成电路 搬运 程序.
1-888-intersil 或 321-724-7143 | 版权 © intersil 公司 1999
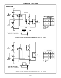
CD4070BMS
CD4077BMS
cmos 四边形 独占 或 和
独占 也没有 盖茨
引出线
CD4070BMS
顶部 查看
CD4077BMS
顶部 查看
功能 图表
CD4070BMS
CD4077BMS
一个
B
j = 一个
B
k = c
d
c
d
vss
VDD
h
g
m = g
h
l = e?
f
f
e?
1
2
3
4
5
6
7
14
13
12
11
10
9
8
一个
B
j =
一个
B
k =
c
d
c
d
vss
VDD
h
g
m =
g
h
l =
e?
f
f
e?
1
2
3
4
5
6
7
14
13
12
11
10
9
8
一个
B
c
d
e?
f
g
h
1
2
5
6
8
9
12
13
3
4
10
11
j = 一个
B
k = c
d
m = g
h
l = e?
f
vss = 7
vdd = 14
j
k
l
m
一个
B
c
d
e?
f
g
h
1
2
5
6
8
9
12
13
3
4
10
11
j = 一个
B
k =
c
d
m =
g
h
l =
e?
f
j
k
l
m
特点
高 电压 类型 (20v 评级)
cd4070bms - 四边形 独占 或 闸门
cd4077bms - 四边形 独占 也没有 闸门
中 速度 操作
- tphl, tplh = 65ns (典型值.) 在 vdd = 10v, cl = 50pf
5v, 10v 和 15v 参数化 额定值
标准化, 对称 输出 特性
100% 已测试 用于 静态 电流 在 20v
最大值 输入 电流 的 1
µ
一个 在 18v 结束 已满 空调组件-
年龄 温度 范围; 100na 在 18v 和 +25
o
c
噪声 边距 (结束 已满 包装/温度 范围)
- 1v 在 vdd = 5v
- 2v 在 vdd = 10v
- 2.5v 在 vdd = 15v
满足 全部 要求 的 电子元件工业联合会 tentative 标准
否. 13b, “standard 特定 用于 描述 的
‘b’ 系列 cmos devices”
应用程序
逻辑 比较器
奇偶校验 发电机 和 跳棋
加法器/subtractors
描述
cd4070bms 包含 四 独立 独占 或 盖茨.
这 cd4077bms 包含 四 独立 独占 也没有
盖茨.
这 cd4070bms 和 cd4077bms 提供 这 系统
设计师 与 一个 手段 用于 直接 实施 的 这
独占 或 和 独占 也没有 功能, 分别.
这 cd4070bms 和 cd4077bms 是 提供的 入点 这些 14
铅 大纲 软件包:
braze 密封 倾角 H4Q
玻璃料 密封 倾角 H1B
陶瓷 扁平包装 *H4F †H3W
*cd4070b 仅 †cd4077b 仅
文件 号码
3322
12月 1992
资料评论区:
点击回复标题作者最后回复时间

标 题:
内 容:
用户名:
手机号:    (*未登录用户需填写手机号,手机号不公开,可用于网站积分.)
      
关于我们 | 联系我们
电    话13410210660             QQ : 84325569   点击这里与集成电路资料查询网联系
联系方式: E-mail:CaiZH01@163.com