>┊
首页 | 最新需求 | 最新现货 | IC库存 | 供应商 | IC英文资料库 | IC中文资料库 | IC价格 | 电路图 | 应用资料 | 技术资料
 IC型号: 
您现在的位置:首页 >  IC英文资料库 进入手机版 
 
资料编号:107135
 
资料名称:SN74LV138ANSRG4
 
文件大小: 388.95K
   
说明
 
介绍:
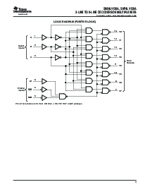
3-LINE TO 8-LINE DECODERS/DEMULTIPLEXERS
 
 


: 点此下载
 
1
浏览型号SN74LV138ANSRG4的Datasheet PDF文件第2页
2
浏览型号SN74LV138ANSRG4的Datasheet PDF文件第3页
3
浏览型号SN74LV138ANSRG4的Datasheet PDF文件第4页
4
浏览型号SN74LV138ANSRG4的Datasheet PDF文件第5页
5
浏览型号SN74LV138ANSRG4的Datasheet PDF文件第6页
6
浏览型号SN74LV138ANSRG4的Datasheet PDF文件第7页
7
浏览型号SN74LV138ANSRG4的Datasheet PDF文件第8页
8
浏览型号SN74LV138ANSRG4的Datasheet PDF文件第9页
9
 
本平台电子爱好着纯手工中文简译:截至2020/5/17日,支持英文词汇500个
www.ti.com
特点
3 2 1 20 19
9 10 11 12 13
4
5
6
7
8
18
17
16
15
14
Y1
Y2
nc
Y3
Y4
c
G2A
nc
G2B
G1
B
一个
nc
Y6
Y5
v
Y0
Y7
nc
SN54LV138A . . . fk p组件
(top 查看)
抄送
nc − 否 内部 连接
1
2
3
4
5
6
7
8
16
15
14
13
12
11
10
9
一个
B
c
G2A
G2B
G1
Y7
v
抄送
Y0
Y1
Y2
Y3
Y4
Y5
Y6
SN54LV138A . . . j 或 w p组件
SN74LV138A . . . d, db, dgv, ns
或 pw p组件
(top 查看)
SN74LV138A . . . rgy p组件
(top 查看)
1 16
8 9
2
3
4
5
6
7
15
14
13
12
11
10
Y0
Y1
Y2
Y3
Y4
Y5
B
c
G2A
G2B
G1
Y7
一个
Y6
v
抄送
描述/orderinginformation
sn54lv138a,sn74lv138a
3-lineto8-linedecoders/demultiplexers
SCLS395L–APRIL1998–REVISEDAUGUST2005
2-vto5.5-vv
抄送
操作
supportspartial-电源-downmode
操作
maxt
pd
of9.5nsat5v
门闩-upperformanceexceeds250maper
TypicalV
olp
(outputgroundbounce)
JESD17
&指示灯;0.8vatv
抄送
=3.3v,t
一个
=25
°
c
ESDProtectionExceedsJESD22
TypicalV
OHV
(outputv
下冲)
>2.3vatv
抄送
=3.3v,t
一个
=25
°
c–2000-vhuman-bodymodel(a114-一个)
supportmixed-modevoltageoperationonall–200-vmachinemodel(a115-一个)
端口
–1000-vcharged-devicemodel(c101)
这'lv138adevicesare3-lineto8-linedecoders/demultiplexersdesignedfor2-vto5.5-vv
抄送
操作.
ORDERINGINFORMATION
t
一个
包装
(1)
orderablepartnumbertop-sidemarking
QFN–RGYReelof1000SN74LV138ARGYRLV138A
Tubeof40SN74LV138AD
SOIC–DLV138A
Reelof2500SN74LV138ADR
SOP–NSReelof2000SN74LV138ANSR74LV138A
–40
°
Cto85
°
CSSOP–DBReelof2000SN74LV138ADBRLV138A
Tubeof90SN74LV138APW
TSSOP–PWReelof2000SN74LV138APWRLV138A
Reelof250SN74LV138APWT
TVSOP–DGVReelof2000SN74LV138ADGVRLV138A
CDIP–JTubeof25SNJ54LV138AJSNJ54LV138AJ
–55
°
Cto125
°
CCFP–WTubeof150SNJ54LV138AWSNJ54LV138AW
LCCC–FKTubeof55SNJ54LV138AFKSNJ54LV138AFK
(1)packagedrawings,标准包装数量,thermaldata,符号化,andpcbdesignguidelinesareavailableat
www.ti.com/sc/包装.
pleasebeawarethatanimportantnoticeconcerningavailability,标准保修,anduseincriticalapplicationsoftexas
instrumentssemiconductorproductsanddisclaimerstheretoappearsattheendofthisdatasheet.
unlessotherwisenotedthisdocumentcontainspro-
copyright©1998–2005,texasinstrumentsincorporated
ductiondatainformationcurrentasofpublicationdate.产品-
uctsconformtospecificationsperthetermsofTexasInstruments
标准保修.productionprocessingdoesnotnecessarily
includetestingofallparameters.
资料评论区:
点击回复标题作者最后回复时间

标 题:
内 容:
用户名:
手机号:    (*未登录用户需填写手机号,手机号不公开,可用于网站积分.)
      
关于我们 | 联系我们
电    话13410210660             QQ : 84325569   点击这里与集成电路资料查询网联系
联系方式: E-mail:CaiZH01@163.com