>┊
首页 | 最新需求 | 最新现货 | IC库存 | 供应商 | IC英文资料库 | IC中文资料库 | IC价格 | 电路图 | 应用资料 | 技术资料
 IC型号: 
您现在的位置:首页 >  IC英文资料库 进入手机版 
 
资料编号:1073187
 
资料名称:SN74AS353B
 
文件大小: 95065K
   
说明
 
介绍:
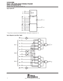
DUAL 1-OF-4 DATA SELECTOR/MULTIPLEXER WITH 3-STATE OUTPUTS
 
 


: 点此下载
 
1
浏览型号SN74AS353B的Datasheet PDF文件第2页
2
浏览型号SN74AS353B的Datasheet PDF文件第3页
3
浏览型号SN74AS353B的Datasheet PDF文件第4页
4
浏览型号SN74AS353B的Datasheet PDF文件第5页
5
浏览型号SN74AS353B的Datasheet PDF文件第6页
6
 
本平台电子爱好着纯手工中文简译:截至2020/5/17日,支持英文词汇500个
SN74AS353B
双 1-的-4 数据 选择器/多路复用器
与 3-州 产出
sdas222a – april 1982 – 修订 12月 1994
版权
1994, 德州 仪器仪表 股份公司
1
post 办公室 框 655303
达拉斯市, 德州 75265
反转 版本 的
AS253
许可证 多路复用 从 n 线条 至
一个 线
包装 选项 包括 塑料
小轮廓 (d) 软件包 和 标准
塑料 (n) 300-密耳 dips
描述
这个 数据 选择器/多路复用器 包含 逆变器
和 驱动程序 至 供应 已满 二进制 解码 数据
选择 至 这 和-或-倒置 盖茨. 分开
输出-启用 (oe
) 输入 是 提供 用于 每个 的
这 两个 4-线 截面图.
这 3-州 产出 可以 接口 与 和 驱动器 数据 线条 的 总线-组织 系统. 与 全部 但是 一个 的 这
普通 产出 已禁用 (在 这 高阻抗 州), 这 低 阻抗 的 这 单独 已启用 输出 驱动器
这 总线 线 至 一个 高 或 低 逻辑 水平. 每个 截面 有 其 自己的 输出 启用. 这 输出 是 已禁用 当
oe
是 高.
这 sn74als353b 是 表征 用于 操作 从 0
°
c 至 70
°
c.
功能 表
输入
输出
选择 数据
oe
输出
y
B 一个 C0 C1 C2 C3
oe
y
x x x x x x h z
l llXXXL h
llhXXXL l
lHXLXXL h
lHXHXXl l
hLXXLXL h
hLXXHXl l
hHXXXLl h
HHXXXHL l
选择 输入 一个 和 b 是 普通 至 两者都有 截面图.
d 或 n 包装
(顶部 查看)
1
2
3
4
5
6
7
8
16
15
14
13
12
11
10
9
1OE
B
1C3
1C2
1C1
1C0
1Y
v
抄送
2OE
一个
2C3
2C2
2C1
2C0
2Y
生产 数据 信息 是 电流 作为 的 出版物 日期.
产品 符合 至 规格 按 这 条款 的 德州 仪器仪表
标准 保修. 生产 加工 是否 不 必然 包括
测试 的 全部 参数.
资料评论区:
点击回复标题作者最后回复时间

标 题:
内 容:
用户名:
手机号:    (*未登录用户需填写手机号,手机号不公开,可用于网站积分.)
      
关于我们 | 联系我们
电    话13410210660             QQ : 84325569   点击这里与集成电路资料查询网联系
联系方式: E-mail:CaiZH01@163.com