>┊
首页 | 最新需求 | 最新现货 | IC库存 | 供应商 | IC英文资料库 | IC中文资料库 | IC价格 | 电路图 | 应用资料 | 技术资料
 IC型号: 
您现在的位置:首页 >  IC英文资料库 进入手机版 
 
资料编号:1077295
 
资料名称:MC33883
 
文件大小: 314885K
   
说明
 
介绍:
Full Bridge Pre-Driver
 
 


: 点此下载
 
1
浏览型号MC33883的Datasheet PDF文件第2页
2
浏览型号MC33883的Datasheet PDF文件第3页
3
浏览型号MC33883的Datasheet PDF文件第4页
4
浏览型号MC33883的Datasheet PDF文件第5页
5
浏览型号MC33883的Datasheet PDF文件第6页
6
浏览型号MC33883的Datasheet PDF文件第7页
7
浏览型号MC33883的Datasheet PDF文件第8页
8
浏览型号MC33883的Datasheet PDF文件第9页
9
 
本平台电子爱好着纯手工中文简译:截至2020/5/17日,支持英文词汇500个
预付款 信息
已满 桥梁 预-驾驶员
这个 文件 包含 信息 开启 一个 新建 产品. 规格 和 信息 此处 是
主题 至 变更 无 通知.
订单 号码: mc33883/d
rev 3.2, 05/2001
订购 信息
设备
温度
范围
包装
SOIC20-40
o
c 至 +125
o
c
第页 1 的 11
dw 后缀
案例 751d-05
管脚 连接
(顶部 查看)
案例 751d-05
1
2
3
5
4
6
7
8
9
20
1
1
1
1
1
1
1
1
1
1
2
3
5
4
6
7
8
9
10
PC33883DW
55 伏特
v
抄送
C2
cp_
出点
src_
hs
1
闸门_hs
1
入点_hs
1
入点_ls
1
闸门_ls
1
GND1
lr_
出点
v
CC2
地_一个
g_
en
闸门_
hs
2
入点_hs
2
入点_ls
2
闸门_ls
2
GND2
C1
src_
hs
2
半导体
技术类 数据
© 摩托罗拉, 股份有限公司., 2001. 全部 权利 保留.
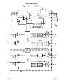
这 mc33883 是 一个 已满 桥梁 预-驾驶员 包括 综合 费用
泵, 两个 独立 高 和 低 侧面 驾驶员 频道.
这 驱动器 产出 是 有能力 至 来源 和 水槽 1 一个 脉冲 峰值
电流. 这 低 侧面 频道 是 引用 至 接地, 这 高 侧面
频道 是 浮动 以上 接地.
一个 线性 调节器 提供 一个 最大值 的 16.5v 至 供应 这 低
侧面 闸门 驾驶员 阶段. 这 高 侧面 驾驶员 阶段 是 提供的 与 一个
10V
典型
费用 泵 电压. 这样的 内置 功能, 关联的 至
外部 电容器 提供 一个 已满 浮动 高 侧面 驱动器.
一个 下- 和 过电压 保护 防止 不稳定 系统
操作 在 异常 供应 电压. 下 故障, 这些 功能 力
这 驾驶员 阶段 进入 关 州.
这 逻辑 输入 是 兼容 与 标准 cmos 或 lsttl
产出. 这 输入 滞后 使 这 输出 开关 时间
独立 的 这 输入 过渡 时间.
这 全球 启用 逻辑 信号 可以 是 已使用 至 禁用 这 费用
泵 和 全部 这 偏差 电路. 这 净值 优势 是 这 减少 的 这
静态 供应 电流 至 下 10
µ
一个. 至 唤醒 向上 这 电路, 5 v 有
至 是 提供 在 g_en.
•V
抄送
操作 电压 范围 从 5.5 v 向上 至 55 v
•V
CC2
操作 电压 范围 从 5.5 v 向上 至 28 v
汽车 温度 范围 -40
°
c 至 125
°
c
1a 脉冲 电流 输出 驾驶员
快 pwm 能力
内置 费用 泵
MC33883
资料评论区:
点击回复标题作者最后回复时间

标 题:
内 容:
用户名:
手机号:    (*未登录用户需填写手机号,手机号不公开,可用于网站积分.)
      
关于我们 | 联系我们
电    话13410210660             QQ : 84325569   点击这里与集成电路资料查询网联系
联系方式: E-mail:CaiZH01@163.com