>┊
首页 | 最新需求 | 最新现货 | IC库存 | 供应商 | IC英文资料库 | IC中文资料库 | IC价格 | 电路图 | 应用资料 | 技术资料
 IC型号: 
您现在的位置:首页 >  IC英文资料库 进入手机版 
 
资料编号:1077301
 
资料名称:MC33993
 
文件大小: 604168K
   
说明
 
介绍:
Multiple Switch Detection Interface
 
 


: 点此下载
 
1
浏览型号MC33993的Datasheet PDF文件第2页
2
浏览型号MC33993的Datasheet PDF文件第3页
3
浏览型号MC33993的Datasheet PDF文件第4页
4
浏览型号MC33993的Datasheet PDF文件第5页
5
浏览型号MC33993的Datasheet PDF文件第6页
6
浏览型号MC33993的Datasheet PDF文件第7页
7
浏览型号MC33993的Datasheet PDF文件第8页
8
浏览型号MC33993的Datasheet PDF文件第9页
9
 
本平台电子爱好着纯手工中文简译:截至2020/5/17日,支持英文词汇500个
摩托罗拉
半导体 技术类 数据
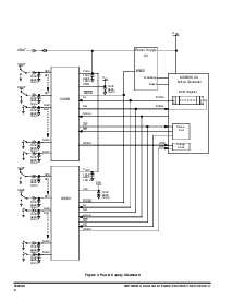
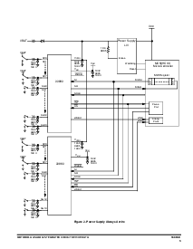
33993 简化 应用程序 原理图
这个 文件 包含 信息 开启 一个 产品 发展.
摩托罗拉 储备金 右侧 变更 停止 这个 产品 通知.
© 摩托罗拉, 公司 2002
文件 订单 号码 mc33993/d
rev 1, 12/2002
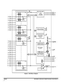
33993
高级 信息
多个 开关 检测 接口
33993 多个 开关 检测 接口 设计 检测
结账 打开 向上 22 开关 联系人. 开关 状态, 要么 打开
已关闭, 已转移 微处理器 通过 一个 SPI 接口.
设备 特点 一个 22 1 模拟 多路复用器 用于 阅读 输入 作为 模拟.
模拟 输入 信号 缓冲 提供 开启 AMUX 输出 管脚 用于
mcu 阅读.
33993 设备 两个 模式 操作, 睡眠 正常.
睡眠 模式 提供 静态 电流 启用 唤醒 向上 特点
设备. 正常 模式 允许 编程 设备 供应品
开关 联系人 上拉 向下 电流 作为 显示器 开关 变更
州.
33993 已打包 入点 32-管脚 车身 soic, 减少 电路
面积. 静态 电流 使 33993 理想 用于 汽车
工业 产品 要求 睡眠 电流. 内部
图表 33993 图示 入点 1.
特点:
设计 操作 5.5 v &指示灯; v
PWR
&指示灯; 26 v
开关 输入 电压 范围 –14 v vpwr, 40 v 最大值
接口 直接 微处理器 使用 3.3/5.0 v SPI 协议
可选择 唤醒 向上 开启 变更
可选择 润湿 电流 (16 ma 2 ma)
8-可编程 输入 (开关 蓄电池 接地)
14-开关 接地 输入
•V
PWR
备用 电流 &指示灯; 100 µa, v
dd
备用 电流 &指示灯; 15 µA
活动 中断 (智力
) 开启 变更 开关
v
dd
v
dd
v
PWR
v
蝙蝠
电源 供应
LVI
启用
看门狗
重置
v
dd
si
所以
SCLK
智力
cs
AMUX
MOSI
MISO
AN0
v
蝙蝠
SP0
SP1
SP7
SG1
SG0
SG12
SG13
唤醒
v
蝙蝠
33993
SCLK
cs
智力
mcu
多个 开关
检测 接口
订购 信息
设备
温度
范围 (
t
一个
)
包装
PC33993DWB
-40
°
c
125
°
c
32 ld SOIC
32-铅 SOIC
0.65 mm 变桨
案例 1324-02
问题 一个
资料评论区:
点击回复标题作者最后回复时间

标 题:
内 容:
用户名:
手机号:    (*未登录用户需填写手机号,手机号不公开,可用于网站积分.)
      
关于我们 | 联系我们
电    话13410210660             QQ : 84325569   点击这里与集成电路资料查询网联系
联系方式: E-mail:CaiZH01@163.com