>┊
首页 | 最新需求 | 最新现货 | IC库存 | 供应商 | IC英文资料库 | IC中文资料库 | IC价格 | 电路图 | 应用资料 | 技术资料
 IC型号: 
您现在的位置:首页 >  IC英文资料库 进入手机版 
 
资料编号:1080359
 
资料名称:AT89C55WD 
 
文件大小: 285071K
   
说明
 
介绍:
80C32 Microcontroller with 20K Bytes Flash 
 
 


: 点此下载
 
1
浏览型号AT89C55WD 的Datasheet PDF文件第2页
2
浏览型号AT89C55WD 的Datasheet PDF文件第3页
3
浏览型号AT89C55WD 的Datasheet PDF文件第4页
4
浏览型号AT89C55WD 的Datasheet PDF文件第5页
5
浏览型号AT89C55WD 的Datasheet PDF文件第6页
6
浏览型号AT89C55WD 的Datasheet PDF文件第7页
7
浏览型号AT89C55WD 的Datasheet PDF文件第8页
8
浏览型号AT89C55WD 的Datasheet PDF文件第9页
9
 
本平台电子爱好着纯手工中文简译:截至2020/5/17日,支持英文词汇500个
1
特点
兼容 MCS
®
-51 产品
20K 字节数 可重新编程 闪光灯 记忆
耐力: 1000 写/擦除 循环次数
4V 5.5v 操作 范围
fullystaticoperation:0hzto33mhz
三级 程序 记忆
256 x 8-有点 内部 ram
32 可编程 我/o 线条
三个 16-有点 计时器/计数器
中断 来源
可编程 串行 频道
低功耗 慢车 掉电 模式
中断 回收 掉电 模式
硬件 看门狗 计时器
数据 指针
power- 旗子
描述
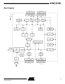
AT89C55WD 一个 低功耗, 高性能 CMOS 8-有点 微控制器
20K 字节数 闪光灯 可编程 阅读 记忆 256 字节数 ram.
设备 已制造 使用 Atmel’s 高密度 非挥发性 记忆 技术
兼容 行业 标准 80C51 80C52 说明书 设置 引出线.
片上 闪光灯 允许 程序 记忆 用户 编程 一个 conven-
国家 非挥发性 记忆 程序员. 组合 一个 多才多艺 8-有点 CPU 闪光灯
开启 一个 单片 芯片, atmel AT89C55WD 一个 强大的 微型计算机 哪个 专业版-
vides 一个 高度 灵活 成本 有效 解决方案 许多 嵌入式 控制
应用程序.
AT89C55WD 提供 以下内容 标准 特点: 20K 字节数 闪光灯, 256
字节数 ram, 32 我/o 线条, 三个 16-有点 计时器/计数器, 一个 六个-向量, 两级 中断
体系结构, 一个 全双工 串行 port, 片上 振荡器, 时钟 电路. 入点 加法,
AT89C55WD 设计 静态 逻辑 用于 操作 向下 频率
支架 两个 软件 可选择 电源 正在保存 模式. 慢车 模式 停止
CPU 同时 允许 ram, 计时器/计数器, 串行 港口, 中断 系统 con-
tinue 运作. 掉电 模式 保存 ram 内容 但是 冻结
振荡器, 正在禁用 全部 其他 芯片 功能 直到 下一个 外部 中断 硬件
重置.
rev. 1921b–micro–09/02
8-有点
微控制器
20K 字节数
闪光灯
AT89C55WD
资料评论区:
点击回复标题作者最后回复时间

标 题:
内 容:
用户名:
手机号:    (*未登录用户需填写手机号,手机号不公开,可用于网站积分.)
      
关于我们 | 联系我们
电    话13410210660             QQ : 84325569   点击这里与集成电路资料查询网联系
联系方式: E-mail:CaiZH01@163.com