>┊
首页 | 最新需求 | 最新现货 | IC库存 | 供应商 | IC英文资料库 | IC中文资料库 | IC价格 | 电路图 | 应用资料 | 技术资料
 IC型号: 
您现在的位置:首页 >  IC英文资料库 进入手机版 
 
资料编号:1081222
 
资料名称:1991045
 
文件大小: 49815K
   
说明
 
介绍:
 
 


: 点此下载
 
1
浏览型号1991045的Datasheet PDF文件第2页
2
 
本平台电子爱好着纯手工中文简译:截至2020/5/17日,支持英文词汇500个
pmc-1991025 (r2)
专有 和 confidential 至 pmc-sierra, 股份有限公司., 和 用于 其 客户’ 内部 使用
2001
pmc-sierra, 公司
PM7385
pmc-sierra,公司
框架 发动机 和 数据 链接 经理
freedm-84a672
特点
单芯片 多通道 hdlc
控制器 与 一个 50 mhz, 16 有点 任何-
phy™ 数据包 接口 (appi) 用于
转让 的 数据包 数据 使用 一个
外部 控制器.
hdlc 频道 已分配 至 一个
最大值 的 84 channelised 或
unchannelised 链接 已传达 通过 一个
19.44 mhz 可扩展 带宽
互连 (sbi™) 接口.
数据 开启 这 sbi 接口 是 分割
进入 三个 同步 有效载荷
信封 (spes). 每个 spe 可以 是
已配置 独立 至 进位 数据
用于 要么 28 t1/j1 链接, 21 e1 链接, 或
一个 unchannelised ds-3 链接.
支架 三个 双向 hdlc
频道 每个 已分配 至 一个
unchannelised 链接 与 任意 费率
链接 的 向上 至 51.84 mhz 当 sysclk
是 正在运行 在 45 mhz. 每个 链接 将 是
已配置 单独 至 更换 一个
的 这 spes 已传达 开启 这 sbi
接口.
用于 每个 频道, 这 hdlc 接收器
支架 可编程 旗子 顺序
检测, 有点 de-填料 和 框架
检查 顺序 验证. 这
接收器 支架 这 验证 的 两者都有
crc-ccitt 和 crc-32 框架 检查
序列.
用于 每个 频道, 这 hdlc
变送器 支架 可编程
旗子 顺序 世代, 有点 填料
和 框架 检查 顺序 世代.
这 变送器 支架 这
世代 的 两者都有 crc-ccitt 和
crc-32 框架 检查 序列. 这
变送器 也 中止 数据包 下
这 方向 的 这 外部 控制器
或 自动 当 这 频道
下溢.
提供 32 千字节 的 片上 记忆
用于 部分 数据包 缓冲 入点 两者都有 这
发送 和 这 接收 方向.
这个 记忆 将 是 已配置 至
支持 一个 品种 的 不同的 频道
配置 从 一个 单独 频道
与 32 千字节 的 缓冲 至 672
频道, 每个 与 一个 最小值 的 48
字节数 的 缓冲.
提供 一个 16 有点 微处理器
接口 用于 配置 和 状态
监测.
提供 一个 标准 五个 信号
p1149.1 jtag 测试一下 港口 用于 边界
扫描 板 测试一下 目的.
支架 3.3 电压 宽容 我/o.
352 管脚 增强型 球 网格 阵列
(sbga) 包装.
应用程序
购买力平价 接口 用于 routers.
互联网/边缘 routers.
框架 继电器/multiservice 开关.
数据包-基于 dslam 设备.
远程 访问权限 concentrators.
multiservice 访问权限 concentrators.
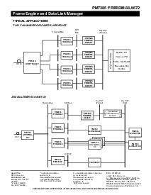
ddata[7:0]
DPL
DV5
DDP
SBI
提取
SBI
插入
发送 hdlc
处理器/部分
数据包 缓冲区
(thdl672)
业绩
显示器
(pmon)
adata[7:0]
APL
AV5
ADP
ajust_req
AACTIVE
adetect[1:0]
接收
频道
Assigner
(rcas672)
发送
频道
Assigner
(tcas672)
接收
hdlc 处理器/
部分 数据包 缓冲区
(rhdl672)
tclk[2:0]
td [2:0]
JTAG
TD0
TD1
tck
TMS
TRSTB
rd[2:0]
rclk[2:0]
spe1_en
spe2_en
spe3_en
REFCLK
FASTCLK
C1FP
C1FPOUT
微处理器
接口
WRB
CSB
ALE
a[11:2]
d[15:0]
INTB
RDB
发送 任何-
phy 数据包
接口
(tapi672)
txaddr[12:0]
TXCLK
tpa1[2:0]
tpa2[2:0]
TRDY
txdata[15:0]
TXPRTY
TSX
TEOP
TMOD
TERR
接收 任何-
phy 数据包
接口
(rapi672)
rxaddr[2:0]
rxclk
RPA
RENB
rxdata[15:0]
RXPRTY
RSX
REOP
RMOD
RERR
rval
RSTB
SYSCLK
PMCTEST
块 图表
资料评论区:
点击回复标题作者最后回复时间

标 题:
内 容:
用户名:
手机号:    (*未登录用户需填写手机号,手机号不公开,可用于网站积分.)
      
关于我们 | 联系我们
电    话13410210660             QQ : 84325569   点击这里与集成电路资料查询网联系
联系方式: E-mail:CaiZH01@163.com