>┊
首页 | 最新需求 | 最新现货 | IC库存 | 供应商 | IC英文资料库 | IC中文资料库 | IC价格 | 电路图 | 应用资料 | 技术资料
 IC型号: 
您现在的位置:首页 >  IC英文资料库 进入手机版 
 
资料编号:1089954
 
资料名称:MAX6370
 
文件大小: 116996K
   
说明
 
介绍:
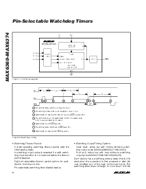
Pin-Selectable Watchdog Timers
 
 


: 点此下载
 
1
浏览型号MAX6370的Datasheet PDF文件第2页
2
浏览型号MAX6370的Datasheet PDF文件第3页
3
浏览型号MAX6370的Datasheet PDF文件第4页
4
浏览型号MAX6370的Datasheet PDF文件第5页
5
浏览型号MAX6370的Datasheet PDF文件第6页
6
浏览型号MAX6370的Datasheet PDF文件第7页
7
浏览型号MAX6370的Datasheet PDF文件第8页
8
 
本平台电子爱好着纯手工中文简译:截至2020/5/17日,支持英文词汇500个
概述 描述
这 max6369–max6374 是 引脚可选 看门狗
计时器 那 监督 微处理器 (µp) 活动 和
信号 当 一个 系统 是 操作 不当. 期间
正常 操作, 这 微处理器 应该 重复-
ly 切换 这 看门狗 输入 (wdi) 之前 这 已选择
看门狗 超时 期间 流逝 至 演示 那
这 系统 是 加工 代码 适当地. 如果 这 µp 是否
不 提供 一个 有效 看门狗 输入 过渡 之前 这
超时 期间 过期, 这 主管 断言 一个 手表-
WDO
) 输出 至 信号 那 这 系统 是 不 exe-
切口 这 需要 说明 内 这 预期 时间
框架. 这 看门狗 输出 脉冲 可以 是 已使用 至 重置
这 µp 或 中断 这 系统 至 警告 的 加工
错误.
这 max6369–max6374 是 灵活 看门狗 计时器
监事 那 可以 增加 系统 可靠性 通过
通知 的 代码 执行 错误. 这 家庭 优惠
几个 引脚可选 看门狗 计时 选项 至
匹配 一个 宽 范围 的 系统 计时 应用程序:
看门狗 启动 延迟: 提供 一个 初始 延迟
之前 这 看门狗 计时器 是 已开始.
看门狗 超时 期间: 正常 操作 手表-
狗 超时 期间 之后 这 初始 启动 延迟.
看门狗 输出/计时 选项: 打开 排水管 (100ms)
或 推拉 (1ms).
这 max6369–max6374 操作 结束 一个 +2.5v 至 +5.5v
供应 范围 和 是 可用 入点 微型 8-管脚
sot23 软件包.
________________________应用程序
嵌入式 控制 系统
工业 控制器
关键 µp 和 微控制器 (µc) 监测
汽车
电信
联网
特点
精度 看门狗 计时器 用于 关键
µp 应用程序
引脚可选 看门狗 超时 期间
引脚可选 看门狗 启动 延迟 期间
能力 至 变更 看门狗 计时 特性
无 电源 骑自行车
开漏极 或 推拉 脉冲 低电平有效
看门狗 输出
看门狗 计时器 禁用 功能
+2.5v 至 +5.5v 操作 电压
8µa 低 供应 电流
否 外部 组件 必填项
微型 8-管脚 sot23 包装
MAX6369–MAX6374
引脚可选 看门狗 计时器
________________________________________________________________
马克西姆 综合 产品
1
零件
温度
范围
管脚-
包装
顶部
标记
MAX6369
ka-t -40
°
c 至 +85
°
c 8 sot23-8 AADC
MAX6370
ka-t -40
°
c 至 +85
°
c 8 sot23-8 AADD
MAX6371
ka-t -40
°
c 至 +85
°
c 8 sot23-8 AADE
MAX6372
ka-t -40
°
c 至 +85
°
c 8 sot23-8 AADF
MAX6373
ka-t -40
°
c 至 +85
°
c 8 sot23-8 AADG
MAX6374
ka-t -40
°
c 至 +85
°
c 8 sot23-8 AADH
19-1676; rev 2; 2/03
订购 信息
零件 输出
wdo 脉冲
宽度 (ms)
最小值 启动 延迟 最小值 看门狗 超时
MAX6369 打开 排水管 100 可选择: 1ms 至 60s selectable?: 1ms 至 60s
MAX6370 推拉 1 可选择: 1ms 至 60s selectable?: 1ms 至 60s
MAX6371 打开 排水管 100 60s selectable?: 1ms 至 60s
MAX6372 推拉 1 60s selectable?: 1ms 至 60s
MAX6373 打开 排水管 100 selectable?: 200µs 至 60s 或fist edgeselectable?: 30µs 至 10s
MAX6374 推拉 1 selectable?: 200µs 至 60s 或fist edgeselectable?: 30µs 至 10s
管脚 配置 出现 在 结束 的 数据 工作表.
备注:
全部 设备 是 可用 入点 磁带和卷轴 仅. 必填项
订单 增量 是 2,500 件.
选择器 指南
用于 定价, 交货, 和 订购 信息, 请 联系人 马克西姆/达拉斯市 direct!
1-888-629-4642, 或 参观 马克西姆’s 网站 在 www.马克西姆-集成电路.com.
资料评论区:
点击回复标题作者最后回复时间

标 题:
内 容:
用户名:
手机号:    (*未登录用户需填写手机号,手机号不公开,可用于网站积分.)
      
关于我们 | 联系我们
电    话13410210660             QQ : 84325569   点击这里与集成电路资料查询网联系
联系方式: E-mail:CaiZH01@163.com