>┊
首页 | 最新需求 | 最新现货 | IC库存 | 供应商 | IC英文资料库 | IC中文资料库 | IC价格 | 电路图 | 应用资料 | 技术资料
 IC型号: 
您现在的位置:首页 >  IC英文资料库 进入手机版 
 
资料编号:1090265
 
资料名称:MAX6902EVSYS
 
文件大小: 218969K
   
说明
 
介绍:
Evaluation System/Evaluation Kit for the MAX6902
 
 


: 点此下载
 
1
浏览型号MAX6902EVSYS的Datasheet PDF文件第2页
2
浏览型号MAX6902EVSYS的Datasheet PDF文件第3页
3
浏览型号MAX6902EVSYS的Datasheet PDF文件第4页
4
浏览型号MAX6902EVSYS的Datasheet PDF文件第5页
5
浏览型号MAX6902EVSYS的Datasheet PDF文件第6页
6
浏览型号MAX6902EVSYS的Datasheet PDF文件第7页
7
浏览型号MAX6902EVSYS的Datasheet PDF文件第8页
8
浏览型号MAX6902EVSYS的Datasheet PDF文件第9页
9
 
本平台电子爱好着纯手工中文简译:截至2020/5/17日,支持英文词汇500个
概述 描述
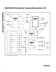
这 max6902 评价 系统 (电动汽车 系统) 由
的 一个 max6902 评价 工具包 (电动汽车 工具包) 和 一个 同伴
马克西姆 smbus™ 接口 板.
这 max6902 电动汽车 工具包 是 一个 已装配 和 已测试 pc
板 那 演示 这 max6902 spi™ 总线 真实-
时间 时钟 (rtc). 这个 电动汽车 工具包 是 预期 至 演示
这 功能 和 特点 的 这 max6902 rtc. 它 是
不 设计 至 练习 这 max6902 在 其 最大值
spi 总线 接口 速度. 一个 典型 总线 接口 速度
是 入点 这 90khz 范围 和 取决于 在 这 操作
系统 和 计算机 已使用.
一个 ibm-兼容 pc 至 使用 其 平行 港口 至 仿效
这 spi, 3-电线, 和 smbus (2-电线) 接口.
窗户 95/98
®
-兼容 软件 提供 一个 用户-
友好 接口 至 练习 这 特点 的 这
max6902. (
备注:
窗户 nt/2000 需要 附加
驾驶员 软件; 联系人 工厂.) 这 程序 是 菜单
驱动 和 优惠 一个 图形 接口 与 控制 但是-
tons 和 状态 显示.
订单 这 完成 电动汽车 系统 (max6902evsys) 用于
综合 评价 的 这 max6902 使用 一个 pc.
订单 这 电动汽车 工具包 (max6902evkit) 如果 这 maxsmbus
模块 有 已经 被 已购买 与 一个 上一个
马克西姆 电动汽车 系统, 或 用于 自定义 使用 入点 其他 µc-基于
系统.
smbus 是 一个 商标 的 英特尔 corp.
spi 是 一个 商标 的 摩托罗拉, 公司
窗户 是 一个 已注册 商标 的 microsoft corp.
特点
经过验证 pc 板 布局
低电压 操作
供应 电流 监测
完全 已装配 和 已测试
易于使用 菜单-驱动 软件
包括: 窗户 95/98-兼容 软件
(3.5in 软盘 磁盘) 和 演示 pc 板
评估: max6902
max6902 评价 系统/评价 工具包
________________________________________________________________
马克西姆 综合 产品
1
19-2147; rev 0; 8/01
max6902evkit 组件 列表
订购 信息
名称
数量
描述
c1, c2, c3, c6
4
0.1µf, 16v x7r 陶瓷
电容器 (0603)
taiyo yuden emk107bj104ka 或
村田 grm39x7r104k016 或
tdk c1608x7r1c104k
c4, c5
2
10µf, 35v 电容器
铝 电解
J1
1
2
10 右侧-角片 女
插座
ju1, ju2
2
2-管脚 标题
JU3
JU7
0
不 已安装
R1
1
49.9k
±
1% 电阻
名称
数量
描述
R2
1
470k
±
5% 电阻
U1
1
max6902eka (8-管脚 sot23) rtc
U2
1
max1840eub (10-管脚 µmax) 水平
翻译器
U3
1
max3370exk (sc70) 水平
翻译器
U4
1
max1615euk (5-管脚 sot23) 线性
电压 调节器
Y1
1
32.768khz 石英 水晶, 12.5pf,
±
20ppm
ecs, 公司 ecs-3x8
fox 电子产品 nc38
vishay dale xt38t
Y2
0
不 已安装
零件
温度 范围
接口 类型
MAX6902EVKIT
0
°
c 至 +70
°
c
用户 提供的
MAX6902EVSYS
0
°
c 至 +70
°
c
MAXSMBus
备注:
这 max6902 电动汽车 工具包 软件 是 提供 与 这
max6902evkit. 然而, 至 使用 这 软件, 这 maxsmbus
板 是 必填项 至 接口 这 电动汽车 工具包 至 这 计算机.
用于 定价, 交货, 和 订购 信息, 请 联系人 马克西姆/达拉斯市 direct!
1-888-629-4642, 或 参观 马克西姆’s 网站 在 www.马克西姆-集成电路.com.
资料评论区:
点击回复标题作者最后回复时间

标 题:
内 容:
用户名:
手机号:    (*未登录用户需填写手机号,手机号不公开,可用于网站积分.)
      
关于我们 | 联系我们
电    话13410210660             QQ : 84325569   点击这里与集成电路资料查询网联系
联系方式: E-mail:CaiZH01@163.com