>┊
首页 | 最新需求 | 最新现货 | IC库存 | 供应商 | IC英文资料库 | IC中文资料库 | IC价格 | 电路图 | 应用资料 | 技术资料
 IC型号: 
您现在的位置:首页 >  IC英文资料库 进入手机版 
 
资料编号:1092183
 
资料名称:PSD834F2V
 
文件大小: 630637K
   
说明
 
介绍:
FLASH PSD, 3.3V SUPPLY, FOR 8-BIT MCUS 2 MBIT + 256 KBIT DUAL FLASH MEMORIES AND 64 KBIT SRAM
 
 


: 点此下载
 
1
浏览型号PSD834F2V的Datasheet PDF文件第2页
2
浏览型号PSD834F2V的Datasheet PDF文件第3页
3
浏览型号PSD834F2V的Datasheet PDF文件第4页
4
浏览型号PSD834F2V的Datasheet PDF文件第5页
5
浏览型号PSD834F2V的Datasheet PDF文件第6页
6
浏览型号PSD834F2V的Datasheet PDF文件第7页
7
浏览型号PSD834F2V的Datasheet PDF文件第8页
8
浏览型号PSD834F2V的Datasheet PDF文件第9页
9
 
本平台电子爱好着纯手工中文简译:截至2020/5/17日,支持英文词汇500个
1/89
初步 数据
二月 2002
这个 是 初步 信息 开启 一个 新建 产品 现在 入点 发展 或 正在进行 评价. 详细信息 是 主题 至 变更 无 通知.
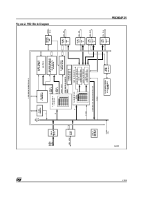
PSD834F2V
闪光灯 psd, 3.3v 供应, 用于 8-有点 mcus
2 mbit + 256 kbit 双 闪光灯 回忆 和 64 kbit sram
特点 摘要
闪光灯 在系统内 可编程 (isp)
外围设备 用于 8-有点 mcus
3.3 v
±10% 单独 供应 电压
2 mbit 的 主要 闪光灯 记忆 (8 制服
扇区, 32k x 8)
256 kbit 次要 闪光灯 记忆 (4 制服
扇区)
64 kbit 的 电池后备 sram
结束 3,000 盖茨 的 pld: dpld 和 cpld
27 可重构 我/o 端口
增强型 jtag 串行 港口
可编程 电源 管理
高 耐力:
1,000 擦除/写 循环次数 的 pld
图 1. 软件包
plcc52 (k)
pqfp52 (t)
资料评论区:
点击回复标题作者最后回复时间

标 题:
内 容:
用户名:
手机号:    (*未登录用户需填写手机号,手机号不公开,可用于网站积分.)
      
关于我们 | 联系我们
电    话13410210660             QQ : 84325569   点击这里与集成电路资料查询网联系
联系方式: E-mail:CaiZH01@163.com