>┊
首页 | 最新需求 | 最新现货 | IC库存 | 供应商 | IC英文资料库 | IC中文资料库 | IC价格 | 电路图 | 应用资料 | 技术资料
 IC型号: 
您现在的位置:首页 >  IC英文资料库 进入手机版 
 
资料编号:1095893
 
资料名称:MB811L323229- 12
 
文件大小: 471640K
   
说明
 
介绍:
Consumer FCRAM
 
 


: 点此下载
 
1
浏览型号MB811L323229- 12的Datasheet PDF文件第2页
2
浏览型号MB811L323229- 12的Datasheet PDF文件第3页
3
浏览型号MB811L323229- 12的Datasheet PDF文件第4页
4
浏览型号MB811L323229- 12的Datasheet PDF文件第5页
5
浏览型号MB811L323229- 12的Datasheet PDF文件第6页
6
浏览型号MB811L323229- 12的Datasheet PDF文件第7页
7
浏览型号MB811L323229- 12的Datasheet PDF文件第8页
8
浏览型号MB811L323229- 12的Datasheet PDF文件第9页
9
 
本平台电子爱好着纯手工中文简译:截至2020/5/17日,支持英文词汇500个
ds05-11410-2e
富士通 半导体
数据set
记忆
CMOS
2
×
512K
×
32-有点
单独 数据 费率 我/f fcram
tm
消费者/嵌入式 应用程序 具体 记忆 用于 sip
mb811l323229-12/18
描述
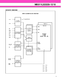
这 富士通 mb811l323229 是 一个 单独 数据 费率 接口 快 循环 随机 访问权限 记忆 (fcram*)
包含 33,554,432 记忆 细胞 无障碍 入点 一个 32-有点 格式. 这 mb811l323229 特点 一个 完全 同步-
nous 操作 引用 至 一个 正 边缘 时钟 由此 全部 运营 是 已同步 在 一个 时钟 输入 哪个
这 mb811l323229 是 已利用 使用 富士通 高级 fcram 核心 技术 和 设计 用于 低 电源
消费 和 低 电压 操作 比 常规 同步 dram (sdram).
这 mb811l323229 是 专用 用于 sip (系统 入点 一个 包装), 和 理想情况下 适合 用于 各种 嵌入式/
消费者 应用程序 包括 数字 avs 和 图像 加工 在哪里 一个 大型 乐队 宽度 和 低 电源
消费 记忆 是 需要.
*: fcram 是 一个 商标 的 富士通 有限, 日本.
产品 线
参数 mb811l323229-12 mb811l323229-18
时钟 频率 81 mhz 最大值 54 mhz 最大值
- t
rp
cl = 2 2 - 2 - 2 clk 最小 2 - 2 - 2 clk 最小
突发 模式 循环 时间 cl = 2 12 ns 最小 18 ns 最小
访问权限 时间 从 时钟 cl = 2 9 ns 最大值 9 ns 最大值
操作 电流 120ma 最大值 80ma 最大值
电源 向下 模式 电流 (我
CC2PS
) 1 ma 最大值 1 ma 最大值
自我 刷新 电流 (我
CC6
) 2.5 ma 最大值 2.5 ma 最大值
资料评论区:
点击回复标题作者最后回复时间

标 题:
内 容:
用户名:
手机号:    (*未登录用户需填写手机号,手机号不公开,可用于网站积分.)
      
关于我们 | 联系我们
电    话13410210660             QQ : 84325569   点击这里与集成电路资料查询网联系
联系方式: E-mail:CaiZH01@163.com